型号筛选
可选加工(可选)
未生成型号,还有 1 项未选择
重置
代码
无数据
产品选型
代码
无数据
规格
无数据
价格生成中...
图片仅供参考,请以已选的规格为准
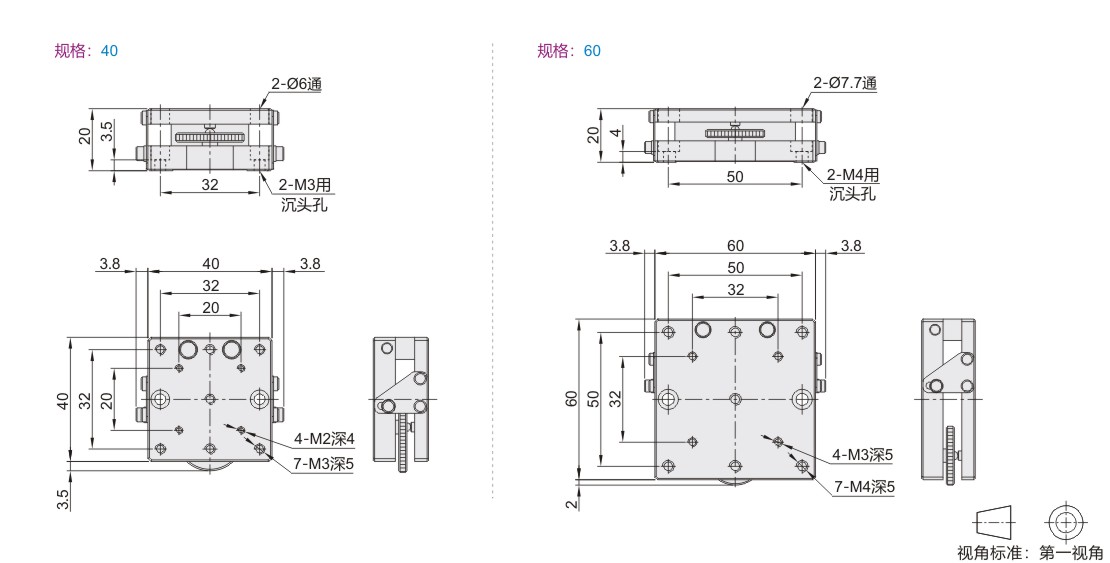
倾斜式手动位移台 α轴 旋钮驱动型 精密型 铝合金材质 黑色阳极氧化处理
条件筛选:
产品型号:
未税折扣单价: -- --
含税折扣单价: ----
含税总价 (税率13%): ¥--
预计发货天数:-- 天 (发货天数以下单次日起算,不含周日与法定假日)
购买数量(PCS):
起订量:1PCS
, 加量幅度:1PCS
登录后可查看价格、加入购物车、一键购买
立即登录
价格生成中...
登录后可查看价格、加入购物车、一键购买
立即登录
代码ELF41的技术资料信息曾有所变更,可前往 型号勘误表 查看变更记录
相似商品
同类人气商品
技术图档
全部型号
3D预览
技术图档
产品简介
产品问答
材质图
参数图
产品简介
产品问答
关于此产品的常见问题
1、什么是角测位移台旋转中心高(H)?
角测台旋转中心高度是指滑台上台面到旋转球心的垂直距离
2、微分头旋钮型手动滑台的复位方式是什么?使用上应该注意哪些?
微分头旋钮型手动滑台是通过拉伸弹簧来复位的。
若施加的负载大于弹簧负载时,滑台面有可能无法正常复位,或直接损坏弹簧,使用时请注意。
3、可以根据图纸定制吗?
可以的
4、滑台可以垂直安装吗?需要注意什么?
可以,但是需要注意耐负载为水平安装时的1/3左右;
并且注意进给方向,不要与重力处于同一方向,因为如果施加作用力大于弹簧负载时,滑台面有可能因无法承重而下落。
1. 添加筛选条件,生成产品型号
客服
购物车
小程序
怡合达商城小程序
随身商城一手掌握
公众号
微信公众号
订单/资讯随手掌握
微信技术交流服务群
扫码添加进群
浏览记录
问题反馈
置顶
Copyright © 2010-2026 东莞怡合达自动化股份有限公司 版权所有 粤ICP备14032684号
营业执照: 91441900566614589Q