型号筛选
可选加工(可选)
未生成型号,还有 3 项未选择
重置
代码
无数据
参数选型
螺距
无数据
产品选型
代码
无数据
规格
无数据
价格生成中...
图片仅供参考,请以已选的规格为准
手动位移台 X轴 燕尾槽式 螺距0.8/4.0 进给丝杠驱动型 铝合金材质 黑色阳极氧化处理
条件筛选:
产品型号:
未税折扣单价: -- --
含税折扣单价: ----
含税总价 (税率13%): ¥--
预计发货天数:-- 天 (发货天数以下单次日起算,不含周日与法定假日)
购买数量():
起订量:0
, 加量幅度:0
登录后可查看价格、加入购物车、一键购买
立即登录
价格生成中...
登录后可查看价格、加入购物车、一键购买
立即登录
代码的技术资料信息曾有所变更,可前往 型号勘误表 查看变更记录
相似商品
同类人气商品
技术图档
全部型号
3D预览
技术图档
产品简介
产品问答
材质图
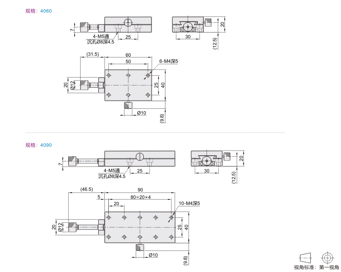
参数图
| 代码 | 类型 | 传动方向 | 螺距 | 材质 | 表面处理 |
| E-EIK02 | 进给丝杠驱动型 | X轴 | 0.8 | 铝合金 | 黑色阳极氧化 |
| E-EIK01 | 4.0 |
该产品的倒装负载、垂直负载和侧装负载一般为水平负载的1/3,实际负载与具体使用工况有关。
耐负载数值仅为参考值,震动和负载有大力臂等工况不适合使用。
使用方法:将锁紧旋钮松开后,调节驱动机构(微分头/进给丝杠)至目标位后拧紧锁紧旋钮。
请注意:拧紧锁紧旋钮后禁止调节驱动机构(微分头/进给丝杠)或用手大力推动,
由于驱动机构的驱动力远远大于锁紧旋钮产生的摩擦力,会导致台面偏移。
产品简介
产品问答
关于此产品的常见问题
1、什么是角测位移台旋转中心高(H)?
角测台旋转中心高度是指滑台上台面到旋转球心的垂直距离
2、微分头旋钮型手动滑台的复位方式是什么?使用上应该注意哪些?
微分头旋钮型手动滑台是通过拉伸弹簧来复位的。
若施加的负载大于弹簧负载时,滑台面有可能无法正常复位,或直接损坏弹簧,使用时请注意。
3、可以根据图纸定制吗?
可以的
4、滑台可以垂直安装吗?需要注意什么?
可以,但是需要注意耐负载为水平安装时的1/3左右;
并且注意进给方向,不要与重力处于同一方向,因为如果施加作用力大于弹簧负载时,滑台面有可能因无法承重而下落。
1. 添加筛选条件,生成产品型号
客服
购物车
小程序
怡合达商城小程序
随身商城一手掌握
公众号
微信公众号
订单/资讯随手掌握
微信技术交流服务群
扫码添加进群
浏览记录
问题反馈
置顶
Copyright © 2010-2026 东莞怡合达自动化股份有限公司 版权所有 粤ICP备14032684号
营业执照: 91441900566614589Q