图片仅供参考,请以已选的规格为准
压轧滚珠丝杠 标准螺帽型 轴径12 导程4/10 精度C7/C10
条件筛选:
产品型号:
未税折扣单价: -- --
含税折扣单价: ----
含税总价 (税率13%): ¥--
预计发货天数:-- 天 (发货天数以下单次日起算,不含周日与法定假日)
购买数量():
起订量:0
, 加量幅度:0
登录后可查看价格、加入购物车、一键购买
立即登录
价格生成中...
登录后可查看价格、加入购物车、一键购买
立即登录
代码的技术资料信息曾有所变更,可前往 型号勘误表 查看变更记录
相似商品
同类人气商品
计算选型
型号筛选
可选加工(可选)
未生成型号,还有 6 项未选择
重置
代码
无数据
参数选型
导程
无数据
精度等级
无数据
产品选型
代码
无数据
丝杠轴径
无数据
导程
无数据
L
价格生成中...
技术图档
全部型号
3D预览
技术图档
可选加工参数
产品简介
产品问答
材质图
参数图
| 代码 |
类型 |
精度 等级 |
材质 |
热处理 |
硬度 | |||
| 丝杠 | 螺帽 | 丝杠 | 螺帽 | 丝杠 | 螺帽 | |||
| LCH47 | 标准螺帽型 |
C7 | S55C |
SCM420 |
感应加热 淬火 |
渗碳 淬火 |
58~62HRC |
58~62HRC |
| LCH49 | C10 | |||||||
怡合达不保证滚珠丝杠组装后的噪音值。
丝杠端部存在工艺孔。

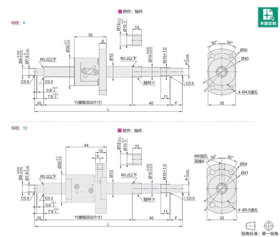
选型表
| 型号 | 最小单位1 L |
F | P | Y | 滚珠直径 | 丝杠底径 | 螺纹旋向 | 螺母 环圈数 |
轴向间隙 | 基本额定负载 | |||
| 代码 | 丝杆轴径 | 导程 | C(动)kN | Co(静)kN | |||||||||
| LCH47 | 12 | 4 | 150~800 | 15 | 8 | L-65 | 2.3812 | 10 | 右旋 | 2.5圈1列 | 0.03以下 | 2.6 | 5.8 |
| LCH49 | 0.05以下 | ||||||||||||
| 10 | 3.175 | 9.6 | 1.5圈1列 | 0.10以下 | 2.85 | 4.95 | |||||||
可选加工见可选加工参数。
压轧滚珠丝杠与丝杠支座组件的推荐组合
| 代码 | 丝杆轴径 | 导程 | 推荐丝杠固定座(规格型号) | 推荐丝杠支撑座(规格型号) |
| LCH47 LCH49 |
12 | 4 10 |
LEB01-10(详情请在怡合达网站搜索查看) | LEB11-10(详情请在怡合达网站搜索查看) |
| LEB41-10(详情请在怡合达网站搜索查看) | LEB31-10(详情请在怡合达网站搜索查看) |
压轧滚珠丝杠与螺帽支架组合(螺帽支架详情请在怡合达网站搜索查看)
| 型号 | 螺帽支架 | |||||
| 代码 | 丝杠轴径 | 导程 | 代码 | 规格 | ||
| LCH47 LCH49 |
12 | 4 | LFF11 LFF12 LFF16 |
1204D | ||
| 10 | 1210B | |||||
可选加工参数

产品简介
产品问答
关于此产品的常见问题
1、滚珠丝杠和螺帽是否可以单独购买?
考虑组装成品的精度和预压等级,单滚珠丝杠和螺帽半成品精度只能保证为普通级,无法调整预压,可能出现无法适配的情况,
如需购买可在标准型号基础上备注,或咨询相关工作人员。
2、标准型号滚珠丝杠使用温度上限是多少?
滚珠丝杠的使用温度上限为80℃,超过此上限会导致循环部件和密封件的损伤以及丝杠轴和螺母的变形,影响寿命。
油脂有很好的降低温度的效果,所以定期对滚珠丝杠进行注油脂等保养,会提高丝杠的寿命。
3、滚珠丝杠C7级精度和C5级精度有什么区别?
成型工艺不同,C7冷轧而成,C5精度研磨而成,C5级的精度高于C7级,C5精度适用于对精度要求较高的应用场景,而C7精度则适用于精度要求较低的应用场景。
4、滚珠丝杠为什么会生锈,如何处理和预防?
滚珠丝杠材质不具备防锈能力,空气湿度较高、表面无油膜覆盖或接触腐蚀性液体就会生锈;
如果非滚动沟槽部位轻微生锈并不影响使用,可用1200目及以上砂纸打磨后,重新涂抹防锈油即可。
可在丝杠螺纹表面做镀硬铬或黑铬处理提高耐腐蚀性能,或物理隔绝(加风琴罩等防护)。
5、滚珠丝杠为什么会卡死?
1、过度负载;
2、不当润滑;
3、螺帽过紧;
4、超行程使用掉滚珠;
1. 添加筛选条件,生成产品型号
客服
购物车
公众号
微信公众号
订单/资讯随手掌握
微信技术交流服务群
扫码添加进群
浏览记录
问题反馈
置顶
Copyright © 2010-2026 东莞怡合达自动化股份有限公司 版权所有 粤ICP备14032684号
营业执照: 91441900566614589Q