图片仅供参考,请以已选的规格为准
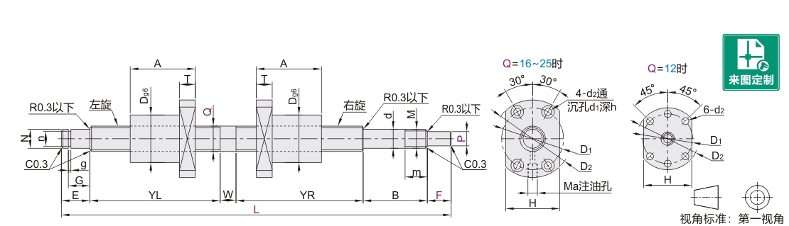
研磨/压轧滚珠丝杠(左右旋) 标准螺帽型 轴径12/16/20/25 导程4/5/10
品牌名称:
怡合达
条件筛选:
产品型号:
未税折扣单价: -- --
含税折扣单价: ----
含税总价 (税率13%): ¥--
预计发货天数:-- 天 (发货天数以下单次日起算,不含周日与法定假日)
购买数量():
起订量:0
, 加量幅度:0
登录后可查看价格、加入购物车、一键购买
立即登录
价格生成中...
登录后可查看价格、加入购物车、一键购买
立即登录
代码的技术资料信息曾有所变更,可前往 型号勘误表 查看变更记录
相似商品
同类人气商品
计算选型
型号筛选
可选加工(可选)
未生成型号,还有 7 项未选择
重置
代码
无数据
参数选型
精度等级
无数据
产品选型
代码
无数据
Q
无数据
导程
无数据
L
F
P
价格生成中...
技术图档
全部型号
3D预览
技术图档
可选加工
材质图
参数图
| 代码 |
类型 |
精度 等级 |
材质 |
热处理 |
硬度 |
||||
| 丝杠 | 螺帽 | 丝杠 | 螺帽 | 丝杠 | 螺帽 | ||||
| LCM02 | 研磨滚珠丝杠 | 左右旋型 | C5 | S55C | SCM415H | 高频 淬火 |
渗碳 淬火 |
58~62HRC | |
| LCM52 | 压轧滚珠丝杠 | C7 | |||||||
| P | 公差 |
| 8~10 | 0 -0.009 |
| 11~18 | 0 -0.011 |
怡合达不保证滚珠丝杠组装后的噪音值。
丝杠端部存在工艺孔。

选型表
| 丝杠轴径Q | 导程 | 支持侧位置尺寸 | 固定侧位置尺寸 | 基本额定负载(kN) | |||||||||||||
| E | G | g | N | n | B | M | m | d | C(动) | CO(静) | |||||||
| 12 | 4 | 10 | 7.9 | +0.2 0 |
0.9 | +0.14 0 |
8 | −0.005 −0.012 |
7.6 | 0 −0.2 |
36 | M10×1 | 10 | 10 | 0 −0.015 |
5.81 | 11.06 |
| 16 | 5 | 12 | 9.15 | +0.1 0 |
1.15 | 10 | −0.002 −0.015 |
9.6 | 0 −0.09 |
35 | M12×1 | 12 | −0.003 −0.018 |
7.64 | 13.13 | ||
| 20 | 10.15 | 15 | −0.003 −0.018 |
14.3 | 0 −0.11 |
49 | M15×1 | 20 | 15 | 11.07 | 23.32 | ||||||
| 25 | 18 | 15.35 | 1.35 | 20 | −0.004 −0.021 |
19 | 0 −0.21 |
61 | M20×1 | 16 | 20 | −0.004 −0.021 |
12.54 | 30.48 | |||
| 10 | 19.05 | 37.99 | |||||||||||||||
可选加工

1. 添加筛选条件,生成产品型号
客服
购物车
小程序
怡合达商城小程序
随身商城一手掌握
公众号
微信公众号
订单/资讯随手掌握
微信技术交流服务群
扫码添加进群
浏览记录
问题反馈
置顶
Copyright © 2010-2026 东莞怡合达自动化股份有限公司 版权所有 粤ICP备14032684号
营业执照: 91441900566614589Q