型号筛选
可选加工(可选)
未生成型号,还有 6 项未选择
重置
代码
无数据
参数选型
材质
无数据
表面处理
无数据
产品选型
代码
无数据
A
无数据
皮带半径
无数据
d
无数据
价格生成中...
图片仅供参考,请以已选的规格为准
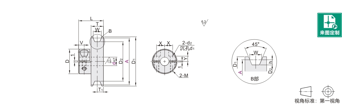
圆皮带用滑轮 分离式夹紧固定型 夹紧型 梯形槽
条件筛选:
产品型号:
未税折扣单价: -- --
含税折扣单价: ----
含税总价 (税率13%): ¥--
预计发货天数:-- 天 (发货天数以下单次日起算,不含周日与法定假日)
购买数量():
起订量:0
, 加量幅度:0
登录后可查看价格、加入购物车、一键购买
立即登录
价格生成中...
登录后可查看价格、加入购物车、一键购买
立即登录
代码的技术资料信息曾有所变更,可前往 型号勘误表 查看变更记录
相似商品
同类人气商品
引导式选型
技术图档
全部型号
3D预览
产品简介
可选加工参数
产品问答
材质图
参数图
产品简介
可选加工参数

产品问答
关于此产品的常见问题
1、圆皮带滑轮梯形槽与U形槽有什么区别吗?
U形槽型与滑轮的接触面仅有1处,而梯形槽与滑轮的接触面有3处,可有效防止圆皮带打滑。
1. 添加筛选条件,生成产品型号
客服
购物车
公众号
微信公众号
订单/资讯随手掌握
微信技术交流服务群
扫码添加进群
浏览记录
问题反馈
置顶
Copyright © 2010-2025 东莞怡合达自动化股份有限公司 版权所有 粤ICP备14032684号
营业执照: 91441900566614589Q