型号筛选
可选加工(可选)
未生成型号,还有 1 项未选择
重置
代码
无数据
产品选型
代码
无数据
规格
无数据
价格生成中...
图片仅供参考,请以已选的规格为准
滚针组合轴承 复合滚轮轴承 叉车轴承
条件筛选:
产品型号:
未税折扣单价: -- --
含税折扣单价: ----
含税总价 (税率13%): ¥--
预计发货天数:-- 天 (发货天数以下单次日起算,不含周日与法定假日)
购买数量(PCS):
起订量:1PCS
, 加量幅度:1PCS
登录后可查看价格、加入购物车、一键购买
立即登录
价格生成中...
登录后可查看价格、加入购物车、一键购买
立即登录
代码BBA01的技术资料信息曾有所变更,可前往 型号勘误表 查看变更记录
相似商品
同类人气商品
技术图档
全部型号
3D预览
技术图档
材质图
参数图
| 代码 | 类型 | 轴承精度 | 材质 |
耐温范围 | |
| 国标 | 相当 | ||||
| BBA01 | 标准型 | P0级 | GCr15 | SUJ2 | -20~80℃ |

选型表
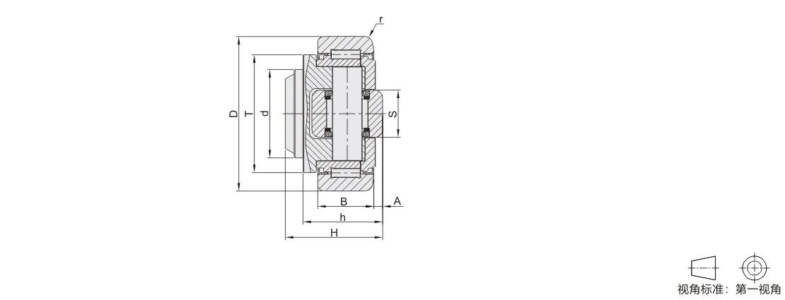
| 型号 |
d |
D |
H |
h |
B |
S |
A |
T |
r |
径向基本额定载荷 |
轴向基本额定载荷 |
径向疲劳 极限载荷 Fr/KN |
轴向疲劳 极限载荷 Fa/KN |
极限 转速 rpm |
参考 重量 ( kg) |
|||
| 代码 | 规格 | Cr(动) KN |
Cor(静) KN |
Ca(动) KN |
Coa(静) KN |
|||||||||||||
| BBA01 | 30* | 30 | 52.5 | 33 | 27 | 19 | 16 | 3 | 40 | 2 | 24 | 32 | 7 | 7 | 5.23 | 1.68 | 800 | 0.46 |
| 30A | 62 | 37.5 | 30.5 | 20 | 20 | 2.5 | 42 | 3 | 31 | 35.5 | 11 | 11 | 10.3 | 3.2 | 900 | 0.5 | ||
| 30B | 62.5 | 0.53 | ||||||||||||||||
| 30C | 64.8 | 0.55 | ||||||||||||||||
| 35 | 35 | 70.1 | 44 | 36 | 23 | 22 | 48 | 4 | 45.5 | 51 | 13 | 14 | 12.4 | 3.87 | 0.8 | |||
| 35A | 73.8 | 0.85 | ||||||||||||||||
| 40 | 40 | 77.7 | 48 | 36.5 | 24 | 3 | 54 | 48 | 56.8 | 18 | 18 | 12.9 | 4 | 800 | 1 | |||
| 40A | 40 | 29 | 53 | 0.87 | ||||||||||||||
| 40B | 81.8 | 48 | 36.5 | 54 | 1.1 | |||||||||||||
| 45 | 45 | 88.4 | 57 | 44 | 30 | 26 | 3.5 | 59 | 3 | 68 | 72 | 23 | 23 | 22.4 | 7 | 750 |
1.62 | |
| 45A | 92.8 | 1.7 | ||||||||||||||||
| 50 | 50 | 101.2 | 46 | 33 | 28 | 30 | 3 | 67 | 5 | 73 | 82 | 25 | 27 | 22 | 700 | 1.74 | ||
| 55 | 55 | 107.7 | 53 | 39 | 31 | 34 | 71 | 81 | 95 | 31 | 36 | 23.8 | 7.44 | 650 | 2.27 | |||
| 60 | 60 | 69 | 55 | 4 | 2.82 | |||||||||||||
| 60A | 111.8 | 31 | 2.95 | |||||||||||||||
| 60B | 123 | 72.3 | 56 | 37 | 40 | 5 | 80 | 110 | 132 | 43 | 50 | 33.9 | 10.6 | 550 | 3.89 | |||
| 60C | 127.8 | 45 | 50 | 5.5 | 43 | 4.1 | ||||||||||||
| 60D | 149 | 78.5 | 58.5 | 103 | 3 | 151 | 192 | 68 | 71 | 59.2 | 18.5 | 450 | 6.54 | |||||
| 60E | 86 | 67 | 108 | 7 | ||||||||||||||
| 60F | 153.8 | 78.5 | 58.5 | 103 | 68 | 59.3 | 6.85 | |||||||||||
| 80 | 80 | 174 | 95 | 71 | 55 | 63 | 7 | 120 | 7 | 265 | 488 | 205.3 | 381 | 103 | 55.8 | 350 | 10.7 | |
| 80A | 185 | 12 | ||||||||||||||||
带*规格不能补充润滑脂,非密封结构。
1. 添加筛选条件,生成产品型号
客服
购物车
公众号
微信公众号
订单/资讯随手掌握
微信技术交流服务群
扫码添加进群
浏览记录
问题反馈
置顶
Copyright © 2010-2026 东莞怡合达自动化股份有限公司 版权所有 粤ICP备14032684号
营业执照: 91441900566614589Q