E-BJL12-D7-L6
复制
型号筛选
可选加工(可选)
型号已生成
重置
代码
无数据
参数选型
螺杆
无数据
轴承材质
无数据
产品选型
代码
无数据
外径D(mm)
无数据
螺纹长度L(mm)
无数据
价格生成中...
图片仅供参考,请以已选的规格为准
怡合达 经济型外螺纹轴承 单轴承
品牌名称:
怡合达
条件筛选:
产品型号:
E-BJL12-D7-L6
未税折扣单价: -- --
含税折扣单价: ----
含税总价 (税率13%): ¥--
预计发货天数:-- 天 (发货天数以下单次日起算,不含周日与法定假日)
购买数量(PCS):
起订量:1PCS
, 加量幅度:1PCS
登录后可查看价格、加入购物车、一键购买
立即登录
价格生成中...
登录后可查看价格、加入购物车、一键购买
立即登录
代码E-BJL12的技术资料信息曾有所变更,可前往 型号勘误表 查看变更记录
相似商品
同类人气商品
技术图档
全部型号
3D预览
技术图档
材质图
参数图
| 代码 |
类型 |
轴承材质 | 轴材质 | ||
| 标准型 | 加长型 | 国标 | 相当 | ||
| E-BJL01 | E-BJL11 | 外螺纹 |
GCr15 | SUJ2 | SUS303 |
| E-BJL02 | E-BJL12 | 2Cr13 | SUS420 | ||
轴承精度 GB/T 307.1 0级
相当于 JIS B 1514 0级

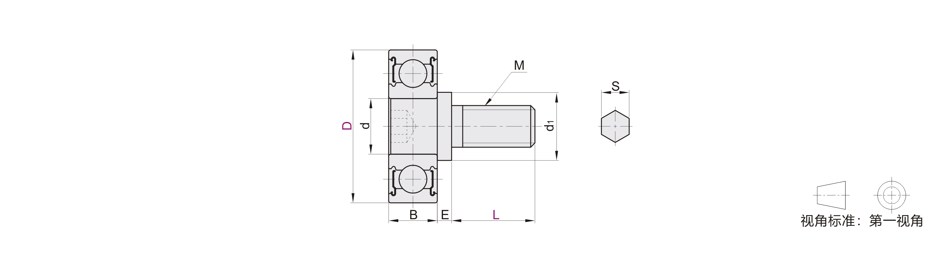
螺纹头部可能突出轴承端面,突出长度无法保证,产品请以实物为准。
台阶底部有退刀槽,退刀槽尺寸请以实物为准。
选型表
| 型号 | L | d | B | M | E | S | d1 | 使用轴承 | |||||||||||||||||||||||||||||||||||||
| 代码 | D | 标准型 | 加长型 | ||||||||||||||||||||||||||||||||||||||||||
|
标准型
|
6 | 4 | 6 | 3 | 2.5 | M3×0.5 | 1 | 1.5 | 4 | 673ZZ | |||||||||||||||||||||||||||||||||||
| 7 | 3 | 683ZZ | |||||||||||||||||||||||||||||||||||||||||||
| 8 | 5 |
8 |
5 | 2.5 | 2.5 | 6 | 675ZZ | ||||||||||||||||||||||||||||||||||||||
| 9 | 4 | 4 | M4×0.7 | 2 | 684ZZ | ||||||||||||||||||||||||||||||||||||||||
| 13 | 5 | 7 | 624ZZ | ||||||||||||||||||||||||||||||||||||||||||
| 16 | 5 | 2.5 | 8 | 625ZZ | |||||||||||||||||||||||||||||||||||||||||
| 19 | 8 | 12 | 6 | 6 | M6×1.0 | 3 | 9 | 626ZZ | |||||||||||||||||||||||||||||||||||||
| 22 | 8 | 7 | 4 | 12 | 608ZZ | ||||||||||||||||||||||||||||||||||||||||
| 26 | 10 | 8 | 2.5 | 6 | 15 |
6000ZZ | |||||||||||||||||||||||||||||||||||||||
| 30 | 9 | 2 | 6200ZZ | ||||||||||||||||||||||||||||||||||||||||||
| 32 | 12 | 20 | 15 | 9 | M10×1.5 | 2 | 8 | 20 | 6002ZZ | ||||||||||||||||||||||||||||||||||||
| 35 | 11 | 4 | 6202ZZ | ||||||||||||||||||||||||||||||||||||||||||
| 40 | 17 | 12 | 2 | 23 | 6203ZZ | ||||||||||||||||||||||||||||||||||||||||
| 42 | — | 20 | 12 | 5 | 10 | 24 | 6004ZZ | ||||||||||||||||||||||||||||||||||||||
| 47 | 20 | 14 | 2 | 6204ZZ | |||||||||||||||||||||||||||||||||||||||||
| 52 | 25 | 15 | 30 | 6205ZZ | |||||||||||||||||||||||||||||||||||||||||
加长型(E-BJL11/12)无D42规格。
使用示例

请先筛选参数,生成产品型号
客服
购物车
公众号
微信公众号
订单/资讯随手掌握
微信技术交流服务群
扫码添加进群
浏览记录
问题反馈
置顶
Copyright © 2010-2026 东莞怡合达自动化股份有限公司 版权所有 粤ICP备14032684号
营业执照: 91441900566614589Q