图片仅供参考,请以已选的规格为准
SKF(斯凯孚) 深沟球轴承 两面带橡胶密封圈(接触式)
品牌名称:
SKF
条件筛选:
参数筛选:
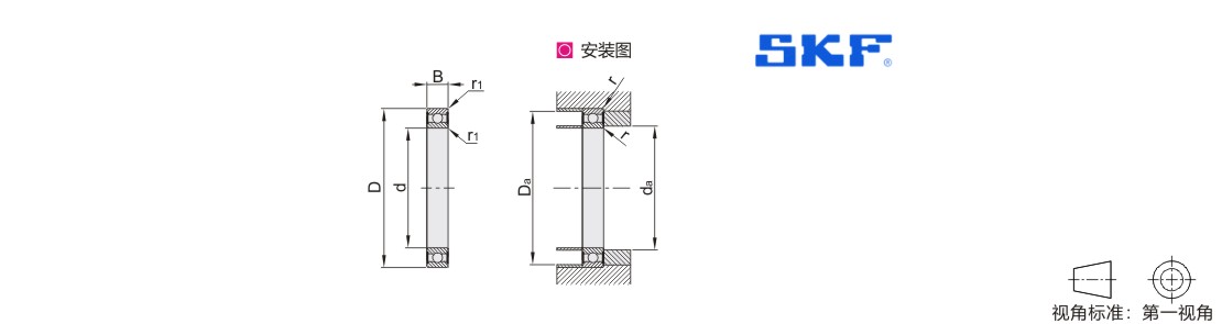
B(厚度)
D(外径)
d(内径)
产品代码:
有 65 个备选型号
登录后可查看价格、加入购物车、一键购买
立即登录
技术图档
全部型号
3D预览
产品简介
产品问答
材质图
参数图
| 品牌 | 轴承类型 | 轴承精度 | 轴承游隙 | 后置代码 | 轴承材质 | |
| 国标 | 相当 | |||||
| SKF | 6 | GB/T 307.1 P6级 | 标准游隙(CN) |
2RS(双面带橡胶密封圈接触式) |
GCr15 | SUJ2 |

选型表
| 型号 |
主要尺寸(mm) |
基本额定载荷(KN) |
极限转速(rpm) |
安装相关尺寸 |
重量(g) 参考 |
||||||||
| d | D | B | r1(min) | Cr(动) | Cor(静) | 脂润滑 | 油润滑 | da(min) | da(max) | Da(max) | r(min) | ||
| 6000-2RSH-SKF | 10 | 26 | 8 | 0.3 | 4.75 | 1.96 | 30000 | 36000 | 12 | 13.5 | 24.1 | 0.3 | 19 |
| 61800-2RS1/VA9813-SKF | 19 | 5 | 1.83 | 0.93 | 21000 | 24000 | 12.5 | 17 | 5 | ||||
| 61900-2RS1/VA9813-SKF | 22 | 6 | 2.7 | 1.27 | 19000 | 21000 | 13 | 20 | 9 | ||||
| 6001-2RSH-SKF | 12 | 28 | 8 | 5.4 | 2.36 | 29000 | 33000 | 14 | 16 | 26 | 20.6 | ||
| 6201-2RSH-SKF | 32 | 10 | 0.6 | 7.28 | 3.1 | 23000 | 28000 | 14.7 | 17 | 28 | 0.6 | 36 | |
| 6301-2RSH-SKF | 37 | 12 | 1 | 7.69 | 3.5 | 21000 | 25000 | 16.7 | 18.5 | 32 | 1 | 59 | |
| 61801-2RS1/VA9813-SKF | 21 | 5 | 0.3 | 1.92 | 1.04 | 18000 | 20000 | 14 | 14.5 | 19 | 0.3 | 6 | |
| 6002-2RSH-SKF | 15 | 32 | 9 | 5.85 | 2.85 | 25000 | 29000 | 17 | 19 | 30 | 30 | ||
| 6202-2RSH-SKF | 35 | 11 | 0.6 | 7.64 | 3.72 | 20000 | 25000 | 17.9 | 20 | 31 | 0.6 | 46 | |
| 6302-2RSH-SKF | 42 | 13 | 1 | 11.45 | 5.43 | 19000 | 22000 | 19.8 | 23 | 37 | 1 | 82 | |
| 61802-2RS1/VA9813-SKF | 24 | 5 | 0.3 | 2.1 | 1.25 | 15000 | 17000 | 17 | 17.5 | 22 | 0.3 | 7 | |
| 61902-2RS1/VA9813-SKF | 28 | 7 | 4.3 | 2.3 | 14000 | 16000 | 26 | 16 | |||||
| 6003-2RSH-SKF | 17 | 35 | 10 | 6 | 3.24 | 23000 | 26000 | 19 | 21.5 | 33 | 39 | ||
| 6203-2RSH-SKF | 40 | 12 | 0.6 | 9.57 | 4.79 | 18000 | 22000 | 20 | 23.5 | 36 | 0.6 | 65 | |
| 6303-2RSH-SKF | 47 | 14 | 1 | 13.58 | 6.58 | 16000 | 19000 | 22 | 25.5 | 42 | 1 | 113 | |
| 6004-2RSH-SKF | 20 | 42 | 12 | 0.6 | 9.38 | 5.03 | 18000 | 21000 | 24 | 26 | 38 | 0.6 | 69 |
| 6204-2RSH-SKF | 47 | 14 | 1 | 12.84 | 6.65 | 16000 | 18000 | 24.6 | 28 | 42 | 1 | 107 | |
| 6304-2RSH-SKF | 52 | 15 | 1.1 | 15.94 | 7.88 | 14000 | 17500 | 25.8 | 28.5 | 45.5 | 1.1 | 142 | |
| 61804-2RS1/VA9813-SKF | 32 | 7 | 0.3 | 3.5 | 2.2 | 11000 | 13000 | 22 | 22.5 | 30 | 0.3 | 19 | |
| 61904-2RS1/VA9813-SKF | 37 | 9 | 6.4 | 3.7 | 10000 | 12000 | 24 | 35 | 36 | ||||
| 6005-2RSH-SKF | 25 | 47 | 12 | 0.6 | 10.07 | 5.85 | 16000 | 19000 | 29 | 30.5 | 43 | 0.6 | 80 |
| 6205-2RSH-SKF | 52 | 15 | 1 | 14.02 | 7.88 | 13000 | 16000 | 30 | 32 | 47 | 1 | 125 | |
| 6305-2RS1-SKF | 62 | 17 | 1.1 | 22.41 | 11.51 | 12000 | 14000 | 31 | 36 | 55.5 | 1.1 | 226 | |
| 61905-2RS1/VA981-SKF | 42 | 9 | 0.3 | 7.02 | 4.53 | 7500 | 9800 | 27 | 29 | 40 | 0.3 | 42 | |
| 6006-2RS1-SKF | 30 | 55 | 13 | 1 | 13.23 | 8.3 | 13000 | 15000 | 35 | 37 | 50 | 1 | 114 |
| 6206-2RS1-SKF | 62 | 16 | 19.8 | 12.8 | 12000 | 14000 | 39 | 57 | 201 | ||||
| 6306-2RS1-SKF | 72 | 19 | 1.1 | 27.03 | 15.26 | 10000 | 12000 | 36.5 | 43 | 65.5 | 1.1 | 349 | |
| 61906-2RS1/VA981-SKF | 47 | 9 | 0.3 | 7.24 | 5 | 6000 | 8400 | 32 | 34 | 45 | 0.3 | 48 | |
| 6007-2RS1-SKF | 35 | 62 | 14 | 1 | 15.98 | 10.28 | 12000 | 14000 | 40 | 42 | 57 | 1 | 148 |
| 6207-2RS1-SKF | 72 | 17 | 1.1 | 27.06 | 15.33 | 10000 | 12000 | 41 | 45 | 65.5 | 1.1 | 287 | |
| 6307-2RS1-SKF | 80 | 21 | 1.5 | 33.39 | 19.29 | 8800 | 10000 | 42.9 | 47 | 72 | 1.5 | 460 | |
| 6008-2RS1-SKF | 40 | 68 | 15 | 1 | 16.78 | 11.54 | 10000 | 12000 | 45 | 47.5 | 63 | 1 | 189 |
| 6208-2RS1-SKF | 80 | 18 | 1.1 | 29.52 | 18.14 | 8800 | 10000 | 46 | 51 | 73.5 | 1.1 | 365 | |
| 6308-2RS1-SKF | 90 | 23 | 1.5 | 40.76 | 24.01 | 7800 | 9200 | 48 | 54 | 82 | 1.5 | 645 | |
| 6009-2RS1-SKF | 45 | 75 | 16 | 1 | 19.89 | 13.99 | 9200 | 11000 | 50 | 53.5 | 70 | 1 | 236 |
| 6209-2RS1-SKF | 85 | 19 | 1.1 | 29.36 | 19.19 | 7800 | 9200 | 51 | 55.5 | 78.5 | 420 | ||
| 6309-2RS1-SKF | 100 | 25 | 1.5 | 48.89 | 29.56 | 7000 | 8200 | 53 | 61.5 | 92 | 1.5 | 842 | |
| 6210-2RS1-SKF | 50 | 90 | 20 | 1.1 | 35.07 | 23.22 | 7100 | 8300 | 56 | 60 | 83.5 | 1.1 | 466 |
| 6310-2RS1-SKF | 110 | 27 | 2 | 57.54 | 35.34 | 6400 | 7500 | 59 | 68.5 | 101 | 2 | 1086 | |
| 6311-2RS1-SKF | 55 | 120 | 29 | 66.91 | 41.89 | 5800 | 6800 | 64 | 74 | 111 | 1350 | ||
| 6011-2RS1-SKF | 90 | 18 | 1.1 | 26.85 | 19.57 | 7700 | 9000 | 61.5 | 64.2 | 83.5 | 1.1 | 366 | |
| 6211-2RS1-SKF | 100 | 21 | 1.5 | 39.07 | 26.54 | 6400 | 7600 | 62 | 67 | 92 | 1.5 | 606 | |
| 61911-2RS1/VA981-SKF | 80 | 13 | 1 | 15.96 | 13.25 | 4100 | 4300 | 60 | 61.5 | 75 | 1 | 180 | |
| 6212-2RS1-SKF | 60 | 110 | 22 | 1.5 | 47.76 | 32.92 | 6000 | 7300 | 68 | 75 | 102 | 1.5 | 793 |
| 6312-2RS1-SKF | 130 | 31 | 2.1 | 81.91 | 52.14 | 5400 | 6300 | 71 | 80.5 | 119 | 2.1 | 1700 | |
| 61812-2RS1/VA981-SKF | 78 | 10 | 0.3 | 9.1 | 8.7 | 4100 | 4400 | 62 | 64.5 | 76 | 0.3 | 106 | |
| 6313-2RS1-SKF | 65 | 140 | 33 | 2.1 | 92.74 | 59.87 | 5000 | 6000 | 76 | 86 | 129 | 2.1 | 2100 |
| 6013-2RS1-SKF | 100 | 18 | 1.1 | 32.04 | 24.92 | 6700 | 8000 | 71.5 | 74 | 93.5 | 1.1 | 440 | |
| 6213-2RS1-SKF | 120 | 23 | 1.5 | 57.19 | 40.15 | 5500 | 7000 | 73 | 80.5 | 112 | 1.5 | 990 | |
| 61913-2RS1/VA981-SKF | 90 | 13 | 1 | 17.4 | 16.1 | 3800 | 4000 | 70 | 71.5 | 85 | 1 | 206 | |
| 6314-2RS1-SKF | 70 | 150 | 35 | 2.1 | 104.13 | 68.04 | 4500 | 5300 | 81 | 92.5 | 139 | 2.1 | 2500 |
| 6014-2RS1-SKF | 110 | 20 | 1.1 | 36.77 | 29.08 | 6300 | 7100 | 76.5 | 80.5 | 103.5 | 1.1 | 600 | |
| 6214-2RS1-SKF | 125 | 24 | 1.5 | 56.38 | 41.87 | 5100 | 6100 | 78 | 85 | 117 | 1.5 | 1100 | |
| 6315-2RS1-SKF | 75 | 160 | 37 | 2.1 | 113.42 | 76.97 | 4300 | 5000 | 86 | 99 | 149 | 2.1 | 3000 |
| 6015-2RS1-SKF | 115 | 20 | 1.1 | 38.24 | 31.79 | 5800 | 7000 | 81.5 | 85.6 | 108.5 | 1.1 | 640 | |
| 6215-2RS1-SKF | 130 | 25 | 1.5 | 60.68 | 45.47 | 4800 | 5600 | 83 | 90.5 | 122 | 1.5 | 1200 | |
| 6016-2RS1-SKF | 80 | 125 | 22 | 1.1 | 42.33 | 35.64 | 5500 | 6500 | 86.5 | 91.5 | 118.5 | 1.1 | 854 |
| 6216-2RS1-SKF | 140 | 26 | 2 | 65.91 | 50.11 | 4500 | 5300 | 89 | 95.5 | 131 | 2 | 1400 | |
| 6017-2RS1-SKF | 85 | 130 | 22 | 1.1 | 52.8 | 44.49 | 5300 | 6300 | 91.5 | 97 | 123.5 | 1.1 | 890 |
| 6018-2RS1-SKF | 90 | 140 | 24 | 1.5 | 52.34 | 45.08 | 5000 | 6000 | 98 | 102 | 132 | 1.5 | 1020 |