图片仅供参考,请以已选的规格为准
EZO(北日本精机) 微型深沟球轴承 两面带防尘盖 SUS440C材质
品牌名称:
EZO
条件筛选:
参数筛选:
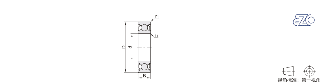
B(厚度)
D(外径)
d(内径)
产品代码:
有 60 个备选型号
登录后可查看价格、加入购物车、一键购买
立即登录
技术图档
全部型号
3D预览
材质图
参数图
| 品牌 | 轴承类型 代码 |
轴承精度 | 后置代码 | 轴承材质 | |
| 国标 | 相当 | ||||
| EZO | 6 | P0 | ZZ(双面带防尘盖式) | 9Cr18Mo | SUS440C |

选型表
| 型号 | 主要尺寸(mm) | 基本额定载荷(N) | 极限转速 (rmp) |
重量参考 (g) |
||||
| 代码 | d | D | B | r1(min) | Cr(动) | Cor(静) | ||
| 681XZZ-SUS-EZO | 1.5 | 4 | 2 | 0.05 | 112 | 33 | 105000 | 0.1 |
| 691XZZ-SUS-EZO | 5 | 2.6 | 0.15 | 238 | 69 | 94000 | 0.23 | |
| 601XZZ-SUS-EZO | 6 | 3 | 330 | 99 | 86000 | 0.38 | ||
| 672ZZ-SUS-EZO | 2 | 4 | 2 | 0.05 | 124 | 40 | 98000 | 0.08 |
| 682ZZ-SUS-EZO | 5 | 2.3 | 0.08 | 169 | 50 | 94000 | 0.18 | |
| MR52ZZ-SUS-EZO | 2.5 | 0.1 | 0.19 | |||||
| 692ZZ-SUS-EZO | 6 | 3 | 0.15 | 330 | 99 | 86000 | 0.38 | |
| MR62ZZ-SUS-EZO | 2.5 | 0.29 | ||||||
| MR72ZZS-SUS-EZO | 7 | 3 | 386 | 128 | 76000 | 0.51 | ||
| 602ZZS-SUS-EZO | 3.5 | 0.6 | ||||||
| 682XZZ-SUS-EZO | 2.5 | 6 | 2.6 | 0.08 | 209 | 73 | 81000 | 0.31 |
| 692XZZS-SUS-EZO | 7 | 3.5 | 0.15 | 386 | 128 | 76000 | 0.56 | |
| MR63ZZ-SUS-EZO | 3 | 6 | 2.5 | 0.1 | 209 | 73 | 81000 | 0.31 |
| 683ZZ-SUS-EZO | 7 | 3 | 311 | 112 | 74000 | 0.44 | ||
| MR83ZZ-SUS-EZO | 8 | 0.15 | 395 | 140 | 67000 | 0.65 | ||
| 693ZZ-SUS-EZO | 4 | 559 | 179 | 70000 | 0.78 | |||
| 623ZZ-SUS-EZO | 10 | 633 | 218 | 66000 | 1.67 | |||
| 633ZZ-SUS-EZO | 13 | 5 | 0.2 | 1300 | 485 | 51000 | 3.12 | |
| MR74ZZ-SUS-EZO | 4 | 7 | 2.5 | 0.1 | 255 | 107 | 71000 | 0.31 |
| MR84ZZ-SUS-EZO | 8 | 3 | 395 | 140 | 67000 | 0.51 | ||
| 684ZZ-SUS-EZO | 9 | 4 | 641 | 226 | 63000 | 0.95 | ||
| 694ZZ-SUS-EZO | 11 | 0.15 | 959 | 347 | 57000 | 1.61 | ||
| 604ZZ-SUS-EZO | 12 | 0.2 | 2.14 | |||||
| 624ZZ-SUS-EZO | 13 | 5 | 1300 | 485 | 51000 | 2.89 | ||
| 634ZZ-SUS-EZO | 16 | 0.3 | 1340 | 517 | 46000 | 5.2 | ||
| MR85ZZ-SUS-EZO | 5 | 8 | 2.5 | 0.1 | 218 | 91 | 63000 | 0.36 |
| MR95ZZ-SUS-EZO | 9 | 3 | 0.15 | 432 | 168 | 60000 | 0.65 | |
| MR105ZZ-SUS-EZO | 10 | 4 | 1.23 | |||||
| MR115ZZ-SUS-EZO | 11 | 716 | 283 | 54000 | 1.54 | |||
| 685ZZ-SUS-EZO | 5 | 1.34 | ||||||
| 695ZZ-SUS-EZO | 13 | 4 | 0.2 | 1080 | 430 | 50000 | 2.47 | |
| 605ZZ-SUS-EZO | 14 | 5 | 1330 | 507 | 48000 | 3.52 | ||
| 625ZZ-SUS-EZO | 16 | 0.3 | 1730 | 670 | 44000 | 4.71 | ||
| 635ZZ-SUS-EZO | 19 | 6 | 2340 | 889 | 33000 | 8.68 | ||
| MR106ZZ-SUS-EZO | 6 | 10 | 3 | 0.1 | 497 | 218 | 55000 | 0.71 |
| MR126ZZ-SUS-EZO | 12 | 4 | 0.2 | 716 | 293 | 50000 | 1.57 | |
| 686ZZ-SUS-EZO | 13 | 5 | 0.15 | 1080 | 438 | 48000 | 2.5 | |
| 696ZZ-SUS-EZO | 15 | 0.2 | 1340 | 517 | 46000 | 3.82 | ||
| 696AZZ-SUS-EZO | 16 | 4.76 | ||||||
| 606ZZ-SUS-EZO | 17 | 6 | 0.3 | 2260 | 838 | 42000 | 5.94 | |
| 626ZZ-SUS-EZO | 19 | 2340 | 889 | 38000 | 7.7 | |||
| 636ZZ-SUS-EZO | 22 | 7 | 3300 | 1370 | 33000 | 12.8 | ||
| MR117ZZS-SUS-EZO | 7 | 11 | 3 | 0.15 | 456 | 201 | 50000 | 0.75 |
| MR137ZZ-SUS-EZO | 13 | 4 | 541 | 276 | 45000 | 2 | ||
| 687ZZ-SUS-EZO | 14 | 5 | 1180 | 511 | 44000 | 2.77 | ||
| 697ZZ-SUS-EZO | 17 | 0.3 | 1610 | 716 | 40000 | 5.03 | ||
| 607ZZ-SUS-EZO | 19 | 6 | 2340 | 889 | 38000 | 7.26 | ||
| 627ZZ-SUS-EZO | 22 | 7 | 3300 | 1370 | 33000 | 12.2 | ||
| MR128ZZ-SUS-EZO | 8 | 12 | 3.5 | 0.1 | 544 | 275 | 46000 | 1.01 |
| MR148ZZ-SUS-EZO | 14 | 4 | 0.15 | 818 | 386 | 42000 | 2 | |
| 688ZZ-SUS-EZO | 16 | 5 | 0.2 | 1260 | 590 | 40000 | 3.79 | |
| 698ZZ-SUS-EZO | 19 | 6 | 0.3 | 2240 | 912 | 37000 | 6.72 | |
| 608ZZ-SUS-EZO | 22 | 7 | 3300 | 1370 | 33000 | 11.6 | ||
| 628ZZ-SUS-EZO | 24 | 8 | 3330 | 1410 | 31000 | 17.2 | ||
| 638ZZ-SUS-EZO | 28 | 9 | 4580 | 1970 | 28000 | 28.4 | ||
| 679ZZS-SUS-EZO | 9 | 14 | 4.5 | 0.1 | 919 | 467 | 41000 | 1.84 |
| 689ZZ-SUS-EZO | 17 | 5 | 0.2 | 1330 | 664 | 37000 | 4.12 | |
| 699ZZ-SUS-EZO | 20 | 6 | 0.3 | 2470 | 1070 | 35000 | 7.59 | |
| 609ZZ-SUS-EZO | 24 | 7 | 3350 | 1430 | 30000 | 14 | ||
| 629ZZ-SUS-EZO | 26 | 8 | 0.6 | 4580 | 1970 | 28000 | 18.9 | |