型号筛选
可选加工(可选)
未生成型号,还有 1 项未选择
重置
代码
无数据
产品选型
代码
无数据
规格
无数据
价格生成中...
图片仅供参考,请以已选的规格为准
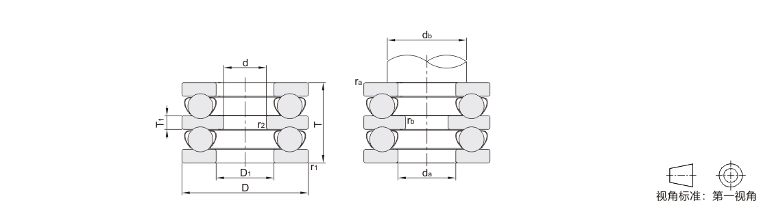
双向推力球轴承 平底座圈型
品牌名称:
怡合达
条件筛选:
产品型号:
未税折扣单价: -- --
含税折扣单价: ----
含税总价 (税率13%): ¥--
预计发货天数:-- 天 (发货天数以下单次日起算,不含周日与法定假日)
购买数量(PCS):
起订量:1PCS
, 加量幅度:1PCS
登录后可查看价格、加入购物车、一键购买
立即登录
价格生成中...
登录后可查看价格、加入购物车、一键购买
立即登录
代码BBM11的技术资料信息曾有所变更,可前往 型号勘误表 查看变更记录
相似商品
同类人气商品
技术图档
全部型号
3D预览
技术图档
材质图
参数图
| 代码 | 类型 | 轴承类型 代码 |
轴承精度 | 轴承材质 | |
| 国标 | 相当 | ||||
| BBM11 | 标准型 | 5 | GB/T307.1 6级 | GCr15 | SUJ2 |

选型表
| 型号 | d | D | D1 (min) |
T | T1 | r1 | r2 | 基本额定载荷(KN) | 容许转速rpm (参考) |
安装尺寸 | 重量(kg) (参考) |
|||||
| 代码 | 轴承型号 | min | min | Cr(动) | Cor(静) | da(min) | db(max) | ra(max) | rb(max) | |||||||
| BBM11 | 52202 | 10 | 32 | 17 | 22 | 5 | 0.6 | 0.3 | 16.5 | 27 | 7000 | 15 | 22 | 0.6 | 0.3 | 0.08 |
| 52204 | 15 | 40 | 22 | 26 | 6 | 22.5 | 40.5 | 6000 | 20 | 28 | 0.15 | |||||
| 52205 | 20 | 47 | 27 | 28 | 7 | 27.6 | 55 | 5300 | 25 | 34 | 0.22 | |||||
| 52305 | 52 | 34 | 8 | 1 | 34.5 | 60 | 4500 | 36 | 1 | 0.33 | ||||||
| 52206 | 25 | 32 | 29 | 7 | 0.6 | 25.5 | 51 | 4800 | 30 | 39 | 0.6 | 0.25 | ||||
| 52306 | 60 | 38 | 9 | 1 | 37.7 | 71 | 3800 | 42 | 1 | 0.47 | ||||||
| 52207 | 30 | 62 | 37 | 34 | 8 | 35.1 | 73.5 | 4000 | 35 | 46 | 0.41 | |||||
| 52208 | 68 | 42 | 36 | 9 | 0.6 | 46.8 | 106 | 3800 | 40 | 51 | 0.6 | 0.55 | ||||
| 52307 | 37 | 44 | 10 | 0.3 | 49.4 | 96.5 | 3200 | 35 | 48 | 0.3 | 0.68 | |||||
| 52308 | 78 | 42 | 49 | 12 | 0.6 | 61.8 | 122 | 3000 | 40 | 55 | 0.6 | 1.05 | ||||
| 52209 | 35 | 73 | 47 | 37 | 9 | 39 | 86.5 | 3600 | 45 | 56 | 0.6 | |||||
| 52309 | 85 | 52 | 12 | 76.1 | 153 | 2800 | 1.25 | |||||||||
| 52210 | 40 | 78 | 52 | 39 | 9 | 49.4 | 116 | 3400 | 50 | 61 | 0.71 | |||||
| 52310 | 95 | 58 | 14 | 1.1 | 88.4 | 190 | 2600 | 68 | 1.75 | |||||||
| 52211 | 45 | 90 | 57 | 45 | 10 | 1 | 61.8 | 146 | 2800 | 55 | 69 | 1.1 | ||||
| 52311 | 105 | 64 | 15 | 1.1 | 104 | 224 | 2200 | 55 | 75 | 2.4 | ||||||
| 52212 | 50 | 95 | 62 | 46 | 10 | 1 | 62.4 | 150 | 60 | 74 | 1.2 | |||||
| 52312 | 110 | 64 | 15 | 1.1 | 101 | 224 | 1600 | 80 | 2.55 | |||||||
| 52213 | 55 | 100 | 67 | 47 | 10 | 1 | 63.7 | 163 | 2600 | 65 | 79 | 1.35 | ||||
| 52214 | 105 | 72 | 1 | 65 | 173 | 70 | 84 | 1 | 1.5 | |||||||
| 52313 | 115 | 67 | 65 | 15 | 1.1 | 0.6 | 106 | 240 | 2000 | 65 | 85 | 0.6 | 2.75 | |||
| 52314 | 125 | 72 | 72 | 16 | 1 | 135 | 320 | 1900 | 70 | 92 | 1 | 3.65 | ||||
| 52215 | 60 | 110 | 77 | 47 | 10 | 1 | 67.6 | 183 | 2400 | 75 | 89 | 1.55 | ||||
| 52315 | 135 | 79 | 18 | 1.5 | 163 | 390 | 1700 | 99 | 1.5 | 4.8 | ||||||
| 52216 | 65 | 115 | 82 | 48 | 10 | 1 | 76.1 | 208 | 2400 | 80 | 94 | 1 | 1.7 | |||
| 52316 | 140 | 79 | 18 | 1.5 | 159 | 390 | 1700 | 104 | 1.5 | 4.95 | ||||||
| 52217 | 70 | 125 | 88 | 55 | 12 | 1 | 97.5 | 275 | 2200 | 85 | 101 | 1 | 2.4 | |||
| 52218 | 75 | 135 | 93 | 62 | 14 | 1.1 | 119 | 325 | 2000 | 90 | 108 | 3.2 | ||||
| 52220 | 85 | 150 | 103 | 67 | 15 | 124 | 345 | 1800 | 100 | 120 | 4.2 | |||||
| 52320 | 170 | 97 | 21 | 1.5 | 229 | 610 | 1400 | 128 | 1.5 | 8.95 | ||||||
| 52222 | 95 | 160 | 113 | 67 | 15 | 1.1 | 130 | 390 | 1700 | 110 | 130 | 1 | 4.65 | |||
| 52224 | 100 | 170 | 123 | 68 | 1.1 | 140 | 440 | 1600 | 120 | 140 | 5.25 | |||||
| 52226 | 110 | 190 | 133 | 80 | 18 | 1.5 | 186 | 585 | 1400 | 130 | 154 | 1.5 | 8 | |||
| 52228 | 120 | 200 | 143 | 81 | 190 | 620 | 140 | 164 | 8.65 | |||||||
1Kgf=9.81N
1. 添加筛选条件,生成产品型号
客服
购物车
公众号
微信公众号
订单/资讯随手掌握
微信技术交流服务群
扫码添加进群
浏览记录
问题反馈
置顶
Copyright © 2010-2026 东莞怡合达自动化股份有限公司 版权所有 粤ICP备14032684号
营业执照: 91441900566614589Q