型号筛选
可选加工(可选)
未生成型号,还有 1 项未选择
重置
代码
无数据
产品选型
代码
无数据
内径d(mm)
无数据
价格生成中...
图片仅供参考,请以已选的规格为准
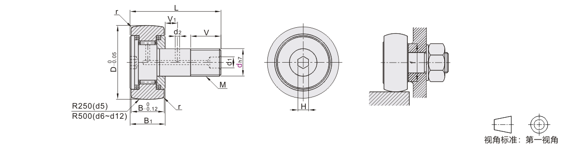
进口型 凸轮轴承随动器 安装方式为内六角孔 内装止推钢球型
品牌名称:
怡合达
条件筛选:
产品型号:
未税折扣单价: -- --
含税折扣单价: ----
含税总价 (税率13%): ¥--
预计发货天数:-- 天 (发货天数以下单次日起算,不含周日与法定假日)
购买数量(PCS):
起订量:1PCS
, 加量幅度:1PCS
登录后可查看价格、加入购物车、一键购买
立即登录
价格生成中...
登录后可查看价格、加入购物车、一键购买
立即登录
代码BPP01的技术资料信息曾有所变更,可前往 型号勘误表 查看变更记录
相似商品
同类人气商品
技术图档
全部型号
3D预览
技术图档
产品选型表
产品问答
产品简介
材质图
参数图
| 代码 | 类型 | 材质 | |||
| 国标 | 相当 | ||||
| BPP01 | 进口型 | 内装止推钢球型 | 球面型 | GCr15 | SUJ2 |

不承诺品牌。
选型表
| 型号 | D | M×螺距 | V | B | B1 | L | d1 | d2 |
V1 |
H | r | f(min) | 基本额定负载(kN) | 最大静态容许 负载(kN) |
容许推力 负载(kN) |
极限转速 (rpm) |
最大紧固扭矩 (N·m) |
重量 (g) |
|||
| 代码 | dh7 | Cr(动) | Cor(静) | ||||||||||||||||||
| BPP01 | 5 | 0 -0.012 |
13 | M5×0.8 | 7.5 | 9 | 10 | 23 | — | — | — | 3 | 0.5 | 10 | 3.14 | 2.77 | 1.42 | 0.16 | 29000 | 1.6 | 10.5 |
| 6 | 0 -0.015 |
16 | M6×1.0 | 9 | 11 | 12 | 28 | 12 | 3.59 | 3.58 | 2.11 | 0.25 | 25000 | 2.7 | 18.5 | ||||||
| 8 | 19 | M8×1.25 | 11 | 32 | 4 | 14 | 4.17 | 4.65 | 4.73 | 0.29 | 20000 | 6.5 | 28.5 | ||||||||
| 10 | 22 | M10×1.25 | 13 | 12 | 13 | 36 | 5 | 1 | 16.5 | 5.33 | 6.78 | 5.81 | 0.40 | 17000 | 13.8 | 45 | |||||
| 12 | 0 -0.018 |
30 | M12×1.5 | 14 | 14 | 15 | 40 | 6 | 3 | 6 | 6 | 1.5 | 21.5 | 7.87 | 9.79 | 9.37 | 0.68 | 14000 | 21.9 | 95 | |
d5~d10没有加工d1、d2润滑孔,不能补充润滑脂。
上表中极限转速数值适用于使用润滑脂润滑的型号,采用油润滑的型号容许使用容许使用上限为上述数值的130%。
产品选型表
|
产品类型 |
安装方式 |
保持架结构 |
外圈形状 |
密封结构 |
油嘴材质 |
油脂类型 |
材质 |
代码 |
产品图示 |
||
|
进口 |
国产标准 |
国产经济 |
|||||||||
|
微型 |
内六角 |
常规带保持架 |
圆柱型 |
开放式 |
/ |
普通油脂 |
SUJ2 |
BPB01 |
/ |
/ |
|
|
SUS440C |
BPB02 |
/ |
/ |
||||||||
|
单列全滚针重载型 |
SUJ2 |
BPB11 |
BPB05 |
E-BPB05 |
|||||||
|
SUS440C |
BPB12 |
BPB06 |
E-BPB06 |
||||||||
|
低尘油脂 |
/ |
BPB07 |
E-BPB07 |
||||||||
|
普通油脂 |
SUS304 |
/ |
BPB08 |
/ |
|||||||
|
低尘油脂 |
/ |
BPB09 |
/ |
||||||||
|
标准型 |
内六角 |
常规带保持架 |
圆柱型 |
开放式 带密封圈 |
铜油嘴 |
普通油脂 |
SUJ2 |
BPF01 |
BPF05 |
E-BPF05 |
|
|
不锈钢油嘴 |
/ |
BPF15 |
E-BPF15 |
||||||||
|
SUS440C |
BPF02 |
BPF06 |
/ |
||||||||
|
低尘油脂 |
/ |
BPF16 |
E-BPF16 |
||||||||
|
普通油脂 |
SUS304 |
/ |
BPF18 |
/ |
|||||||
|
低尘油脂 |
/ |
BPF19 |
E-BPF19 |
||||||||
|
球面型 |
铜油嘴 |
普通油脂
|
SUJ2 |
BPF21 |
BPF25 |
E-BPF25 |
|||||
|
不锈钢油嘴 |
/ |
BPF35 |
E-BPF35 |
||||||||
|
SUS440C |
BPF22 |
BPF26 |
E-BPF26 |
||||||||
|
低尘油脂 |
/ |
BPF36 |
E-BPF36 |
||||||||
|
普通油脂 |
SUS304 |
/ |
BPF38 |
/ |
|||||||
|
低尘油脂 |
/ |
BPF39 |
/ |
||||||||
|
单列全滚针重载型 |
圆柱型 |
铜油嘴 |
普通油脂 |
SUJ2 |
BPF03 |
BPF07 |
E-BPF07 |
||||
|
不锈钢油嘴 |
SUS440C |
/ |
BPF08 |
BPF08 |
|||||||
|
球面型 |
铜油嘴 |
SUJ2 |
BPF23 |
BPF27 |
E-BPF27 |
||||||
|
不锈钢油嘴 |
SUS440C |
/ |
BPF28 |
E-BPF28 |
|||||||
|
单轨道双列滚针重载型 |
圆柱型 |
开放式 |
铜油嘴 |
普通油脂 |
SUJ2 |
/ |
BPG37 |
/ |
|
||
|
球面型 |
SUS440C |
BPG11 |
BPG35 |
/ |
|||||||
|
双轨道双列滚针重载型 |
圆柱型 |
带密封圈 |
普通油脂 |
SUJ2 |
/ |
BPG17 |
E-BPG17 |
||||
|
球面型 |
SUS440C |
/ |
BPG15 |
E-BPG15 |
|||||||
|
标准型 |
一字槽 |
常规带保持架 |
圆柱型 |
开放式 带密封圈 开放式 带密封圈 |
铜油嘴 |
普通油脂 |
SUJ2 |
/ |
BPC05 |
E-BPC05 |
|
|
球面型 |
/ |
BPC25 |
E-BPC25 |
||||||||
|
单列全滚针重载型 |
圆柱型 |
铜油嘴 |
SUJ2 |
/ |
BPC07 |
E-BPC7 |
|||||
|
球面型 |
|
/ |
BPC27 |
E-BPC27 |
|||||||
|
短轴型 |
内六角 |
常规带保持架 |
圆柱型 |
带密封圈 |
/ |
普通油脂 |
SUJ2 |
/ |
BPD05 |
/ |
|
|
球面型 |
BPD21 |
BPD25 |
/ |
||||||||
|
单列全滚针重载型 |
圆柱型 |
/ |
BPD07 |
/ |
|||||||
|
球面型 |
BPD23 |
BPD27 |
/ |
||||||||
|
带偏心轴套型 |
内六角 |
常规带保持架 |
圆柱型 |
开放式 带密封圈 |
铜油嘴 |
普通油脂 |
SUJ2 |
BPG01 |
BPG05 |
/ |
|
|
球面型 |
BPG21 |
BPG25 |
/ |
||||||||
|
单列全滚针重载型 |
圆柱型 |
BPG03 |
BPG07 |
/ |
|||||||
|
球面型 |
BPG23 |
BPG27 |
/ |
||||||||
|
轴偏心型 |
内六角 |
常规带保持架 |
圆柱型 |
开放式 带密封圈 |
铜油嘴 |
普通油脂 |
SUJ2 |
BPK01 |
BPK05 |
/ |
|
|
不锈钢油嘴 |
/ |
BPK15 |
/ |
||||||||
|
SUS440C |
BPK02 |
BPK06 |
/ |
||||||||
|
球面型 |
铜油嘴 |
SUJ2 |
BPK21 |
BPK25 |
/ |
||||||
|
不锈钢油嘴 |
/ |
BPK35 |
/ |
||||||||
|
SUS440C |
BPK22 |
BPK26 |
/ |
||||||||
|
集中注油型 |
一字槽 |
常规带保持架 |
圆柱型 |
开放式 带密封圈 |
/ |
普通油脂 |
SUJ2 |
BPN01 |
BPN05 |
E-BPN05 |
|
|
SUS440C |
BPN02 |
BPN06 |
E-BPN06 |
||||||||
|
球面型 |
SUJ2 |
BPN21 |
BPN25 |
E-BPN25 |
|||||||
|
SUS440C |
BPN22 |
BPN26 |
E-BPN26 |
||||||||
|
内装止推钢球型 |
内六角 |
常规带保持架 |
圆柱型 |
开放式 |
铜油嘴 |
普通油脂 |
SUJ2 |
/ |
BPP06 |
/ |
|
|
球面型 |
BPP01 |
BPP05 |
E-BPP05 |
||||||||
|
胶体外圈型 |
内六角 |
常规带保持架 |
球面型 |
开放式 |
/ |
/ |
本体SUJ2 外圈POM |
BPZ01 |
/ |
/ |
|
|
本体SUJ2 外圈TPU |
BPZ02 |
/ |
/ |
||||||||
产品问答
关于此产品的常见问题
1、凸轮轴承随动器和滚子轴承随动器有什么区别?各有什么优势?
凸轮轴承随动器:相比滚子轴承随动器增加了个轴,可直接穿过孔,用螺母锁紧,使用方便。
滚子轴承随动器:面对凸轮轴承随动器轴不适用情况下可以根据工况设计不同结构的轴。
2、轴承为什么会生锈?为什么我买的不锈钢轴承也会生锈?如何延缓生锈?
轴承大部分是SUJ2材质,材质本身不具备防锈能力。不锈钢SUS440C虽然比SUJ2防锈性能更好,但是属于马氏体不锈钢,本质还是“不锈钢铁”。
保持环境洁净干燥,安装时不直接接触轴承,定期涂抹防锈油维护保养,密封保存均可延缓生锈。如防锈要求非常高可采用做镀层、钝化等方案,具体可向我司咨询。
3、凸轮轴承随动器附带的一个或者两个类似小珠子的是什么?有什么作用?
附件是注油嘴和堵头。
注油嘴:安装在随动器侧面,后续可通过注油嘴重复润滑,通过与随动器过盈配合保证不松动(小尺寸无注油嘴)。
堵头:安装在随动器侧面,防止润滑脂/油漏出,通过与随动器过盈配合保证不松动(小尺寸无堵头)

油嘴 堵头
4、带保持架和全滚针有什么差异?
带保持架:由保持架和滚针组合引导,常规保持架转速高,载荷相对低;
全滚针:轴承无保持架,全部由滚针引导。全滚针载荷高,转速相对低。

5、为什么凸轮轴承随动器运行中润滑脂会渗漏?如何减少或者防止润滑脂的渗漏?
①润滑脂如果是从外圈边缘渗漏是随着轴承运转内部温度升高,轴承里面油脂被挤压出轴承内部,属于正常现象。可以试运行事先运行,擦去渗漏的润滑脂;或者选用带密封圈型减少渗漏;可以咨询我司在内部特定减少油脂添加量;可以询我司选用自润滑结构产品。
②润滑脂如果是从螺杆两端面孔处流出则是注油嘴和堵头未安装好,有间隙导致漏油。
6、外圈容易磨损有什么改善方案?
环境保持洁净,避免灰尘颗粒粘附在接触面上;接触面尽量光滑;在轴承外圈加上润滑,具体可咨询我司自润滑组件。
7、圆柱面和球面有什么差异?各自特点是什么?
球面外圈的轴承应用于缓和因安装误差带来的不均等载荷。
圆柱外圈的轴承与轨道面的接触面积大,适用于负载大而硬度低的滑轨面。
8、为什么凸轮轴承随动器会有卡死或者卡顿现象?
①安装时锁紧力过大,导致轴承挡圈变形;
②安装时用力敲击轴承,导致内部零件错位卡死;
③内部没润滑脂或润滑脂过少,摩擦力增加。
9、为什么凸轮轴承随动器会有凸轮松动或者散架现象?
①安装时用力敲击轴承外圈导致挡圈松动;
②凸轮与工件处没有支撑,随着运行,挡圈出现松动甚至脱落;
③没有使用螺母锁紧,直接锁在螺纹孔中,随着运行,螺纹处出现松动,凸轮与工件处出现间隙,挡圈出现松动甚至脱落。
10、为什么凸轮轴承随动器会有螺杆断裂现象?
①负载过大,导致螺杆受力过大发生变形断裂;
②安装时锁紧力过大,导致螺杆受到的剪切力变大,螺杆发生断裂。
11、为什么凸轮轴承随动器外圈或者螺杆会有径向晃动?如何改善?
轴承内部存在一定的径向游隙,没有游隙的话产品内部会卡死,晃动属于正常现象。可以咨询我司定制游隙小的产品。
12、普通油脂和低尘油脂有何差异?
普通油脂:使用壳牌或长城牌品牌油脂,最高使用温度为120℃左右。
低尘油脂:
①使用THK品牌油脂, 最高使用温度可以达到180℃左右。
②低尘油脂相对普通油脂发尘量小,油脂发尘量对比如图,最适合于半导体行业或高级无尘车间。

产品简介
一、产品概述
凸轮轴承随动器又叫凸轮从动轴承、滚针凸轮导向器、螺栓型滚轮。在厚壁外圈装入滚针且带轴的轴承,是为外圈旋转设计的摩擦系数小、旋转性能优越的轴承。承受较高的径向载荷,广泛用于凸轮机构和搬运装置的直线运动部分。
二、内部结构解释
2.1外圈外径面的形状:外圈球面型和圆柱型
球面外圈的轴承应用于缓和因安装误差带来的不均等载荷,如图2.1.1。
圆柱外圈的轴承与轨道面的接触面积大,适用于负载大而硬度低的滑轨面,如图2.1.2。

图2.1.1 图2.1.2
2.2滚针的引导方式:常规保持架型与全滚针重载型
常规保持架的滚针由保持架组件引导,能适应更高速的使用场景,如图2.2.1。
全滚针型轴承具有尽可能多的滚动体,承载能力比带保持架引导高,转速比保持架引导低,如图2.2.2。

图2.2.1 图2.2.2
三、产品精度
3.1螺杆容许公差
|
分类 |
螺杆直径/mm |
公差/um |
公差标准 |
|
|
超过 |
以下 |
|||
|
微型 |
0 |
3 |
0/-6 |
h6 |
|
3 |
6 |
0/-8 |
||
|
其他 |
0 |
3 |
0/-10 |
h7 |
|
3 |
6 |
0/-12 |
||
|
6 |
10 |
0/-15 |
||
|
10 |
18 |
0/-18 |
||
|
18 |
30 |
0/-21 |
||
3.2外圈容许公差
|
分类 |
外圈直径/mm |
外径公差/um |
宽度公差/mm |
径向跳动max/um |
|
|
|
超过 |
以下 |
|
|
|
|
微型 |
4 |
12 |
0/-8 |
0/-0.12 |
15 |
|
其他圆柱型 |
6 |
18 |
0/-8 |
0/-0.12 |
15 |
|
18 |
30 |
0/-9 |
|
15 |
|
|
30 |
50 |
0/-11 |
|
20 |
|
|
50 |
80 |
0/-13 |
|
25 |
|
|
80 |
120 |
0/-15 |
|
35 |
|
|
其他球面型 |
0 |
∞ |
0/-0.05 |
0/-0.12 |
同圆柱型 |
四、参数释义
4.1 容许转速
轴承随动器的容许转速受安装条件和使用条件的影响,在仅受纯径向负荷时,在实际使用条件下,考虑会有轴向符合作用,dn值如表4.1.1所示。
|
表4.1.1 |
||||
|
|
润滑脂润滑 |
润滑油润滑 |
||
|
|
最大值 |
推荐值 |
最大值 |
推荐值 |
|
常规带保持架 |
84000 |
8400 |
140000 |
14000 |
|
单列全滚针重载型 |
42000 |
4200 |
70000 |
7000 |
|
双列全滚针重载型 |
66000 |
6600 |
110000 |
1100 |
|
注:以上数值不适用于BPZ系列 dn值=d×n d:轴承直径(mm) n:转速(rpm) |
||||
4.2最大静态载荷
凸轮轴承随动器能承受的负荷取决于滚针轴承的额定负荷,但有时取决于杆端的弯曲强度、抗剪强度及外圈的强度。因此,规定了最大静态容许负荷。
4.3径向游隙
凸轮轴承随动器的径向游隙如下表4.3.1
|
表4.3.1 |
||
|
类型 |
内径范围 |
游隙标准/um |
|
微型 |
d1.4~d5 |
3~17 |
|
d6 |
5-20 |
|
|
双列全滚针 |
d16~d24 |
20-45 |
|
d24A~d30 |
25-50 |
|
|
其他 |
d3~d5 |
3~17 |
|
d6 |
5-20 |
|
|
d8~d12 |
5~25 |
|
|
d16~d20 |
10~30 |
|
|
d24~d30 |
10~40 |
|
|
注:以上游隙标准不适用于英制系列及胶体外圈BPZ系列。 |
||
五、润滑
对于随动器,有两个区域需要进行润滑的考虑:内部滚动体与滚道和外部轴承外圈与支承轨道。
部分随动器在出厂时没有预添加好润滑脂,具体请向我司咨询。
对于支承轨道的润滑也可以使用常规的滚动轴承润滑脂进行润滑,如果接触点不能润滑,磨损一定会出现,特别是在重载高速的工况下。
外圈和对方滑轨之间的润滑如果不充分,在某些工作条件下,有时会发生烧结或磨损。尤其是凸轮机构等高速旋转时,需要注意润滑和表面光洁度。
润滑脂填充量建议为轴承内部空间的1/3~1/2左右。补充润滑脂的周期视工况而定,带保持架型、低速工况建议6个月补充一次润滑脂。
建议添加润滑脂品牌如下表5.1。
运行过程中出现润滑脂渗漏为正常现象,建议事先运行,擦去渗漏的润滑脂。
|
表5.1 |
|
|
性价比 |
润滑脂品牌 |
|
进口型 |
壳牌 |
|
标准型 |
壳牌 |
|
经济型 |
长城 |
六、工作温度
凸轮轴承随动器使用温度如表6.1所示。
|
表6.1 |
|||
|
轴承种类 |
开放式 |
带密封圈 |
备注 |
|
微型BPB系列 |
-20~110℃ |
/ |
长期使用建议100℃以下 |
|
胶体外圈BPZ系列 |
-20~50℃ |
/ |
/ |
|
其他 |
-20~120℃ |
-20~80℃ |
开放式长期使用建议100℃以下 带密封圈长期使用建议60℃以下 |
|
注:高于以上推荐使用温度,请向我司咨询。 |
|||
七、安装示意图及注意事项
7.1轴承安装示意图
安装时,请用内六角板手或者一字螺丝刀固定内六角孔或者一字槽孔,然后用开头板手转动螺母拧紧,如图7.1.1。
如图7.1.2不使用螺母进行安装方式,由于没有足够的拧紧扭矩,螺杆松动会因为弯曲应力集中螺纹部从而导致螺杆损坏。
关于偏心杆或偏心轴套凸轮轴承随动器,在承受冲压载荷时,在调节好偏心后建议在杆端开个凹槽,用固定销固定,防止轴承杆转动,如图7.1.3。
偏心轴套的凸轮轴承随动器安装孔长度应该大于图7.1.4中S尺寸,以保证轴承强度。
为了保证轴承有足够支撑,安装孔侧面应大于等于参数表中f尺寸,如图7.1.5。

图7.1.1 图7.1.2 图7.1.3

图7.1.5
7.2注油嘴、堵头安装示意图
将随动器凸轮侧向下竖直放置,将油嘴有倒角一侧朝下(根据工况选择油嘴堵头安装位置)平放在螺杆孔内,用夹具压住油嘴,如图7.2.6,敲击夹具(或使用压合设备),使油嘴安装到位。用类似方法安装堵头在另一侧,安装后如图7.2.7。
放置油嘴/堵头时注意放平,不要倾斜,手动安装时可以先轻敲几下,确认油嘴/堵头没有倾斜后在加大力,使油嘴安装到位。
油嘴/堵头安装后不能拆除,有需要我司安装油嘴可提前沟通。
部分随动器在出厂前没有安装好注油嘴和堵头,需要自行安装。如需我司安装,请向我司咨询。

图7.2.7
7.3安装注意事项
随动器是精密的机械元件,在安装前和安装过程需留意避免灰尘、污染物和潮气入侵。污染物会损害轴承的运行性能和工作寿命。
不要过度冷却轴承,冷凝产生的湿气会导致轴承和轴承座发生锈蚀。
安装区域必须保持清洁和没有灰尘。
安装时不要直接接触产品,避免汗液、水分附着轴承表面,造成锈蚀。后期使用需要定期维护保养。
由于无表面处理,选用轴承钢时,轴承表面易生锈。
请勿用锤子等工具直接敲打轴承的凸轮部位,容易造成旋转卡顿、卡死。
拧紧螺母时要严格遵守参数表中的最大紧固扭矩。如果扭矩过大会造成螺杆断裂。
如果工况有震动或者冲击载荷,螺母可能出现松动,请增加弹簧垫圈、使用防松螺母或双薄螺母。
八、安装孔设计
|
表8.1 |
||||
|
种类 |
孔径/mm |
孔公差/um |
公差标准 |
|
|
超过 |
以下 |
|||
|
微型BPB系列 |
0 |
3 |
0/+6 |
H6 |
|
3 |
6 |
0/+8 |
||
|
其他 |
0 |
3 |
0/+10 |
H7 |
|
3 |
6 |
0/+12 |
||
|
6 |
10 |
0/+15 |
||
|
10 |
18 |
0/+18 |
||
|
18 |
30 |
0/+21 |
||
安装孔推荐配合公差如表8.1。
安装孔倒角建议C0.5左右。
1. 添加筛选条件,生成产品型号
客服
购物车
公众号
微信公众号
订单/资讯随手掌握
微信技术交流服务群
扫码添加进群
浏览记录
问题反馈
置顶
Copyright © 2010-2026 东莞怡合达自动化股份有限公司 版权所有 粤ICP备14032684号
营业执照: 91441900566614589Q