型号筛选
可选加工(可选)
未生成型号,还有 4 项未选择
重置
代码
无数据
参数选型
轴承座材质
无数据
轴承材质
无数据
产品选型
代码
无数据
规格
无数据
价格生成中...
图片仅供参考,请以已选的规格为准
怡合达自营 带座轴承 铸造型 经济型 微型菱形带座轴承
品牌名称:
怡合达
条件筛选:
产品型号:
未税折扣单价: -- --
含税折扣单价: ----
含税总价 (税率13%): ¥--
预计发货天数:-- 天 (发货天数以下单次日起算,不含周日与法定假日)
购买数量():
起订量:0
, 加量幅度:0
登录后可查看价格、加入购物车、一键购买
立即登录
价格生成中...
登录后可查看价格、加入购物车、一键购买
立即登录
代码的技术资料信息曾有所变更,可前往 型号勘误表 查看变更记录
相似商品
同类人气商品
计算选型
技术图档
全部型号
3D预览
技术图档
材质图
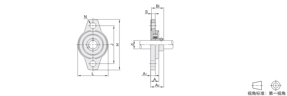
参数图
| 代码 | 类型 | 材质 | ||
| 轴承座 | 轴承 | |||
| E-BDU01 | 经济型 | 螺钉锁紧 | 锌合金 | GCr15 |
| E-BDU04 | SUS304 | SUS420 | ||
轴承内径公差:H7
外形非安装尺寸公差:CT9
使用温度:-10°C~80°C
轴承座与轴承芯为过渡配合,
交货产品轴承芯略有倾斜为正常现象,
安装后锁紧螺栓会自动调正。

选型表
E-BDU04不适用带*规格。
1. 添加筛选条件,生成产品型号
客服
购物车
公众号
微信公众号
订单/资讯随手掌握
微信技术交流服务群
扫码添加进群
浏览记录
问题反馈
置顶
Copyright © 2010-2026 东莞怡合达自动化股份有限公司 版权所有 粤ICP备14032684号
营业执照: 91441900566614589Q