型号筛选
可选加工(可选)
未生成型号,还有 5 项未选择
重置
代码
无数据
参数选型
轴承座表面处理
无数据
产品选型
代码
无数据
轴承型号
无数据
盖板选择
无数据
长度L(mm)
无数据
价格生成中...
图片仅供参考,请以已选的规格为准
怡合达自营 带座轴承 轴承座组件 机加型 标准型 双列角接触轴承+深沟球轴承 标准法兰型 组合型
品牌名称:
怡合达
条件筛选:
产品型号:
未税折扣单价: -- --
含税折扣单价: ----
含税总价 (税率13%): ¥--
预计发货天数:-- 天 (发货天数以下单次日起算,不含周日与法定假日)
购买数量():
起订量:0
, 加量幅度:0
登录后可查看价格、加入购物车、一键购买
立即登录
价格生成中...
登录后可查看价格、加入购物车、一键购买
立即登录
代码的技术资料信息曾有所变更,可前往 型号勘误表 查看变更记录
相似商品
同类人气商品
计算选型
技术图档
全部型号
3D预览
技术图档
产品简介
产品问答
材质图
参数图
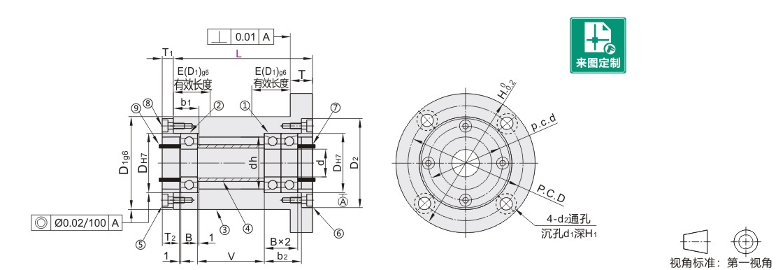
| 代码 |
类型 |
①向心轴承 ②深沟球轴承 |
③固定座 ④内圈用调整环 ⑥油封用盖板/O形圈用盖板 ⑦⑨内圈固定用套环 |
⑧盖板固定用螺丝 |
||
| 材质 | 材质 | 表面处理 | 材质 | 表面处理 | ||
| BJC81 | 组合型 | SUJ2 | S45C | 发黑 | SCM435 | 发黑 |
| BJC82 | 喷细砂无电解镀镍 | SUS304 | — | |||
| BJC85 | 镀铬 | |||||
由于产品批次不同,发货镀镍产品可能存在喷细砂,不影响尺寸及功能。
向心轴承轴承精度: GB/T 307.1 4级
相当于: JIS B 1514 4级
深沟轴承轴承精度: GB/T 307.1 0级
相当于: JIS B 1514 0级

盖板选择

选型表
盖板参数
| 轴承 型号 |
⑤⑥盖板部详情 | ⑥盖板部详情 | ⑧ 盖板 固定 用螺栓 |
④ 内圈用调整环详情 |
⑦ 固定用轴环一详情 |
⑨ 固定用轴环二详情 |
|||||||||||||||||||||||
| D | D2 |
dh | T1 | T2 | p.c.d | d3 | d4 | t2 | N(标准盖板) | S(油封用盖板) | R(O形圈用盖板) | 外径 | 内径 | 长度V | 外径 | 内径 | 长度 | 外径 | 内径 | 长度 | |||||||||
| d5 | S1 | S2 | St | 附件油封 | Ra | Rb | Rt | r | 附件 O形圈 |
||||||||||||||||||||
| 7002 | 32 | 48 | 28 | 6 | 8 | 40 | 6.5 | 3.5 | 3.1 | 21 | 32 | 22 | 5 | XUE01-20-32-5 | 24 | 20 | 3.2 | 0.4 | XTC01-20 | M3-8 | 20 | 15 | L-38 | 20 | 15 | 8.5 | 20 | 15 | 9.5 |
| 7003 | 35 | 31 | 17 | L-41 | 17 | 17 | |||||||||||||||||||||||
| 7004 | 42 | 58 | 36 | 7 | 9 | 48 | 8 | 4.5 | 4.1 | 26 | 35 | 27 | 6 | XUE01-25-35-6 | 31 | 25 | 4.7 | 0.7 | XTC01-25 | M4-10 | 25 | 20 | L-48 | 25 | 20 | 9.5 | 25 | 20 | 10.5 |
| 7005 | 47 | 63 | 41 | 8 | 10 | 53 | 31 | 40 | 32 | 7 | XUE01-30-40-7 | 36 | 30 | XTC01-30 | 30 | 25 | L-49 | 30 | 25 | 30 | 25 | ||||||||
| 7006 | 55 | 78 | 48 | 64 | 9.5 | 5.5 | 5.1 | 41 | 50 | 42 | 6.5 | XUE01-40-50-6 | 41 | 35 | XTC01-35 | M5-12 | 40 | 30 | L-52 | 40 | 30 | 10.5 | 40 | 30 | 11.5 | ||||
| 7007 | 62 | 84 | 55 | 9 | 11 | 72 | 46 | 60 | 47 | 9 | XUE01-45-60-9 | 46 | 40 | XTC01-40 | 45 | 35 | L-56 | 45 | 35 | 45 | 35 | ||||||||
| 7008 | 68 | 92 | 60 | 78 | 11 | 6.6 | 6.1 | 51 | 65 | 52 | XUE01-50-65-9 | 51 | 45 | XTC01-45 | M6-12 | 50 | 40 | L-59 | 50 | 40 | 11.5 | 50 | 40 | 12.5 | |||||
| 7009 | 75 | 98 | 69 | 85 | 56 | 70 | 57 | XUE01-55-70-9 | 56 | 50 | XTC01-50 | 55 | 45 | L-62 | 55 | 45 | 55 | 45 | |||||||||||
| 7010 | 80 | 101 | 74 | 11 | 13 | 88 | 61 | 75 | 62 | XUE01-60-75-9 | 70 | 60 | 7.5 | 0.8 | XTC01-60 | M6-15 | 60 | 50 | L-64 | 60 | 50 | 13.5 | 60 | 50 | 14.5 | ||||
产品简介
产品问答
关于此产品的常见问题
1、不锈钢轴承是否不会生锈?
并不是绝对不会生锈,但在大多数环境下比其他钢材更耐腐蚀。 不锈钢轴承的耐腐蚀性优异,但在特定条件下仍可能生锈。
不锈钢轴承的耐腐蚀性取决于其材质和所处环境。不同种类的不锈钢轴承对不同环境的抵抗能力不同。
2、不锈钢轴承的性能与常规轴承钢相比如何?
不锈钢轴承根据元素配比有多种牌号,如SUS420及SUS440C与轴承钢相比硬度、转速、载荷等性能较接近,SUS304及SUS316与轴承钢相比硬度较低易变形、只能用于低转速低承载工况。
3、高负载的使用条件,选择哪种类型的轴承座组件比较好?
双轴承型轴承座组件适用于负载较大的使用环境,为转轴等传动类商品保持固定。
4、轴与轴承座组件装配后,轴向有明显窜动,如何解决?
如需轴向紧固轴承,建议使用固定环、螺帽等。选择轴向紧固用固定环、螺帽等时,请注意避让C型挡圈。
5、与轴承座组件配合使用的轴类零件应选择何种公差?
推荐选择g6公差转轴。
6、轴承座组件所使用的轴承是什么品牌?
不承诺轴承的品牌。
1. 添加筛选条件,生成产品型号
客服
购物车
公众号
微信公众号
订单/资讯随手掌握
微信技术交流服务群
扫码添加进群
浏览记录
问题反馈
置顶
Copyright © 2010-2026 东莞怡合达自动化股份有限公司 版权所有 粤ICP备14032684号
营业执照: 91441900566614589Q