图片仅供参考,请以已选的规格为准
怡合达自营 带座轴承 轴承座组件 机加型 经济型 单轴承 高度h选择型/h指定型 单轴承L型
品牌名称:
怡合达
条件筛选:
产品型号:
未税折扣单价: -- --
含税折扣单价: ----
含税总价 (税率13%): ¥--
预计发货天数:-- 天 (发货天数以下单次日起算,不含周日与法定假日)
购买数量():
起订量:0
, 加量幅度:0
登录后可查看价格、加入购物车、一键购买
立即登录
价格生成中...
登录后可查看价格、加入购物车、一键购买
立即登录
代码的技术资料信息曾有所变更,可前往 型号勘误表 查看变更记录
相似商品
同类人气商品
计算选型
型号筛选
可选加工(可选)
未生成型号,还有 7 项未选择
重置
代码
无数据
参数选型
尺寸选择
无数据
轴承座材质
无数据
轴承座表面处理
无数据
轴承材质
无数据
产品选型
代码
无数据
轴承型号
无数据
中心高度h(mm)
价格生成中...
技术图档
全部型号
3D预览
技术图档
可选加工
材质图
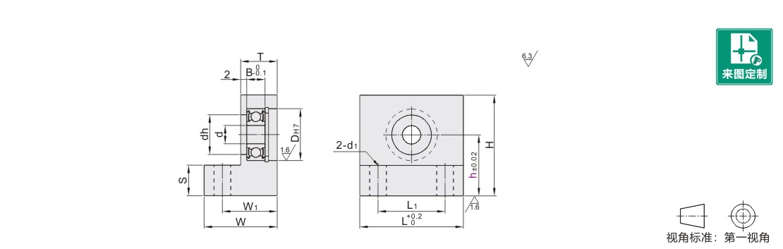
参数图
| 代码 |
类型 |
材质 |
表面处理 | ||
| 轴承 | 轴承座 | 挡圈 | 轴承座 | ||
| E-BGF01 | 高度h选择型 | 钢 | S45C | 弹簧钢 | 发黑 |
| E-BGF02 | SUS304 | 无电解镀镍 | |||
| E-BGF03 | A6061 | 本色阳极氧化(哑光) | |||
| E-BGF04 | 不锈钢 |
||||
| E-BGF06 | SUS304 | — | |||
| E-BGF11 | 高度h指定型 | 钢 | S45C |
弹簧钢 | 发黑 |
| E-BGF12 | SUS304 |
无电解镀镍 | |||
| E-BGF13 | A6061 | 本色阳极氧化(哑光) | |||
| E-BGF16 | 不锈钢 | SUS304 | — | ||
由于产品批次不同,发货镀镍产品可能存在喷细砂,不影响尺寸及功能。
轴承精度 :GB/T 307.1 0 级
相当于 :JIS B 1514 0 级

选型表
※ VV(非接触式橡胶密封圈)不适用于型号为623、624、605、606的轴承。
※ VV(非接触式橡胶密封圈)、DD(接触式橡胶密封圈)、轴承材质为钢。
请注意避让挡圈,挡圈(TBP21/22/23)尺寸详见怡合达电商平台。
可选加工

1. 添加筛选条件,生成产品型号
客服
购物车
公众号
微信公众号
订单/资讯随手掌握
微信技术交流服务群
扫码添加进群
浏览记录
问题反馈
置顶
Copyright © 2010-2026 东莞怡合达自动化股份有限公司 版权所有 粤ICP备14032684号
营业执照: 91441900566614589Q