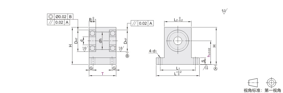
图片仅供参考,请以已选的规格为准
怡合达自营 带座轴承 轴承座组件 机加型 标准型 双轴承 低发尘用深沟球轴承 T型•双轴承
品牌名称:
怡合达
条件筛选:
产品型号:
未税折扣单价: -- --
含税折扣单价: ----
含税总价 (税率13%): ¥--
预计发货天数:-- 天 (发货天数以下单次日起算,不含周日与法定假日)
购买数量():
起订量:0
, 加量幅度:0
登录后可查看价格、加入购物车、一键购买
立即登录
价格生成中...
登录后可查看价格、加入购物车、一键购买
立即登录
代码的技术资料信息曾有所变更,可前往 型号勘误表 查看变更记录
相似商品
同类人气商品
计算选型
型号筛选
可选加工(可选)
未生成型号,还有 5 项未选择
重置
代码
无数据
参数选型
尺寸选择
无数据
产品选型
代码
无数据
轴承型号
无数据
T
无数据
h
价格生成中...
技术图档
全部型号
3D预览
技术图档
可选加工
材质图
参数图
| 代码 | 类型 |
材质 | 表面处理 | ||
| 轴承 | 轴承座 | 轴承座 | |||
| BFD24 | T型 | T·h选择型 | 不锈钢 | A6061 | 喷细砂本色阳极氧化 |
| BFD34 | T选择h指定型 | ||||
轴承内部封入低尘润滑脂。
轴承精度:GB/T 307.1 0 级
相当于 :JIS B 1514 0 级

选型表
可选加工

1. 添加筛选条件,生成产品型号
客服
购物车
公众号
微信公众号
订单/资讯随手掌握
微信技术交流服务群
扫码添加进群
浏览记录
问题反馈
置顶
Copyright © 2010-2026 东莞怡合达自动化股份有限公司 版权所有 粤ICP备14032684号
营业执照: 91441900566614589Q