
型号筛选
可选加工(可选)
未生成型号,还有 2 项未选择
重置
代码
无数据
产品选型
代码
无数据
规格
无数据
规格1
无数据
价格生成中...
图片仅供参考,请以已选的规格为准
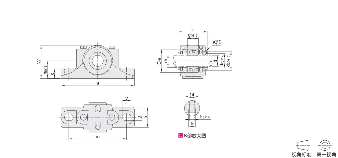
剖分式轴承座 铸造型 SN300系列 立式 HT200灰铸铁材质
条件筛选:
产品型号:
未税折扣单价: -- --
含税折扣单价: ----
含税总价 (税率13%): ¥--
预计发货天数:-- 天 (发货天数以下单次日起算,不含周日与法定假日)
购买数量(PCS):
起订量:1PCS
, 加量幅度:1PCS
登录后可查看价格、加入购物车、一键购买
立即登录
价格生成中...
登录后可查看价格、加入购物车、一键购买
立即登录
代码BDJ52的技术资料信息曾有所变更,可前往 型号勘误表 查看变更记录
相似商品
同类人气商品
计算选型
技术图档
全部型号
3D预览
产品问答
材质图
参数图
产品问答
关于此产品的常见问题
1、铸造座外形尺寸是否可以做定位尺寸?
不可以!铸造座外形尺寸公差为CT9,公差较大,不适用于做定位。
2、过渡配合与间隙配合的区别?
过渡配合轴承芯与轴承座为紧配合,调心需要通过轴施加力矩调心;间隙配合轴承芯与轴承座为松配合。
3、轴承座安装注意事项。
带座轴承的正确安装顺序:先安装座,在安装轴。原则上轴承座可以安装在任何地方,但为了保证轴承的使用寿命,安装面必须平坦,牢固。
1. 添加筛选条件,生成产品型号
客服
购物车
公众号
微信公众号
订单/资讯随手掌握
微信技术交流服务群
扫码添加进群
浏览记录
问题反馈
置顶
Copyright © 2010-2025 东莞怡合达自动化股份有限公司 版权所有 粤ICP备14032684号
营业执照: 91441900566614589Q