型号筛选
可选加工(可选)
未生成型号,还有 3 项未选择
重置
代码
无数据
产品选型
代码
无数据
外径D(mm)
无数据
外径d(mm)
无数据
轴孔径e(mm)
无数据
价格生成中...
图片仅供参考,请以已选的规格为准
螺旋弹簧型联轴器 螺钉固定型 锌合金
条件筛选:
产品型号:
未税折扣单价: -- --
含税折扣单价: ----
含税总价 (税率13%): ¥--
预计发货天数:-- 天 (发货天数以下单次日起算,不含周日与法定假日)
购买数量(PCS):
起订量:1PCS
, 加量幅度:1PCS
登录后可查看价格、加入购物车、一键购买
立即登录
价格生成中...
登录后可查看价格、加入购物车、一键购买
立即登录
代码DFB01的技术资料信息曾有所变更,可前往 型号勘误表 查看变更记录
引导式选型
技术图档
全部型号
3D预览
技术图档
产品简介
材质图
参数图
| 代码 | 类型 | 主体材质 | 附件 |
| DFB01 | 螺钉固定型 | 锌合金 | 内六角紧定螺钉 |
特点
柔性极高的微型精密联轴器;
采用一体化结构,无间隙传动;
弹性体部分采用绕行不锈钢;
轴孔全部采用顶丝紧固;
承受温度:-40C~120℃;
适用场合:编码器、微型电机、微型传动轴、微型传感器、轴偏差较大的微型精密场合。

选型表
| 型号 |
d-e |
|||||||||||||||||||||||
| 代码 | D | |||||||||||||||||||||||
| DFB01 | 16 | d | 5 | 6 | 6.35 | 7 | 8 | 9 | 10 | |||||||||||||||
| e | 5 6 6.35 7 8 9 10 | 6 6.35 7 8 9 10 | 6.35 7 8 9 10 | 7 8 9 10 | 8 9 10 | 9 10 | 10 | |||||||||||||||||
| 16L | d | 5 | 6 | 6.35 | 7 | 8 | 9 | 10 | ||||||||||||||||
| e | 5 6 6.35 7 8 9 10 | 6 6.35 7 8 9 10 | 6.35 7 8 9 10 | 7 8 9 10 | 8 9 10 | 9 10 | 10 | |||||||||||||||||
| 26 | d | 6 | 6.35 | 7 | 8 | 9 | 10 | 11 | 12 | 12.7 | 14 | |||||||||||||
| e | 6 6.35 7 8 9 10 11 12 12.7 14 | 6.35 7 8 9 10 11 12 12.7 14 | 7 8 9 10 11 12 12.7 14 | 8 9 10 11 12 12.7 14 | 9 10 11 12 12.7 14 | 10 11 12 12.7 14 | 11 12 12.7 14 | 12 12.7 14 | 12.7 14 | 14 | ||||||||||||||
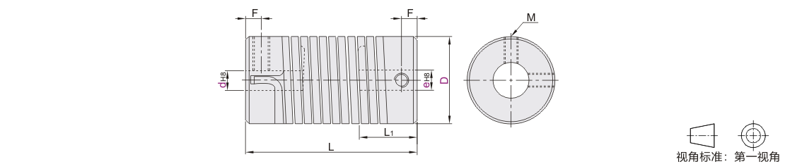
尺寸性能表
| 型号 | L | L1 | F | M | 锁紧扭矩 (N·m) |
额定扭矩 (N·m) |
最高转速 (r/min) |
惯性力矩 (kg·m²) |
容许安装偏差 | 重量 (g) |
|||
| 代码 | D | 径向(mm) | 角向(°) | 轴向(mm) | |||||||||
| DFB01 | 16 | 25 | 11.45 | 4 | M4 | 0.7 | 0.5 | 3000 | 1.02×10⁻⁶ | 1 | 8 | ±1 | 30 |
| 16L | 35 | 12.5 | 1.7 | 70 | |||||||||
| 26 | 50 | 17 | 5 | M5 | 4 | 1.5 | 1.15×10⁻⁵ | 3 | 130 | ||||
惯性力矩和重量按最大孔径计算。
产品简介
1. 添加筛选条件,生成产品型号
客服
购物车
小程序
怡合达商城小程序
随身商城一手掌握
公众号
微信公众号
订单/资讯随手掌握
微信技术交流服务群
扫码添加进群
浏览记录
问题反馈
置顶
Copyright © 2010-2026 东莞怡合达自动化股份有限公司 版权所有 粤ICP备14032684号
营业执照: 91441900566614589Q