型号筛选
可选加工(可选)
未生成型号,还有 3 项未选择
重置
代码
无数据
产品选型
代码
无数据
外径D(mm)
无数据
外径d(mm)
无数据
轴孔径e(mm)
无数据
价格生成中...
图片仅供参考,请以已选的规格为准
树脂型联轴器 螺钉固定型
条件筛选:
产品型号:
未税折扣单价: -- --
含税折扣单价: ----
含税总价 (税率13%): ¥--
预计发货天数:-- 天 (发货天数以下单次日起算,不含周日与法定假日)
购买数量(PCS):
起订量:1PCS
, 加量幅度:1PCS
登录后可查看价格、加入购物车、一键购买
立即登录
价格生成中...
登录后可查看价格、加入购物车、一键购买
立即登录
代码DCX01的技术资料信息曾有所变更,可前往 型号勘误表 查看变更记录
引导式选型
技术图档
全部型号
3D预览
技术图档
产品简介
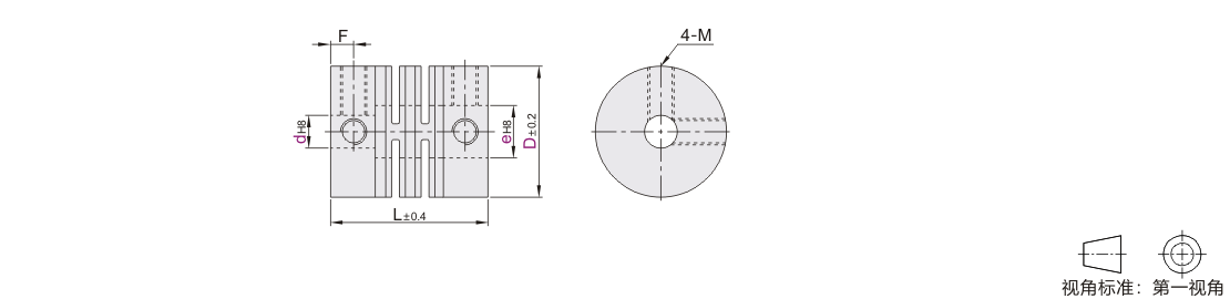
材质图
参数图
| 代码 | 类型 | 材质 | 附件 | |
| 主体 | ||||
| DCX01 | 树脂型 | 螺钉固定型 | 树脂 | 内六角紧定螺钉 |

选型表
| 型号 | d-e | |||||
| 代码 | D | |||||
| DCX01 | 15 |
|
||||
尺寸性能表
| 型号 | L | F | M | 锁紧扭矩 (N·m) |
额定扭矩 (N·m) |
最大扭矩 (N·m) |
最高转速 (r/min) |
惯性力矩 (kg·m²) |
静态扭转刚性 (N·m/rad) |
容许安装偏差 | 重量 (g) |
||
| 代码 | D | 径向(mm) | 角向(°) | ||||||||||
| DCX01 | 15 | 21 | 3.5 | M3 | 0.2 | 0.12 | 0.24 | 5000 | 1×10⁻⁷ | 12 | 0.2 | 2 | 4 |
惯性力矩和重量按最大孔计算!
产品简介
1. 添加筛选条件,生成产品型号
客服
购物车
小程序
怡合达商城小程序
随身商城一手掌握
公众号
微信公众号
订单/资讯随手掌握
微信技术交流服务群
扫码添加进群
浏览记录
问题反馈
置顶
Copyright © 2010-2026 东莞怡合达自动化股份有限公司 版权所有 粤ICP备14032684号
营业执照: 91441900566614589Q