型号筛选
可选加工(可选)
未生成型号,还有 5 项未选择
重置
代码
无数据
参数选型
膜片
无数据
产品选型
代码
无数据
外径Dmm
无数据
轴孔径dmm
无数据
轴孔径emm
无数据
价格生成中...
图片仅供参考,请以已选的规格为准
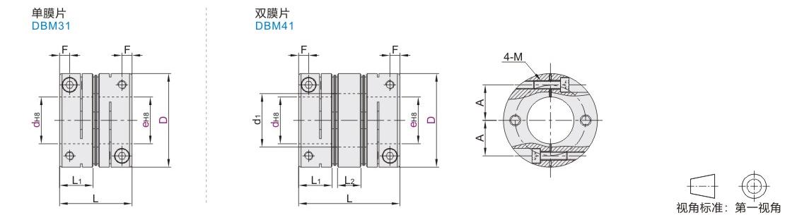
膜片式联轴器 螺钉夹紧型 不锈钢 单/双膜片 双侧夹紧
条件筛选:
产品型号:
未税折扣单价: -- --
含税折扣单价: ----
含税总价 (税率13%): ¥--
预计发货天数:-- 天 (发货天数以下单次日起算,不含周日与法定假日)
购买数量():
起订量:0
, 加量幅度:0
登录后可查看价格、加入购物车、一键购买
立即登录
价格生成中...
登录后可查看价格、加入购物车、一键购买
立即登录
代码的技术资料信息曾有所变更,可前往 型号勘误表 查看变更记录
相似商品
同类人气商品
引导式选型
技术图档
全部型号
3D预览
技术图档(二)
可选加工参数
产品简介
产品问答
材质图
参数图
材质图
参数图
| 代码 |
类型 |
材质 |
表面处理 | 附件 |
||
| 主体 | 膜片 | 主体 | ||||
| DBM31 | 螺钉夹紧型 | 单膜片 | 不锈钢 | 不锈钢 | 一 | 内六角 圆柱头螺钉 |
| DBM41 | 双膜片 | |||||

DBM31~41
| 型号 | d-e | ||||||||||||||
| 代码 | D | ||||||||||||||
| 单膜片 DBM31 双膜片 DBM41 |
15 | d | 3 | 4 | 5 | ||||||||||
| e | 3 4 5 | 4 5 | 5 | ||||||||||||
| 19 | d | 4 | 5 | 6 | 8 | ||||||||||
| e | 4 5 6 8 | 5 6 8 | 6 8 | 8 | |||||||||||
| 25 | d | 5 | 6 | 8 | 10 | 11 | 12 | ||||||||
| e | 5 6 8 10 11 12 | 6 8 10 11 12 | 8 10 11 12 | 10 11 12 11 | 11 12 | 12 | |||||||||
| 27 | d | 6 | 8 | 10 | 11 | 12 | 14 | ||||||||
| e | 6 8 10 11 12 14 | 8 10 11 12 14 | 10 11 12 14 | 11 12 14 | 12 14 | 14 | |||||||||
| 34 | d | 6 | 8 | 10 | 11 | 12 | 14 | 15 | 16 | ||||||
| e | 6 8 10 11 12 14 15 16 | 8 10 11 12 14 15 16 | 10 11 12 14 15 16 | 11 12 14 15 16 | 12 14 15 16 | 14 15 16 | 15 16 | 16 | |||||||
| 39 | d | 8 | 10 | 11 | 12 | 14 | 15 | 16 | 18 | 19 | 20 | ||||
| e | 8 10 11 12 14 15 16 18 19 20 | 10 11 12 14 15 16 18 19 20 | 11 12 14 15 16 18 19 20 | 12 14 15 16 18 19 20 | 14 15 16 18 19 20 | 15 16 18 19 20 | 16 18 19 20 | 18 19 20 | 19 20 | 20 | |||||
| 44 | d | 8 | 10 | 11 | 12 | 14 | 15 | 16 | 18 | 19 | 20 | 22 | |||
| e | 8 10 11 12 14 15 16 18 19 20 22 | 10 11 12 14 15 16 18 19 20 22 | 11 12 14 15 16 18 19 20 22 | 12 14 15 16 18 19 20 22 | 14 15 16 18 19 20 22 | 15 16 18 19 20 22 | 16 18 19 20 22 | 18 19 20 22 | 19 20 22 | 20 22 | 22 | ||||
| 56 | d | 10 | 11 | 12 | 14 | 15 | 16 | 18 | 19 | 20 | 22 | 24 | 25 | 28 | |
| e | 10 11 12 14 15 16 18 19 20 22 24 25 28 | 11 12 14 15 16 18 19 20 22 24 25 28 | 12 14 15 16 18 19 20 22 24 25 28 | 14 15 16 18 19 20 22 24 25 28 | 15 16 18 19 20 22 24 25 28 | 16 18 19 20 22 24 25 28 | 18 19 20 22 24 25 28 | 19 20 22 24 25 28 | 20 22 24 25 28 | 22 24 25 28 | 24 25 28 | 25 28 | 28 | ||
尺寸性能表
| 型号 | L |
L1 |
L2 | d1 |
F |
A |
M |
锁紧扭矩 (N·m) |
额定扭矩 (N·m) |
最大扭矩 (N·m) |
最高转速 (r/min) |
惯性力矩 (kg·m2) |
静态扭转网刚性 (N·m/rad) |
容许安装偏差 |
重量(g) |
|||||
| 代码 | D | 径向(mm) | 角向(°) | 轴向(mm) | ||||||||||||||||
| 单膜片 DBM31 |
15 | 16.7 | 7.5 | 一 | 一 | 2.3 | 5.25 | M2 | 0.5 | 0.5 | 1 | 42000 | 2.3×10⁻7 | 500 | 0.02 | 0.5 | ±0.1 | 15 | ||
| 19 | 19.7 | 9 | 2.5 | 7.1 | 1 | 2 | 33000 | 7.4×10⁻7 | 1000 | 1 | 29 | |||||||||
| 25 | 23.8 | 11 | 3.5 | 9.25 | M2.5 | 1 | 1.2 | 2.4 | 25000 | 2.8×10⁻6 | 1500 | ±0.2 | 53 | |||||||
| 27 | 10.25 | 1.5 | 3 | 23000 | 3.8×10⁻6 | 2100 | 67 | |||||||||||||
| 34 | 26.2 | 12 | 4 | 13 | M3 | 1.5 | 3.5 | 7 | 18000 | 1.1×10⁻5 | 3800 | 115 | ||||||||
| 39 | 33.1 | 15 | 5 | 14.5 | M4 | 3.5 | 5 | 10 | 16000 | 2.3×10⁻5 | 5500 | ±0.3 | 185 | |||||||
| 44 | 17 | 7 | 14 | 14000 | 3.9×10⁻5 | 7000 | 305 | |||||||||||||
| 56 | 43.5 | 20 | 6 | 21.25 | M5 | 8 | 15 | 30 | 11000 | 1.4×10⁻4 | 15000 | ±0.4 | 610 | |||||||
| 双膜片 DBM41 |
15 | 23.4 | 7.5 | 5 | 5.1 | 2.3 | 5.25 | M2 | 0.5 | 0.5 | 1 | 42000 | 5.0×10⁻7 | 300 | 0.05 | ±0.2 | 20 | |||
| 19 | 26.9 | 9 | 5.5 | 8.5 | 2.5 | 7.1 | 1 | 2 | 33000 | 1.6×10⁻6 | 550 | 0.15 | 2 | 38 | ||||||
| 25 | 32.6 | 11 | 7 | 12.5 | 3.5 | 9.25 | M2.5 | 1 | 1.2 | 2.4 | 25000 | 6.1×10⁻6 | 1100 | 0.2 | ±0.4 | 71 | ||||
| 27 | 14.5 | 10.25 | 1.5 | 3 | 23000 | 8.2×10⁻6 | 1300 | 88 | ||||||||||||
| 34 | 37.4 | 12 | 9 | 16.5 | 4 | 13 | M3 | 1.5 | 3.5 | 7 | 18000 | 2.5×10⁻5 | 1800 | 0.25 | ±0.6 | 160 | ||||
| 39 | 47.2 | 15 | 11 | 20.5 | 14.5 | M4 | 5 | 10 | 16000 | 5.1×10⁻5 | 3500 | 0.3 | 260 | |||||||
| 44 | 23 | 5 | 17 | 3.5 | 7 | 14 | 14000 | 8.9×10⁻5 | 5500 | 400 | ||||||||||
| 56 | 61 | 20 | 14 | 28.5 | 6 | 21.25 | M5 | 8 | 15 | 30 | 11000 | 2.9×10⁻4 | 10000 | ±0.8 | 800 | |||||
惯性力矩和重量按最大孔径计算。
可选加工参数

产品简介
产品问答
关于此产品的常见问题
1、不同材质的本体应该怎么选?
膜片式联轴器本体材质主要为铝合金、不锈钢和碳钢,铝合金材质适用于运转稳定、轻微冲撞的工况,刚性和惯性力矩小;
不锈钢和碳钢适用于冲撞相对大的工况,刚性和惯性力矩大,其中不锈钢适用于对防锈和防腐蚀要求高的工况。
2、膜片式联轴器的寿命一般是多长?
联轴器的使用寿命跟使用工况息息相关,包括环境因素,负载情况,维护保养情况,工作频率。
在正常的使用条件下,联轴器在整个寿命周期内能传递大于一百万次的动态载荷。
3、导致膜片断裂的原因是什么?
1、安装轴的同心度超出所选联轴器的容差范围
2、出现瞬时过载扭矩超出联轴器最大扭矩的情况
3、所选联轴器的扭矩不满足工况使用
4、安装联轴器时,轴超过膜片位置,导致运转时,膜片受轴挤压断裂
4、膜片联轴器能能否承受轴向力?
膜片联轴器虽然为挠性联轴器,能容许一定的轴向偏差,但联轴器主要用于扭矩传递,在传递扭矩的同时受轴向力,将大大减弱膜片的扭矩传递性能,影响联轴器的使用寿命。
1. 添加筛选条件,生成产品型号
客服
购物车
公众号
微信公众号
订单/资讯随手掌握
微信技术交流服务群
扫码添加进群
浏览记录
问题反馈
置顶
Copyright © 2010-2025 东莞怡合达自动化股份有限公司 版权所有 粤ICP备14032684号
营业执照: 91441900566614589Q