型号筛选
可选加工(可选)
未生成型号,还有 7 项未选择
重置
代码
无数据
参数选型
类型
无数据
轴锁紧方式
无数据
产品选型
代码
无数据
外径Dmm
无数据
轴孔径dmm
无数据
轴孔径emm
无数据
总长度Lmm
无数据
价格生成中...
图片仅供参考,请以已选的规格为准
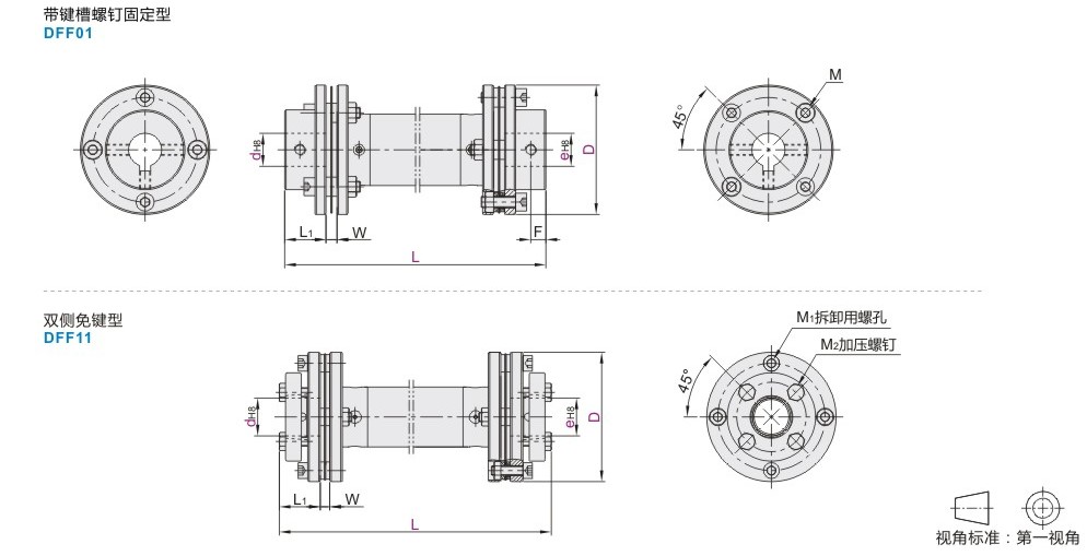
长跨距膜片式联轴器 带键槽螺钉固定型/双侧免键型 碳钢 发黑
条件筛选:
产品型号:
未税折扣单价: -- --
含税折扣单价: ----
含税总价 (税率13%): ¥--
预计发货天数:-- 天 (发货天数以下单次日起算,不含周日与法定假日)
购买数量():
起订量:0
, 加量幅度:0
登录后可查看价格、加入购物车、一键购买
立即登录
价格生成中...
登录后可查看价格、加入购物车、一键购买
立即登录
代码的技术资料信息曾有所变更,可前往 型号勘误表 查看变更记录
相似商品
同类人气商品
引导式选型
技术图档
全部型号
3D预览
技术图档(二)
产品简介
产品问答
材质图
参数图
材质图
参数图
| 代码 | 类型 | 材质 | 表面处理 | 附件 | |
| 主体 | 膜片 | 主体 | |||
| DFF01 | 带键槽螺钉固定型 | S45C | 不锈钢 | 发黑 | 内六角紧定螺钉 |
| DFF11 | 双侧免键型 | 外六角螺栓 | |||

DFF01~11
| 型号 | d-e |
L | ||||||||||||
| 代码 | D | |||||||||||||
|
单膜片
双膜片 |
68 |
d | 14 | 16 | 18 | 19 | 20 | 22 | 24 | 25 |
700 1000 3000 |
|||
| e | 14 16 18 19 20 22 24 25 | 16 18 19 20 22 24 25 | 18 19 20 22 24 25 | 19 20 22 24 25 | 20 22 24 25 | 22 24 25 | 24 25 | 25 |
||||||
| 82 | d | 16 | 18 | 19 | 20 | 22 | 24 | 25 | 28 | 30 |
||||
| e | 16 18 19 20 22 24 25 28 30 | 18 19 20 22 24 25 28 30 | 19 20 22 24 25 28 30 | 20 22 24 25 28 30 | 22 24 25 28 30 | 24 25 28 30 | 25 28 30 | 28 30 | 30 |
|||||
| 94 | d | 19 | 20 | 22 | 24 | 25 | 28 | 30 | 35 | 38 | ||||
| e | 19 20 22 24 25 28 30 35 38 | 20 22 24 25 28 30 35 38 | 22 24 25 28 30 35 38 | 24 25 28 30 35 38 | 25 28 30 35 38 | 28 30 35 38 | 30 35 38 | 35 38 | 38 | |||||
| 104 | d | 20 | 22 | 24 | 25 | 28 | 30 | 32 | 35 | 38 | 40 | 42 | ||
| e | 20 22 24 25 28 30 32 35 38 40 42 | 22 24 25 28 30 32 35 38 40 42 | 24 25 28 30 32 35 38 40 42 | 25 28 30 32 35 38 40 42 | 28 30 32 35 38 40 42 | 30 32 35 38 40 42 | 32 35 38 40 42 | 35 38 40 42 | 38 40 42 | 40 42 | 42 | |||
| 126 | d | 30 | 32 | 35 | 38 | 40 | 42 | 45 | 48 | 50 | ||||
| e | 30 32 35 38 40 42 45 48 50 | 32 35 38 40 42 45 48 50 | 35 38 40 42 45 48 50 | 38 40 42 45 48 50 | 40 42 45 48 50 | 42 45 48 50 | 45 48 50 | 48 50 | 50 | |||||
| 144 | d | 40 | 42 | 45 | 48 | 50 | 52 | 55 | 60 | |||||
| e | 40 42 45 48 50 52 55 60 | 42 45 48 50 52 55 60 | 45 48 50 52 55 60 | 48 50 52 55 60 | 50 52 55 60 | 52 55 60 | 55 60 | 60 | ||||||
尺寸性能表
| 型号 |
L1 |
W |
F |
M |
锁紧扭矩 (N.m) |
额定扭矩 (N.m) |
最大扭矩 (N.m) |
容许安装偏差 |
静态扭转刚性 (N.m/rad) |
惯性力矩 (kg/m²) |
最高转速 (r/min) |
|||
| 代码 | D | 角向(°) | 径向(mm) | 轴向(mm) | ||||||||||
| 带键槽螺钉 固定型 DFF01 |
68 | 30 | 6 | 11 | M6 | 7 | 55 | 110 | 1.5 | 0.04 | ±0.8 | 19×10³ | 0.81×10⁻³ | 9500 |
| 82 | 14 | 80 | 160 | 58×10³ | 2.4×10⁻³ | 8800 | ||||||||
| 94 | 8 | M8 | 34 | 170 | 340 | 117×10³ | 4.2×10⁻³ | 6800 | ||||||
| 104 | 35 | 10 | 13.5 | 240 | 480 | 172×10³ | 6.9×10⁻³ | 6000 | ||||||
| 126 | 40 | 11 | 16 | M10 | 68 | 420 | 840 | 300×10³ | 17.8×10⁻³ | 5800 | ||||
| 144 | 45 | 12 | 17.5 | M12 | 118 | 700 | 1400 | 525×10³ | 69.7×10⁻³ | 5100 | ||||
| 型号 |
L1 |
W |
内六角圆柱头螺栓 |
外六角加压螺栓 |
额定扭矩 (N.m) |
最大扭矩 (N.m) |
容许安装偏差 |
静态扭转刚性 (N.m/rad) |
惯性力矩 (kg/m²) |
最高转速 (r/min) |
|||||
| 代码 | D | M1 | 锁紧扭矩(N.m) | M2 | 锁紧扭矩(N.m) | 角向(°) | 径向(mm) | 轴向(mm) | |||||||
| 双侧免键型 DFF11 |
68 | 25.5 | 6 | M6 | 7 | M5 | 5 | 55 | 110 | 1.5 | 0.04 | ±0.8 | 19.2×10³ | 0.83×10⁻³ | 250 |
| 82 | 26 | 14 | M6 | 14 | 80 | 160 | 59×10³ | 2.5×10⁻³ | 200 | ||||||
| 94 | 33.3 | 8 | M8 | 34 | M8 | 34 | 170 | 340 | 119×10³ | 4.3×10⁻³ | |||||
| 104 | 10 | 240 | 480 | 174×10³ | 7.0×10⁻³ | 150 | |||||||||
| 126 | 34.4 | 11 | M10 | 68 | M10 | 68 | 420 | 840 | 310×10³ | 18.0×10⁻³ | |||||
| 144 | 35.5 | 12 | M12 | 118 | M12 | 118 | 700 | 1400 | 530×10³ | 70.0×10⁻³ | 100 | ||||
!惯性力矩和重量按最大孔计算!
产品简介
产品问答
关于此产品的常见问题
1、不同材质的本体应该怎么选?
膜片式联轴器本体材质主要为铝合金、不锈钢和碳钢,铝合金材质适用于运转稳定、轻微冲撞的工况,刚性和惯性力矩小;
不锈钢和碳钢适用于冲撞相对大的工况,刚性和惯性力矩大,其中不锈钢适用于对防锈和防腐蚀要求高的工况。
2、膜片式联轴器的寿命一般是多长?
联轴器的使用寿命跟使用工况息息相关,包括环境因素,负载情况,维护保养情况,工作频率。
在正常的使用条件下,联轴器在整个寿命周期内能传递大于一百万次的动态载荷。
3、导致膜片断裂的原因是什么?
1、安装轴的同心度超出所选联轴器的容差范围
2、出现瞬时过载扭矩超出联轴器最大扭矩的情况
3、所选联轴器的扭矩不满足工况使用
4、安装联轴器时,轴超过膜片位置,导致运转时,膜片受轴挤压断裂
4、膜片联轴器能能否承受轴向力?
膜片联轴器虽然为挠性联轴器,能容许一定的轴向偏差,但联轴器主要用于扭矩传递,在传递扭矩的同时受轴向力,将大大减弱膜片的扭矩传递性能,影响联轴器的使用寿命。
1. 添加筛选条件,生成产品型号
客服
购物车
公众号
微信公众号
订单/资讯随手掌握
微信技术交流服务群
扫码添加进群
浏览记录
问题反馈
置顶
Copyright © 2010-2025 东莞怡合达自动化股份有限公司 版权所有 粤ICP备14032684号
营业执照: 91441900566614589Q