型号筛选
未生成型号,还有 5 项未选择
代码
参数选型
膜片
产品选型
外径D(mm)
轴孔径d(mm)
轴孔径e(mm)
图片仅供参考,请以已选的规格为准
膜片阶梯式联轴器 螺钉夹紧型 铝合金 单/双膜片 通用型
品牌名称:
怡合达
条件筛选:
产品型号:
登录后可查看价格、加入购物车、一键购买
立即登录
引导式选型
规格参数
全部型号
3D预览
可选加工
产品简介
产品问答
联轴器安装SOP
选型工具
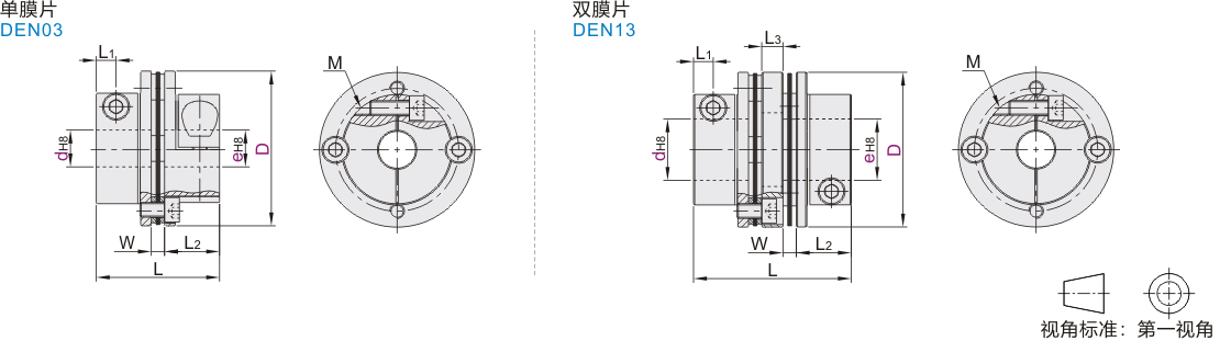
材质图
参数图
| 代码 |
类型 |
材质 |
表面处理 | 附件 |
||
| 主体 | 膜片 | 主体 | ||||
| DEN03 | 螺钉夹紧型 | 单膜片 | 铝合金 | 不锈钢 | 本色阳极氧化 | 内六角 圆柱头螺钉 |
| DEN13 | 双膜片 | |||||
特点
● 扭转刚性高,能准确控制轴的旋转,可进行高精度控制;
● 采用摩擦接合进行传递,没有间隙,最适合超精密控制;
● 不锈钢膜片能补偿径向、角向、轴向偏差;
● 顺时针与逆时针回转特性完全相同。

因偏心、偏角、轴向的位移如果同时出现多种偏差时,则各容许值会降低。
由于制作工艺原因,表面可能会有痕迹。
选型表
| 型号 |
d-e |
|||||||||||||||
| 代码 | D | |||||||||||||||
|
单膜片
|
34 | d | 6 | 6.35 | 7 | 8 | 9 | 9.525 | 10 | |||||||
| e | 6 6.35 7 8 9 9.525 10 | 6.35 7 8 9 9.525 10 | 7 8 9 9.525 10 | 8 9 9.525 10 | 9 9.525 10 | 9.525 10 | 10 | |||||||||
| 44 | d | 8 | 9 | 9.525 | 10 | 11 | 12 | 12.7 | 13 | 14 | 15 | 16 | ||||
| e | 8 9 9.525 10 11 12 12.7 13 14 15 16 | 9 9.525 10 11 12 12.7 13 14 15 16 | 9.525 10 11 12 12.7 13 14 15 16 | 10 11 12 12.7 13 14 15 16 | 11 12 12.7 13 14 15 16 | 12 12.7 13 14 15 16 | 12.7 13 14 15 16 | 13 14 15 16 | 14 15 16 | 15 16 | 16 | |||||
| 56 | d | 10 | 11 | 12 | 12.7 | 13 | 14 | 15 | 16 | 17 | 18 | 19 | 20 | |||
| e | 10 11 12 12.7 13 14 15 16 17 18 19 20 | 11 12 12.7 13 14 15 16 17 18 19 20 | 12 12.7 13 14 15 16 17 18 19 20 | 12.7 13 14 15 16 17 18 19 20 | 13 14 15 16 17 18 19 20 | 14 15 16 17 18 19 20 | 15 16 17 18 19 20 | 16 17 18 19 20 | 17 18 19 20 | 18 19 20 | 19 20 | 20 | ||||
| 68 | d | 12 | 12.7 | 13 | 14 | 15 | 16 | 17 | 18 | 19 | 20 | 22 | 24 | 25 | ||
| e | 12 12.7 13 14 15 16 17 18 19 20 22 24 25 | 12.7 13 14 15 16 17 18 19 20 22 24 25 | 13 14 15 16 17 18 19 20 22 24 25 | 14 15 16 17 18 19 20 22 24 25 | 15 16 17 18 19 20 22 24 25 | 16 17 18 19 20 22 24 25 | 17 18 19 20 22 24 25 | 18 19 20 22 24 25 | 19 20 22 24 25 | 20 22 24 25 | 22 24 25 | 24 25 | 25 | |||
| 82 | d | 14 | 15 | 16 | 17 | 18 | 19 | 20 | 22 | 24 | 25 | 28 | 30 | |||
| e | 14 15 16 17 18 19 20 22 24 25 28 30 | 15 16 17 18 19 20 22 24 25 28 30 | 16 17 18 19 20 22 24 25 28 30 | 17 18 19 20 22 24 25 28 30 | 18 19 20 22 24 25 28 30 | 19 20 22 24 25 28 30 | 20 22 24 25 28 30 | 22 24 25 28 30 | 24 25 28 30 | 25 28 30 | 28 30 | 30 | ||||
尺寸性能表
| 型号 | L |
L1 |
L2 | L3 |
W |
M |
锁紧扭矩 (N·m) |
额定扭矩 (N·m) |
最大扭矩 (N·m) |
最高转速 (r/min) |
惯性力矩 (kg·m²) |
静态扭转刚性 (N ·m/rad) |
容许安装偏差 |
重量(g) |
|||||
| 代码 | D | 径向(mm) | 角向(°) | 轴向(mm) | |||||||||||||||
| 单膜片 DEN03 |
34 | 27.5 | 4 | 12 | 一 | 3.5 | M3 | 1.5 | 4 | 8 | 10000 | 4.00×10⁻⁶ | 2000 | 0.02 | 1 | ±0.2 | 30 | ||
| 44 | 34.6 | 5 | 15 | 4.6 | M4 | 3.4 | 10 | 20 | 1.65×10⁻⁵ | 5200 | ±0.3 | 68 | |||||||
| 56 | 45.25 | 6.6 | 20 | 5.25 | M5 | 7 | 25 | 50 | 5.50×10⁻⁵ | 11000 | ±0.4 | 147 | |||||||
| 68 | 53.8 | 7.6 | 24 | 5.8 | M6 | 14 | 60 | 120 | 1.45×10⁻⁴ | 19000 | ±0.45 | 262 | |||||||
| 82 | 68 | 9.3 | 30 | 8 | M8 | 30 | 100 | 200 | 4.79×10⁻⁴ | 22000 | ±0.55 | 470 | |||||||
| 双膜片 DEN13 |
34 | 38.5 | 4 | 12 | 7.5 | 3.5 | M3 | 1.5 | 4 | 8 | 10000 | 7.33×10⁻⁶ | 1700 | 0.18 | 1 (单侧) |
±0.36 | 49 | ||
| 44 | 48.2 | 5 | 15 | 9 | 4.6 | M4 | 3.4 | 10 | 20 | 2.95×10⁻⁵ | 3000 | 0.24 | ±0.6 | 108 | |||||
| 56 | 62.5 | 6.6 | 20 | 12 | 5.25 | M5 | 7 | 25 | 50 | 9.89×10⁻⁵ | 8500 | 0.28 | ±0.8 | 232 | |||||
| 68 | 73.6 | 7.6 | 24 | 14 | 5.8 | M6 | 14 | 60 | 120 | 2.52×10⁻⁴ | 12000 | 0.32 | ±0.9 | 408 | |||||
| 82 | 98 | 9.3 | 30 | 22 | 8 | M8 | 30 | 100 | 200 | 7.24×10⁻⁴ | 15000 | 0.52 | ±1 | 680 | |||||
惯性力矩和重量按最大孔径计算。