型号筛选
可选加工(可选)
未生成型号,还有 5 项未选择
重置
代码
无数据
参数选型
膜片
无数据
产品选型
代码
无数据
外径D(mm)
无数据
轴孔径d(mm)
无数据
轴孔径e(mm)
无数据
价格生成中...
图片仅供参考,请以已选的规格为准
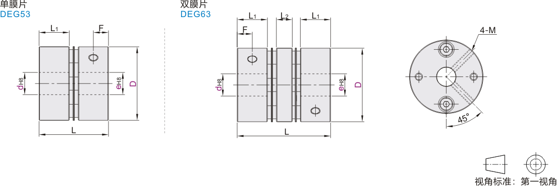
膜片式联轴器 螺钉固定型 铝合金 单/双膜片
品牌名称:
怡合达
条件筛选:
产品型号:
未税折扣单价: -- --
含税折扣单价: ----
含税总价 (税率13%): ¥--
预计发货天数:-- 天 (发货天数以下单次日起算,不含周日与法定假日)
购买数量():
起订量:0
, 加量幅度:0
登录后可查看价格、加入购物车、一键购买
立即登录
价格生成中...
登录后可查看价格、加入购物车、一键购买
立即登录
代码的技术资料信息曾有所变更,可前往 型号勘误表 查看变更记录
相似商品
同类人气商品
引导式选型
技术图档
全部型号
3D预览
技术图档
可选加工
产品简介
产品问答
联轴器安装SOP
选型工具
材质图
参数图
| 代码 |
类型 |
材质 |
表面处理 | 附件 |
||
| 主体 | 膜片 | 主体 | ||||
| DEG53 | 螺钉固定型 | 单膜片 | 铝合金 | 不锈钢 | 本色阳极氧化 | 内六角紧定螺钉 |
| DEG63 | 双膜片 | |||||

选型表
| 型号 | d-e |
|||||||||
| 代码 | D | |||||||||
|
单膜片
|
20 | d | 4 | 5 | 6.35 | 8 |
||||
| e | 4 5 6.35 8 | 5 6.35 8 | 6.35 8 | 8 | ||||||
| 26 | d | 5 | 6 | 6.35 | 8 | 10 | 11 | |||
| e | 5 6 6.35 8 10 11 | 6 6.35 8 10 11 | 6.35 8 10 11 | 8 10 11 | 10 11 | 11 | ||||
| 29 | d | 5 | 6 | 6.35 | 8 | 10 | 11 | 12 | 14 |
|
| e | 5 6 6.35 8 10 11 12 14 | 6 6.35 8 10 11 12 14 | 6.35 8 10 11 12 14 | 8 10 11 12 14 | 10 11 12 14 | 11 12 14 | 12 14 | 14 | ||
| 33 | d | 6 | 8 | 10 | 11 | 12 | 14 | 15 | 16 | |
| e | 6 8 10 11 12 14 15 16 | 8 10 11 12 14 15 16 | 10 11 12 14 15 16 | 11 12 14 15 16 | 12 14 15 16 | 14 15 16 | 15 16 | 16 | ||
| 39 | d | 8 | 10 | 11 | 12 | 14 | 15 | 16 | 18 | |
| e | 8 10 11 12 14 15 16 18 | 10 11 12 14 15 16 18 | 11 12 14 15 16 18 | 12 14 15 16 18 | 14 15 16 18 | 15 16 18 | 16 18 | 18 | ||
尺寸性能表
| 型号 |
L |
L1 |
L2 |
F |
M |
锁紧 扭矩 (N·m) |
额定 扭矩 (N·m) |
最大 扭矩 (N·m) |
最高 转速 (r/min) |
惯性 力矩 (kg·m²) |
静态 扭转刚性 (N·m/rad) |
容许安装偏差 |
重量 (g) |
|||
| 代码 | D | 径向 (mm) |
角向 (°) |
轴向 (mm) |
||||||||||||
| 单膜片 DEG53 |
20 | 23.5 | 11 | 一 | 5.5 | M3 | 0.7 | 1 | 2 | 10000 | 8.8×10⁻⁷ | 700 | 一 | 2 | ±0.10 | 17 |
| 26 | 26 | 11.9 | 2 | 4 | 2.5×10⁻⁶ | 1000 | ±0.10 | 26 | ||||||||
| 29 | M4 | 1.7 | 3 | 6 | 4.1×10⁻⁶ | 1350 | ±0.15 | 35 | ||||||||
| 33 | 29 | 13 | 6.5 | 5 | 10 | 7.7×10⁻⁶ | 2000 | ±0.20 | 49 | |||||||
| 39 | 36.5 | 16 | 8 | M5 | 4 | 8 | 16 | 1.9×10⁻⁶ | 4250 | ±0.25 | 88 | |||||
| 双膜片 DEG63 |
20 | 30.8 | 11 | 5.8 | 5.5 | M3 | 0.7 |
1 | 2 | 10000 | 1.1×10⁻⁶ | 550 | 0.1 | 2 | ±0.20 | 19 |
| 26 | 36.1 | 11.9 | 7.3 | 2 | 4 | 3.3×10⁻⁶ | 700 | 0.15 | ±0.20 | 33 | ||||||
| 29 | 35 | 5.5 | M4 | 1.7 | 3 | 6 | 5.5×10⁻⁶ | 1200 | 0.15 | ±0.30 | 44 | |||||
| 33 | 39 | 13 | 8 | 6.5 | 5 | 10 | 1.1×10⁻⁵ | 1500 | 0.2 | ±0.40 | 65 | |||||
| 39 | 49.4 | 16 | 8.4 | 8 | M5 | 4 | 8 | 16 | 2.7×10⁻⁵ | 3350 | 0.25 | ±0.50 | 118 | |||
惯性力矩和重量按最大孔径计算!
可选加工

产品简介
产品问答
关于此产品的常见问题
1、不同材质的本体应该怎么选?
膜片式联轴器本体材质主要为铝合金、不锈钢和碳钢,铝合金材质适用于运转稳定、轻微冲撞的工况,刚性和惯性力矩小;
不锈钢和碳钢适用于冲撞相对大的工况,刚性和惯性力矩大,其中不锈钢适用于对防锈和防腐蚀要求高的工况。
2、膜片式联轴器的寿命一般是多长?
联轴器的使用寿命跟使用工况息息相关,包括环境因素,负载情况,维护保养情况,工作频率。
在正常的使用条件下,联轴器在整个寿命周期内能传递大于一百万次的动态载荷。
3、导致膜片断裂的原因是什么?
1、安装轴的同心度超出所选联轴器的容差范围
2、出现瞬时过载扭矩超出联轴器最大扭矩的情况
3、所选联轴器的扭矩不满足工况使用
4、安装联轴器时,轴超过膜片位置,导致运转时,膜片受轴挤压断裂
4、膜片联轴器能能否承受轴向力?
膜片联轴器虽然为挠性联轴器,能容许一定的轴向偏差,但联轴器主要用于扭矩传递,在传递扭矩的同时受轴向力,将大大减弱膜片的扭矩传递性能,影响联轴器的使用寿命。
联轴器安装SOP
选型工具
1. 添加筛选条件,生成产品型号
客服
购物车
小程序
怡合达商城小程序
随身商城一手掌握
公众号
微信公众号
订单/资讯随手掌握
微信技术交流服务群
扫码添加进群
浏览记录
问题反馈
置顶
Copyright © 2010-2026 东莞怡合达自动化股份有限公司 版权所有 粤ICP备14032684号
营业执照: 91441900566614589Q