型号筛选
可选加工(可选)
未生成型号,还有 3 项未选择
重置
代码
无数据
产品选型
代码
无数据
外径D(mm)
无数据
轴孔径d(mm)
无数据
轴孔径e(mm)
无数据
价格生成中...
图片仅供参考,请以已选的规格为准
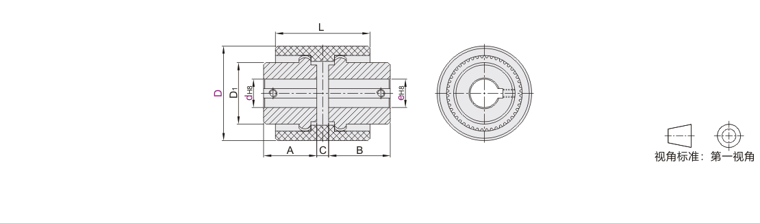
鼓形齿式联轴器 NL型 带键槽螺钉固定型 碳钢 尼龙套弹性体
品牌名称:
怡合达
条件筛选:
产品型号:
未税折扣单价: -- --
含税折扣单价: ----
含税总价 (税率13%): ¥--
预计发货天数:-- 天 (发货天数以下单次日起算,不含周日与法定假日)
购买数量(PCS):
起订量:1PCS
, 加量幅度:1PCS
登录后可查看价格、加入购物车、一键购买
立即登录
价格生成中...
登录后可查看价格、加入购物车、一键购买
立即登录
代码DET52的技术资料信息曾有所变更,可前往 型号勘误表 查看变更记录
相似商品
同类人气商品
引导式选型
技术图档
全部型号
3D预览
技术图档
产品简介
联轴器安装SOP
选型工具
材质图
参数图
| 代码 | 类型 | 材质 | 表面处理 | 附件 | ||
| 主体 | 齿套 | |||||
| DET52 | NL型尼龙套 | 带键槽螺钉固定型 | S45C | 尼龙 | 发黑 | 内六角凹头紧定螺钉 |
特点:
使用简单,易维修,缓冲吸振,传动能量损失小,寿命长;
工作温度-20℃~70℃;
可补偿较大的轴向位移,微量的径向位移和角位移;
适用于正反向变化多,启动频繁的高速轴。

选型表
| 型号 | d-e | A | B | D1 | C | L | 额定扭矩 (N·m) |
容许转速 (r/min) |
容许安装偏 | |||
| 代码 | D | 轴向(mm) | 径向(mm) | 角向(°) | ||||||||
| DET52 | 42 | 6 8 10 | 16 | 20 | 25 | 4 | 39 | 40 | 6000 | 2 | ±0.3 | 1° |
| 12 14 | 25 | 32 | ||||||||||
| 56 | 10 12 14 15 16 18 19 20 22 | 40 | 40 | 36 | 5 | 40 | 100 | ±0.4 | ||||
| 24 | 50 | 50 | ||||||||||
| 66 | 10 12 14 15 16 18 19 20 22 | 40 | 40 | 44 | 1 | 41 | 160 | |||||
| 24 25 | 50 | |||||||||||
| 28 | 60 | 60 | ||||||||||
| 85 | 16 18 20 22 | 40 | 40 | 58 | 3 | 47 | 250 | |||||
| 24 25 | 50 | |||||||||||
| 28 30 32 35 | 60 | 60 | ||||||||||
| 38 40 42 | 80 | 80 | ||||||||||
| 97 | 20 22 24 25 | 50 | 50 | 68 | 2 | 51 | 315 | 5000 | 3 | 2° | ||
| 28 30 32 35 | 60 | 60 | ||||||||||
| 38 40 | 80 | 80 | ||||||||||
| 42 | 110 | 110 | ||||||||||
| 100 | 22 25 30 32 35 | 60 | 60 | 72 | 3 | 48 | 400 | |||||
| 38 40 | 80 | 80 | ||||||||||
| 42 45 48 | 110 | 110 | ||||||||||
| 113 | 22 25 30 32 35 | 60 | 60 | 82 | 5 | 55 | 630 | 3600 | ±0.6 | |||
| 38 40 | 80 | 80 | ||||||||||
| 42 45 48 50 55 | 110 | 110 | ||||||||||
| 138 | 20 30 35 40 | 80 | 80 | 96 | 7 | 71 | 1250 | |||||
| 42 45 48 50 55 | 110 | 110 | ||||||||||
| 60 65 | 140 | 140 | ||||||||||
| 173 | 32 40 45 50 55 | 110 | 110 | 120 | 5 | 91 | 2000 | 2000 | 4 | ±0.7 | ||
| 60 65 70 75 | 140 | 140 | ||||||||||
| 223 | 70 71 75 | 142 | 142 | 160 | 15 | 107 | 3150 | 1800 | ||||
| 80 | 172 | 172 | ||||||||||
| 85 90 95 100 | 212 | 212 | ||||||||||
产品简介
联轴器安装SOP
选型工具
1. 添加筛选条件,生成产品型号
客服
购物车
小程序
怡合达商城小程序
随身商城一手掌握
公众号
微信公众号
订单/资讯随手掌握
微信技术交流服务群
扫码添加进群
浏览记录
问题反馈
置顶
Copyright © 2010-2026 东莞怡合达自动化股份有限公司 版权所有 粤ICP备14032684号
营业执照: 91441900566614589Q