型号筛选
可选加工(可选)
未生成型号,还有 3 项未选择
重置
代码
无数据
参数选型
制动方式
无数据
产品选型
代码
无数据
转矩
无数据
价格生成中...
图片仅供参考,请以已选的规格为准
气动离合器 摩擦式/牙嵌式
品牌名称:
怡合达
条件筛选:
产品型号:
未税折扣单价: -- --
含税折扣单价: ----
含税总价 (税率13%): ¥--
预计发货天数:-- 天 (发货天数以下单次日起算,不含周日与法定假日)
购买数量():
起订量:0
, 加量幅度:0
登录后可查看价格、加入购物车、一键购买
立即登录
价格生成中...
登录后可查看价格、加入购物车、一键购买
立即登录
代码的技术资料信息曾有所变更,可前往 型号勘误表 查看变更记录
相似商品
同类人气商品
引导式选型
规格参数
全部型号
3D预览
规格参数
材质图
参数图
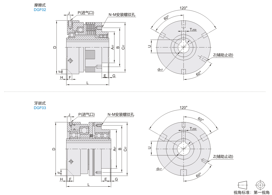
| 代码 | 类型 | 连接方式 | 主体材质 | 表面处理 |
| DGF02 | 摩擦式 | 一端带键槽孔 一端法兰 |
碳钢 | 镀镍 |
| DGF03 | 牙嵌式 |
特点:
●端面齿连接(可双向传递力矩),传递转矩大;
●无滑差,无力矩损失;
●瞬间连接或分离,动作灵敏快捷;
●一体化构造,齿合同轴度高;
●低速连接,但可高速运转;
●可提供分体型产品。

选型表
| 型号 | 允许连接方转速 (r/min) |
旋转速度极限 (r/min) |
气腔容积 (cm³) |
定子转动惯量 (kg·m²) |
转子转动惯量 (kg·m²) |
主要尺寸 | |||||||||||||||||
| 代码 | 转矩(N·m) (0.6MPa时) |
A | B | C | D | E | F | L | P | N | M | T | U | d | Z | G | H | J | |||||
| 摩擦式 DGF02 |
400 | 2500 | 2500 | 33.1 | 4.82×10⁻³ | 1.42×10⁻³ | 80 | 100 | 128 | 137 | 18 | 10 | 105 | PT1/8 | 4 | M8 | 10 | 33.3 | 30 | M8 | 0.5 | 1 | 7 |
| 600 | 2000 | 2000 | 55.5 | 6.23×10⁻³ | 3.69×10⁻³ | 110 | 130 | 152 | 168 | 23 | 12 | 138 | PT1/4 | 6 | M10 | 16 | 54.3 | 50 | 12 | ||||
| 1000 | 1500 | 1500 | 68.25 | 9.55×10⁻³ | 4.25×10⁻³ | 130 | 150 | 175 | 195 | 13 | 165 | M12 | 18 | 64.5 | 60 | M10 | 1 | 2 | |||||
| 2000 | 1000 | 1000 | 89.7 | 4.67×10⁻² | 2.55×10⁻² | 155 | 180 | 205 | 232 | 30 | 15 | 185 | PT3/8 | M16 | 22 | 85.5 | 80 | 1.5 | 18 | ||||
| 3000 | 700 | 700 | 112.3 | 8.86×10⁻² | 3.35×10⁻² | 180 | 205 | 242 | 265 | 35 | 16 | 8 | 25 | 100.5 | 95 | M12 | 2 | 3 | |||||
| 牙嵌式 DGF03 |
100 | 100 | 2300 | 4.39 | 1.25×10⁻³ | 3.89×10⁻⁴ | 62 | 75 | 85 | 85 | 13 | 10 | 68 | PT1/8 | 4 | M6 | 6 | 22.8 | 20 | M6 | 0.5 | 0 | 6 |
| 200 | 80 | 2000 | 13.6 | 2.45×10⁻³ | 7.78×10⁻⁴ | 75 | 90 | 110 | 115 | 18 | 80 | 8 | 28.3 | 25 | |||||||||
| 400 | 50 | 1500 | 20.1 | 3.82×10⁻³ | 1.32×10⁻³ | 80 | 100 | 125 | 135 | 95 | M8 | 10 | 33.3 | 30 | 1 | 1 | 7 | ||||||
| 600 | 1000 | 28.5 | 5.23×10⁻³ | 2.69×10⁻³ | 90 | 115 | 137 | 155 | 20 | 12 | 105 | PT1/4 | 6 | M10 | 12 | 43.3 | 40 | M8 | 8.5 | ||||
| 800 | 31.6 | 8.83×10⁻³ | 3.34×10⁻³ | 110 | 130 | 155 | 170 | 23 | 115 | 16 | 54.3 | 50 | |||||||||||
| 1200 | 30 | 38.3 | 2.03×10⁻² | 8.02×10⁻³ | 130 | 150 | 178 | 195 | 13 | 125 | M12 | 18 | 69.4 | 65 | M10 | ||||||||
| 2000 | 700 | 66.4 | 3.81×10⁻² | 1.76×10⁻² | 155 | 180 | 212 | 232 | 30 | 15 | 145 | PT3/8 | M16 | 22 | 85.5 | 80 | 2 | 2 | 17 | ||||
| 3000 | 20 | 87.7 | 7.75×10⁻² | 2.87×10⁻² | 180 | 205 | 242 | 265 | 35 | 16 | 185 | 8 | 25 | 100.5 | 95 | M12 | |||||||
| 4000 | 131.8 | 9.22×10⁻² | 4.55×10⁻² | 210 | 240 | 280 | 298 | 40 | 20 | 190 | PT1/2 | M18 | 28 | 116.5 | 110 | 3 | 3 | 25 | |||||
| 8000 | 500 | 242.7 | 4.51×10⁻¹ | 8.77×10⁻² | 270 | 320 | 386 | 398 | 50 | 30 | 252 | 12 | M20 | 32 | 126.5 | 120 | |||||||
定子转动惯量:和带轮或链轮等一起旋转部分的转动惯量。
转子转动惯量:和轴一起旋转部分的转动惯量。
1. 添加筛选条件,生成产品型号
客服
购物车
公众号
微信公众号
订单/资讯随手掌握
微信技术交流服务群
扫码添加进群
浏览记录
问题反馈
置顶
Copyright © 2010-2026 东莞怡合达自动化股份有限公司 版权所有 粤ICP备14032684号
营业执照: 91441900566614589Q