型号筛选
可选加工(可选)
未生成型号,还有 4 项未选择
重置
代码
无数据
产品选型
代码
无数据
外径Dmm
无数据
间隔环颜色
无数据
轴孔径dmm
无数据
轴孔径emm
无数据
DC
DC
DD
DD
dh
dh
eh
eh
价格生成中...
图片仅供参考,请以已选的规格为准
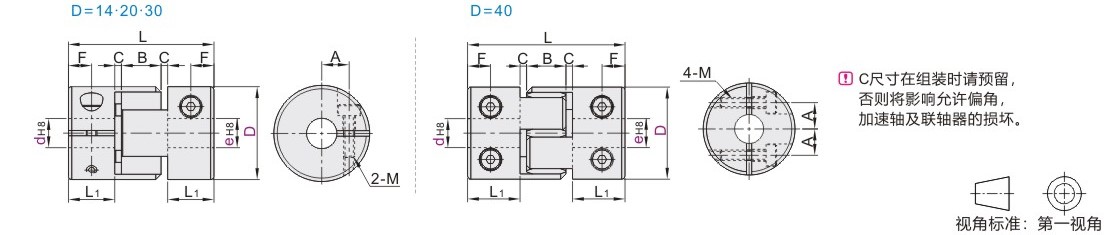
梅花式联轴器 螺钉夹紧型 铝合金 聚氨酯梅花垫
品牌名称:
怡合达
条件筛选:
产品型号:
未税折扣单价: -- --
含税折扣单价: ----
含税总价 (税率13%): ¥--
预计发货天数:-- 天 (发货天数以下单次日起算,不含周日与法定假日)
购买数量(PCS):
起订量:1PCS
, 加量幅度:1PCS
登录后可查看价格、加入购物车、一键购买
立即登录
价格生成中...
登录后可查看价格、加入购物车、一键购买
立即登录
代码DCL03的技术资料信息曾有所变更,可前往 型号勘误表 查看变更记录
相似商品
同类人气商品
引导式选型
技术图档
全部型号
3D预览
技术图档(二)
可选加工
产品简介
产品问答
材质图
参数图
材质图
参数图
| 代码 | 类型 | 材质 | 表面处理 | 附件 | |
| 主体 | 间隔环 | 主体 | |||
| DCL03 | 螺钉夹紧型 | 铝合金 | 聚氨酯 | 本色阳极氧化 | 内六角圆柱头螺钉 |


选型表
| 型号 | 间隔环颜色 | d-e | |||||||
| 代码 | D | ||||||||
| DCL03 | 14 | B(蓝色) R(红色) |
d | 3 | 4 | 5 | |||
| e | 3 4 5 | 4 5 | 5 | ||||||
| 20 | d | 5 | 6 | 6.35 | 7 | 8 | |||
| e | 5 6 6.35 7 8 | 6 6.35 7 8 | 6.35 7 8 | 7 8 | 8 | ||||
| 型号 | 间隔环颜色 | d-e | ||||||||
| 代码 | D | |||||||||
| DCL03 | 30 | B(蓝色) R(红色) |
d | 7 | 8 | 9.525 | 10 | 11 | 12 | |
| e | 7 8 9.525 10 11 12 | 8 9.525 10 11 12 | 9.525 10 11 12 | 10 11 12 | 11 12 | 12 | ||||
| 40 | d | 10 | 11 | 12 | 14 | 15 | 16 | |||
| e | 10 11 12 14 15 16 | 11 12 14 15 16 | 12 14 15 16 | 14 15 16 | 15 16 | 16 | ||||
尺寸性能表
| 型号 | L | L1 | B | C | F | A | M | 锁紧扭矩(N·m) | 额定扭矩(N·m) | 容许安装偏差 | 静态扭转刚性 (N ·m/rad) |
最高转速(r/min) | 惯性力矩(kg·m²) | 重量(g) | ||||||
| 角向(°) | 径向(mm) | 轴向(mm) | ||||||||||||||||||
| 代码 | D | B | R | B | R | B | R | |||||||||||||
| DCL03 | 14 | 22 | 7 | 6 | 1 | 3.5 | 4 | M2 | 0.5 | 0.7 | 2 | 1.0 | 0.15 | 0.10 | +0.6 0 |
8 | 22 | 11000 | 1.6×10⁻⁷ | 6 |
| 20 | 30 | 10 | 8 | 5 | 6.5 | M2.5 | 1 | 1.8 | 5 | 0.20 | +0.8 0 |
16 | 55 | 7600 | 1.1×10-⁶ | 19 | ||||
| 30 | 35 | 11 | 10 | 1.5 | 5.5 | 10 | M4 | 2.5 | 4 | 12.5 | 0.20 | +1.0 0 |
46 | 130 | 5100 | 6.2×10-⁶ | 50 | |||
| 40 | 66 | 25 | 12 | 2 | 8.5 | 14 | M5 | 4 | 4.9 | 17 | 0.15 | +1.2 0 |
380 | 1200 | 3800 | 3.9×10⁻⁵ | 160 | |||
惯性力矩和重量按最大孔径计算。
可选加工

产品简介
产品问答
关于此产品的常见问题
1、梅花式联轴器的使用温度范围?
正常情况下,使用温度在-50℃~+80℃。
2、梅花式联轴器的适用工况。
梅花垫用于吸收震动,最适合启停/正反转频繁的系统。
3、梅花联轴器梅花垫多久更换比较好?
至于更换的时间周期,这没有一个固定的数值可以参考。不同的机器设备上的使用情况不同,如果是安装问题可能运转 1 天就直接磨坏了;
而安装到位,要看实际的传递效果,半年、一年都可能发生磨损。所以, 对于梅花联轴器定期的维护必不可少。
4、梅花垫的硬度大小对联轴器的影响。
梅花垫硬度越高,则联轴器所能承受的扭矩也就越大,其调偏性能会下降;梅花垫硬度越低,则承受的扭矩也就越小,但调偏性能会上升。
1. 添加筛选条件,生成产品型号
客服
购物车
公众号
微信公众号
订单/资讯随手掌握
微信技术交流服务群
扫码添加进群
浏览记录
问题反馈
置顶
Copyright © 2010-2025 东莞怡合达自动化股份有限公司 版权所有 粤ICP备14032684号
营业执照: 91441900566614589Q