型号筛选
未生成型号,还有 5 项未选择
代码
参数选型
轴锁紧方式
产品选型
外径D(mm)
轴孔径d(mm)
轴孔径e(mm)
图片仅供参考,请以已选的规格为准
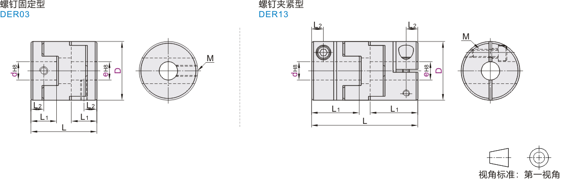
十字环联轴器 螺钉夹紧型/螺钉固定型 铝合金 POM十字环
品牌名称:
怡合达
条件筛选:
产品型号:
登录后可查看价格、加入购物车、一键购买
立即登录
引导式选型
规格参数
全部型号
3D预览
可选加工
产品简介
产品问答
联轴器安装SOP
选型工具
材质图
参数图
| 代码 | 类型 | 材质 | 表面处理 | 附件 | 使用温度 | |
| 主体 | 间隔环 | |||||
| DER03 | 螺钉固定型 | 铝合金 | POM | 本色阳极氧化 | 内六角紧定螺钉 | -20℃~80℃ |
| DER13 | 螺钉夹紧型 | 内六角圆柱头螺钉 | ||||
特点
●中间十字滑块联接具有耐油和电气绝缘;
●容许径向、角向偏差大;
●构造简单,组装方便。

由于制作工艺原因,表面可能会有痕迹。
因偏心、偏角、轴向的位移如果同时出现多种偏差时,则各容许值会降低。
选型表
| 型号 | d-e | |||||||||||||||||
| 代码 | D | |||||||||||||||||
| 螺钉固定型 DER03 |
16 | d | 3 | 4 | 5 | 6 | 6.35 | 7 | 8 | |||||||||
| e | 3 4 5 6 6.35 7 8 | 4 5 6 6.35 7 8 | 5 6 6.35 7 8 | 6 6.35 7 8 | 6.35 7 8 | 7 8 | 8 | |||||||||||
| 20 | d | 4 | 5 | 6 | 6.35 | 7 | 8 | 9 | 9.525 | 10 | ||||||||
| e | 4 5 6 6.35 7 8 9 9.525 10 | 5 6 6.35 7 8 9 9.525 10 | 6 6.35 7 8 9 9.525 10 | 6.35 7 8 9 9.525 10 | 7 8 9 9.525 10 | 8 9 9.525 10 | 9 9.525 10 | 9.525 10 | 10 | |||||||||
| 25 | d | 5 | 6 | 6.35 | 7 | 8 | 9 | 9.525 | 10 | 11 | 12 | |||||||
| e | 5 6 6.35 7 8 9 9.525 10 11 12 | 6 6.35 7 8 9 9.525 10 11 12 | 6.35 7 8 9 9.525 10 11 12 | 7 8 9 9.525 10 11 12 | 8 9 9.525 10 11 12 | 9 9.525 10 11 12 | 9.525 10 11 12 | 10 11 12 | 11 12 | 12 | ||||||||
| 32 | d | 6 | 6.35 | 7 | 8 | 9 | 9.525 | 10 | 11 | 12 | 12.7 | 13 | 14 | 15 | 16 | |||
| e | 6 6.35 7 8 9 9.525 10 11 12 12.7 13 14 15 16 | 6.35 7 8 9 9.525 10 11 12 12.7 13 14 15 16 | 7 8 9 9.525 10 11 12 12.7 13 14 15 16 | 8 9 9.525 10 11 12 12.7 13 14 15 16 | 9 9.525 10 11 12 12.7 13 14 15 16 | 9.525 10 11 12 12.7 13 14 15 16 | 10 11 12 12.7 13 14 15 16 | 11 12 12.7 13 14 15 16 | 12 12.7 13 14 15 16 | 12.7 13 14 15 16 | 13 14 15 16 | 14 15 16 | 15 16 | 16 | ||||
| 40 | d | 8 | 9 | 9.525 | 10 | 11 | 12 | 12.7 | 13 | 14 | 15 | 16 | 17 | 18 | 19 | |||
| e | 8 9 9.525 10 11 12 12.7 13 14 15 16 17 18 19 | 9 9.525 10 11 12 12.7 13 14 15 16 17 18 19 | 9.525 10 11 12 12.7 13 14 15 16 17 18 19 | 10 11 12 12.7 13 14 15 16 17 18 19 | 11 12 12.7 13 14 15 16 17 18 19 | 12 12.7 13 14 15 16 17 18 19 | 12.7 13 14 15 16 17 18 19 | 13 14 15 16 17 18 19 | 14 15 16 17 18 19 | 15 16 17 18 19 | 16 17 18 19 | 17 18 19 | 18 19 | 19 | ||||
| 50 |
d | 10 | 11 | 12 | 12.7 | 13 | 14 | 15 | 16 | 17 | 18 | 19 | 20 | |||||
| e | 10 11 12 12.7 13 14 15 16 17 18 19 20 | 11 12 12.7 13 14 15 16 17 18 19 20 | 12 12.7 13 14 15 16 17 18 19 20 | 12.7 13 14 15 16 17 18 19 20 | 13 14 15 16 17 18 19 20 | 14 15 16 17 18 19 20 | 15 16 17 18 19 20 | 16 17 18 19 20 | 17 18 19 20 | 18 19 20 | 19 20 | 20 | ||||||
| 63 |
d | 12 | 12.7 | 13 | 14 | 15 | 16 | 17 | 18 | 19 | 20 | 22 | 24 | 25 | ||||
| e | 12 12.7 13 14 15 16 17 18 19 20 22 24 25 | 12.7 13 14 15 16 17 18 19 20 22 24 25 | 13 14 15 16 17 18 19 20 22 24 25 | 14 15 16 17 18 19 20 22 24 25 | 15 16 17 18 19 20 22 24 25 | 16 17 18 19 20 22 24 25 | 17 18 19 20 22 24 25 | 18 19 20 22 24 25 | 19 20 22 24 25 | 20 22 24 25 | 22 24 25 | 24 25 | 25 | |||||
| 螺钉夹紧型 DER13 |
16 |
d | 3 | 4 | 5 | 6 | ||||||||||||
| e | 3 4 5 6 | 4 5 6 | 5 6 | 6 | ||||||||||||||
| 20 |
d | 4 | 5 | 6 | 6.35 | 7 | 8 | |||||||||||
| e | 4 5 6 6.35 7 8 | 5 6 6.35 7 8 | 6 6.35 7 8 | 6.35 7 8 | 7 8 | 8 | ||||||||||||
| 25 |
d | 5 | 6 | 6.35 | 7 | 8 | 9 | 9.525 | 10 | |||||||||
| e | 5 6 6.35 7 8 9 9.525 10 | 6 6.35 7 8 9 9.525 10 | 6.35 7 8 9 9.525 10 | 7 8 9 9.525 10 | 8 9 9.525 10 | 9 9.525 10 | 9.525 10 | 10 | ||||||||||
| 32 |
d | 6 | 6.35 | 7 | 8 | 9 | 9.525 | 10 | 11 | 12 | 12.7 | 13 | 14 | |||||
| e | 6 6.35 7 8 9 9.525 10 11 12 12.7 13 14 | 6.35 7 8 9 9.525 10 11 12 12.7 13 14 | 7 8 9 9.525 10 11 12 12.7 13 14 | 8 9 9.525 10 11 12 12.7 13 14 | 9 9.525 10 11 12 12.7 13 14 | 9.525 10 11 12 12.7 13 14 | 10 11 12 12.7 13 14 | 11 12 12.7 13 14 | 12 12.7 13 14 | 12.7 13 14 | 13 14 | 14 | ||||||
| 40 |
d | 8 | 9 | 9.525 | 10 | 11 | 12 | 12.7 | 13 | 14 | 15 | 16 | ||||||
| e | 8 9 9.525 10 11 12 12.7 13 14 15 16 | 9 9.525 10 11 12 12.7 13 14 15 16 | 9.525 10 11 12 12.7 13 14 15 16 | 10 11 12 12.7 13 14 15 16 | 11 12 12.7 13 14 15 16 | 12 12.7 13 14 15 16 | 12.7 13 14 15 16 | 13 14 15 16 | 14 15 16 | 15 16 | 16 | |||||||
| 50 |
d | 10 | 11 | 12 | 12.7 | 13 | 14 | 15 | 16 | 17 | 18 | 19 | 20 | |||||
| e | 10 11 12 12.7 13 14 15 16 17 18 19 20 | 11 12 12.7 13 14 15 16 17 18 19 20 | 12 12.7 13 14 15 16 17 18 19 20 | 12.7 13 14 15 16 17 18 19 20 | 13 14 15 16 17 18 19 20 | 14 15 16 17 18 19 20 | 15 16 17 18 19 20 | 16 17 18 19 20 | 17 18 19 20 | 18 19 20 | 19 20 | 20 | ||||||
| 63 |
d | 12 | 12.7 | 13 | 14 | 15 | 16 | 17 | 18 | 19 | 20 | 22 | 24 | 25 | ||||
| e | 12 12.7 13 14 15 16 17 18 19 20 22 24 25 | 12.7 13 14 15 16 17 18 19 20 22 24 25 | 13 14 15 16 17 18 19 20 22 24 25 | 14 15 16 17 18 19 20 22 24 25 | 15 16 17 18 19 20 22 24 25 | 16 17 18 19 20 22 24 25 | 17 18 19 20 22 24 25 | 18 19 20 22 24 25 | 19 20 22 24 25 | 20 22 24 25 | 22 24 25 | 24 25 | 25 | |||||
尺寸性能表
| 型号 | L | L1 | L2 | M | 锁紧扭矩 (N·m) |
额定扭矩 (N·m) |
最大扭矩 (N·m) |
最高转速 (r/min) |
惯性力矩 (kg·m²) |
静态扭转刚性 (N·m/rad) |
容许安装偏差 | 重量(g) | |||
| 代码 | D | 径向(mm) | 角向(°) | 轴向(mm) | |||||||||||
| 螺钉固定型 DER03 |
16 | 18 | 7 | 3.5 | M3 | 0.7 | 0.7 | 1.4 | 9000 | 3.0×10⁻⁷ | 29 | 1.0 | 3 | 0.1 | 6 |
| 20 | 23 | 9 | 4.5 | M4 | 1.7 | 1.6 | 3.2 | 8000 | 9.0×10⁻⁷ | 58 | 1.4 | 11 | |||
| 25 | 28 | 11 | 5.5 | M5 | 4 | 3 | 6 | 6000 | 2.8×10⁻⁶ | 125 | 1.9 | 0.2 | 22 | ||
| 32 | 33 | 13 | 6.5 | 7 | 5.5 | 11 | 5000 | 8.9×10⁻⁶ | 260 | 2.4 | 40 | ||||
| 40 | 33 | 14 | 7 | M6 | 10 | 9 | 18 | 4000 | 2.1×10⁻⁵ | 505 | 2.8 | 0.3 | 70 | ||
| 50 | 38 | 17 | 8.5 | M8 | 15 | 19 | 38 | 3000 | 6.0×10⁻⁵ | 780 | 3.3 | 144 | |||
| 63 | 47 | 21 | 10.5 | M10 | 30 | 33 | 66 | 2500 | 2.1×10⁻⁴ | 1200 | 3.8 | 318 | |||
| 螺钉夹紧型 DER13 |
16 | 30 | 13 | 3 | M2.5 | 0.7 | 0.7 | 1.4 | 9000 | 5.0×10⁻⁷ | 29 | 1.0 | 0.1 | 11 | |
| 20 | 33 | 14 | 1.6 | 3.2 | 8000 | 1.4×10⁻⁶ | 58 | 1.4 | 19 | ||||||
| 25 | 39 | 17 | 3.8 | M3 | 1.5 | 3 | 6 | 6000 | 4.1×10⁻⁶ | 125 | 1.9 | 0.2 | 36 | ||
| 32 | 45 | 19 | 4.5 | M4 | 3.4 | 5.5 | 11 | 5000 | 1.2×10⁻⁵ | 260 | 2.4 | 65 | |||
| 40 | 50 | 23 | 7 | M5 | 7 | 9 | 18 | 4000 | 3.8×10⁻⁵ | 505 | 2.8 | 0.3 | 128 | ||
| 50 | 58 | 27 | 8 | M6 | 14 | 19 | 38 | 3000 | 1.0×10⁻⁴ | 780 | 3.3 | 206 | |||
| 63 | 71 | 33 | 10 | M8 | 30 | 33 | 66 | 2500 | 3.5×10⁻⁴ | 1200 | 3.8 | 454 | |||
惯性力矩和重量按最大孔径计算。