型号筛选
可选加工(可选)
未生成型号,还有 3 项未选择
重置
代码
无数据
产品选型
代码
无数据
外径D(mm)
无数据
轴孔径d(mm)
无数据
轴孔径e(mm)
无数据
价格生成中...
图片仅供参考,请以已选的规格为准
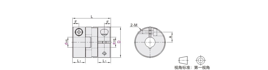
十字环联轴器 螺钉夹紧型 铝合金 POM十字环 短式
品牌名称:
怡合达
条件筛选:
产品型号:
未税折扣单价: -- --
含税折扣单价: ----
含税总价 (税率13%): ¥--
预计发货天数:-- 天 (发货天数以下单次日起算,不含周日与法定假日)
购买数量(PCS):
起订量:1PCS
, 加量幅度:1PCS
登录后可查看价格、加入购物车、一键购买
立即登录
价格生成中...
登录后可查看价格、加入购物车、一键购买
立即登录
代码DCH03的技术资料信息曾有所变更,可前往 型号勘误表 查看变更记录
相似商品
同类人气商品
引导式选型
技术图档
全部型号
3D预览
技术图档
产品简介
产品问答
联轴器安装SOP
选型工具
材质图
参数图
| 代码 |
类型 |
材质 |
表面处理 | 附件 |
|
| 主体 | 间隔环 | 主体 | |||
| DCH03 | 螺钉夹紧短型 | 铝合金 | POM | 本色阳极氧化 | 内六角圆柱头螺钉 |
特点
使用温度-20°℃~80°℃。
因偏心、偏角、轴向的位移均为单独的允许值,所以当多种偏差同时出现时,该允许值将缩小。

选型表
| 型号 | d-e | ||||||||
| 代码 | 规格 | ||||||||
| DCH03 | 12 | d | 3 | 4 | 5 | ||||
| e | 3 4 5 | 4 5 | 5 | ||||||
| 16 | d | 3 | 4 | 5 | 6 | ||||
| e | 3 4 5 6 | 4 5 6 | 5 6 | 6 | |||||
| 20 | d | 5 | 6 | 6.35 | 7 | 8 | |||
| e | 5 6 6.35 7 8 | 6 6.35 7 8 | 6.35 7 8 | 7 8 | 8 | ||||
| 25 | d | 6.35 | 7 | 8 | 9.53 | 10 | |||
| e | 6.35 7 8 9 10 | 7 8 9.53 10 | 8 9.53 10 | 9.53 10 | 10 | ||||
| 32 | d | 7 | 8 | 9.53 | 10 | 11 | 12 | 14 | |
| e | 7 8 9.53 10 11 12 14 | 8 9.53 10 11 12 14 | 9.53 10 11 12 14 | 10 11 12 14 | 11 12 14 | 12 14 | 14 | ||
尺寸性能表
| 型号 |
L |
L1 |
F |
A |
M |
锁紧扭矩 (N·m) |
额定扭矩 (N·m) |
容许安装偏差 |
静态扭转刚性 (N·m/rad) |
最高转速 (r/min) |
惯性力矩 (kg·m²) |
重量 (g) |
||
| 代码 | D | 角向(°) | 径向(mm) | |||||||||||
| DCH03 |
12 | 14.9 | 5 | 2.5 | 4 | M2 | 0.5 | 0.2 | 2 | 0.5 | 9 | 13000 | 7.1×10⁻⁸ | 3 |
| 16 | 21 | 7 | 3.5 | 5 | M2.5 | 1 | 0.4 | 1.0 | 30 | 9500 | 3×10⁻⁷ | 8 | ||
| 20 | 22 | 6.5 | 0.7 | 1.3 | 47 | 7600 | 7.4×10⁻⁷ | 13 | ||||||
| 25 | 27.2 | 8 | 4 | 9 | M3 | 1.5 | 1.2 | 1.5 | 85 | 6100 | 2.2×10⁻⁶ | 24 | ||
| 32 | 33.3 | 10 | 5 | 11 | M4 | 2.5 | 2.8 | 2.0 | 190 | 4800 | 7.3×10⁻⁶ | 48 | ||
惯性力矩和重量按最大孔径计算。
产品简介
产品问答
关于此产品的常见问题
1、如何降低中间环磨损?
1、若间隔环端面与本体端面配合间隙过大,则会导致卡爪有效工作面减少,从而形成挤压,加剧联轴器的磨损,故需要减小间隙量;
2、对于采用铝青铜材质间隔环的联轴器,可以在两者配合间隙内增加润滑脂,按时润化,降低磨损。
2、十字环联轴器的使用温度范围?
POM材质间隔环使用温度-20℃~+80℃;铝青铜材质间隔环使用温度-40~+150°C
3、十字环联轴器特性?
该产品具有很高的扭矩,并且使用灵活、免维护和维修,后期使用和更换非常简单。
联轴器安装SOP
选型工具
1. 添加筛选条件,生成产品型号
客服
购物车
小程序
怡合达商城小程序
随身商城一手掌握
公众号
微信公众号
订单/资讯随手掌握
微信技术交流服务群
扫码添加进群
浏览记录
问题反馈
置顶
Copyright © 2010-2026 东莞怡合达自动化股份有限公司 版权所有 粤ICP备14032684号
营业执照: 91441900566614589Q