型号筛选
可选加工(可选)
未生成型号,还有 3 项未选择
重置
代码
无数据
产品选型
代码
无数据
外径D(mm)
无数据
轴孔径d(mm)
无数据
轴孔径e(mm)
无数据
DC
DC
DD
DD
dh
dh
eh
eh
价格生成中...
图片仅供参考,请以已选的规格为准
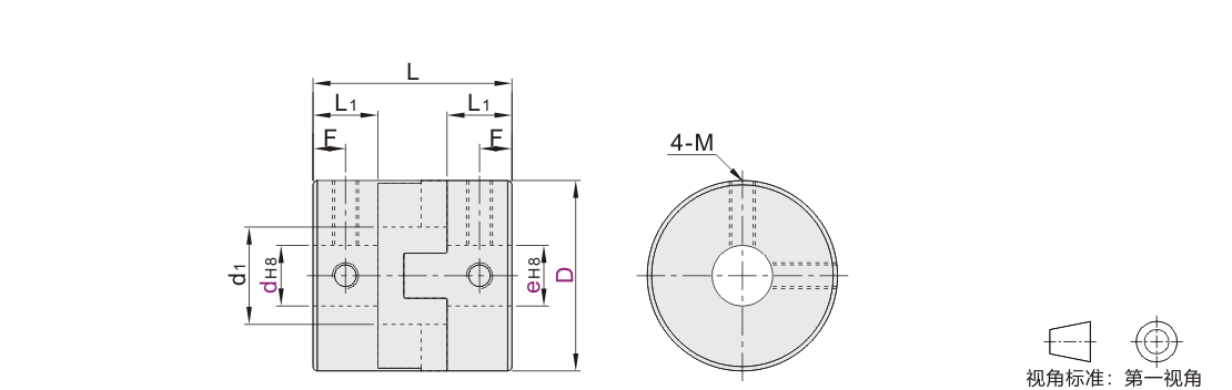
十字环联轴器 螺钉固定型 铝合金 POM十字环
品牌名称:
怡合达
条件筛选:
产品型号:
未税折扣单价: -- --
含税折扣单价: ----
含税总价 (税率13%): ¥--
预计发货天数:-- 天 (发货天数以下单次日起算,不含周日与法定假日)
购买数量(PCS):
起订量:1PCS
, 加量幅度:1PCS
登录后可查看价格、加入购物车、一键购买
立即登录
价格生成中...
登录后可查看价格、加入购物车、一键购买
立即登录
代码DBU03的技术资料信息曾有所变更,可前往 型号勘误表 查看变更记录
相似商品
同类人气商品
引导式选型
技术图档
全部型号
3D预览
技术图档
可选加工
产品简介
产品问答
联轴器安装SOP
选型工具
材质图
参数图
| 代码 |
类型 |
材质 |
表面处理 | 附件 |
|
| 主体 | 间隔环 | 主体 | |||
| DBU03 | 螺钉固定型 | 铝合金 | POM | 本色阳极氧化 | 内六角紧定螺钉 |
特点
使用温度-20°℃~80°℃。
因偏心、偏角、轴向的位移均为单独的允许值,所以当多种偏差同时出现时,该允许值将缩小。

选型表
| 型号 | d-e | |||||||
| 代码 | D | |||||||
| DBU03 | 44 | d | 14 | 15 | 16 | 18 | 20 | 22 |
| e | 14 15 16 18 20 22 | 15 16 18 20 22 | 16 18 20 22 | 18 20 22 | 20 22 | 22 | ||
| 55 | d | 18 | 20 | 22 | 25 | 26 | ||
| e | 18 20 22 25 26 | 20 22 25 26 | 22 25 26 | 25 26 | 26 | |||
| 70 | d | 22 | 25 | 28 | 30 | 35 | 38 | |
| e | 22 25 28 30 35 38 | 25 28 30 35 38 | 28 30 35 38 | 30 35 38 | 35 38 | 38 | ||
尺寸性能表
| 型号 |
d1 |
L |
L1 |
F |
M |
锁紧扭矩 (N·m) |
额定扭矩 (N·m) |
容许安装偏差 |
静态扭转刚性 (N·m/rad) |
最高转速 (r/min) |
惯性力矩 (kg·m²) |
重量 (g) |
||
| 代码 | D | 角向(°) | 径向(mm) | |||||||||||
| DBU03 | 44 | 22.5 | 46 | 15 | 7.5 | M6 | 7 | 30 | 2 | 1 | 1500 | 12000 | 4×10⁻⁵ | 140 |
| 55 | 28 | 57 | 19 | 9.5 | M8 | 15 | 45 | 1.5 | 2800 | 10000 | 11×10⁻⁵ | 260 | ||
| 70 | 39 | 77 | 25 | 12.5 | M10 | 30 | 80 | 2 | 4800 | 8000 | 40×10⁻⁵ | 450 | ||
惯性力矩和重量按最大孔径计算。
可选加工

产品简介
产品问答
关于此产品的常见问题
1、如何降低中间环磨损?
1、若间隔环端面与本体端面配合间隙过大,则会导致卡爪有效工作面减少,从而形成挤压,加剧联轴器的磨损,故需要减小间隙量;
2、对于采用铝青铜材质间隔环的联轴器,可以在两者配合间隙内增加润滑脂,按时润化,降低磨损。
2、十字环联轴器的使用温度范围?
POM材质间隔环使用温度-20℃~+80℃;铝青铜材质间隔环使用温度-40~+150°C
3、十字环联轴器特性?
该产品具有很高的扭矩,并且使用灵活、免维护和维修,后期使用和更换非常简单。
联轴器安装SOP
选型工具
1. 添加筛选条件,生成产品型号
客服
购物车
小程序
怡合达商城小程序
随身商城一手掌握
公众号
微信公众号
订单/资讯随手掌握
微信技术交流服务群
扫码添加进群
浏览记录
问题反馈
置顶
Copyright © 2010-2026 东莞怡合达自动化股份有限公司 版权所有 粤ICP备14032684号
营业执照: 91441900566614589Q