型号筛选
可选加工(可选)
未生成型号,还有 5 项未选择
重置
代码
无数据
参数选型
轴锁紧方式
无数据
产品选型
代码
无数据
外径D(mm)
无数据
轴孔径d(mm)
无数据
轴孔径e(mm)
无数据
价格生成中...
图片仅供参考,请以已选的规格为准
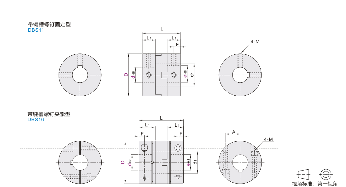
十字环联轴器 带键槽螺钉固定型/带键槽螺钉夹紧型 不锈钢 铝青铜十字环
条件筛选:
产品型号:
未税折扣单价: -- --
含税折扣单价: ----
含税总价 (税率13%): ¥--
预计发货天数:-- 天 (发货天数以下单次日起算,不含周日与法定假日)
购买数量():
起订量:0
, 加量幅度:0
登录后可查看价格、加入购物车、一键购买
立即登录
价格生成中...
登录后可查看价格、加入购物车、一键购买
立即登录
代码的技术资料信息曾有所变更,可前往 型号勘误表 查看变更记录
相似商品
同类人气商品
引导式选型
技术图档
全部型号
3D预览
技术图档
可选加工参数
产品简介
产品问答
联轴器安装SOP
选型工具
技术图档(二)
参数图
| 代码 |
类型 |
材质 |
附件 |
|
| 主体 | 间隔环 | |||
| DBS11 | 带键槽螺钉固定型 | 不锈钢 | 铝青铜 | 内六角紧定螺钉 |
| DBS16 | 带键槽螺钉夹紧型 | 内六角圆柱头螺钉 | ||

键槽详细尺寸见“产品简介”
选型表
| 型号 | d-e | L | L1 | F | A | d1 | DBS11 | DBS16 | ||||||||||
| 代码 | D | DBS11 | DBS16 | DBS11 | DBS16 | DBS11 | DBS16 | M | 锁紧扭矩 (N·m) |
M | 锁紧扭矩 (N·m) |
|||||||
| 固定型 DBS11 夹紧型 DBS16 |
45 | d | 15 | 16 | 18 | 20 | 43.6 | 46 | 15 | 16.2 | 7.5 | 6 | 14.5 | 22.5 | M5 | 3.6 | M5 | 10 |
| e | 15 16 18 20 | 16 18 20 | 18 20 | 20 | ||||||||||||||
| 55 | d | 20 | 22 | 24 | 25 | 49.4 | 57 | 17 | 20.8 | 8.5 | 7 | 18.5 | 29 | M6 | 6 | M6 | 15 | |
| e | 20 22 24 25 | 22 24 25 | 24 25 | 25 | ||||||||||||||
| 70 | d | 25 | 28 | 30 | 35 | 57 | 一 | 20 | 一 | 10 | 一 | 一 | 36 | M8 | 14 | 一 | 一 | |
| e | 25 28 30 35 | 28 30 35 | 30 35 | 35 | ||||||||||||||
尺寸性能表
| 型号 |
容许安装偏差 |
静态扭转刚性 (N·m/rad) |
最高转速 (r/min) |
惯性力矩 (kg·m²) |
额定扭矩 (N·m) |
重量(g) |
|||
| 代码 | D | 角向(°) | 径向(mm) | 轴向(mm) | |||||
| DBS11 | 45 | 1 | 1.0 | ±0.3 | 65000 | 10000 | 1.7×10⁻⁴ | 60 | 400 |
| 55 | 1.2 | ±0.5 | 100000 | 3.3×10⁻⁴ | 90 | 700 | |||
| 70 | 1.6 | ±0.6 | 180000 | 11×10⁻⁴ | 160 | 1300 | |||
| DBS16 | 45 | 1 | 0.8 | ±0.3 | 35000 | 5000 | 1.8×10⁻⁴ | 50 | 450 |
| 55 | 1.0 | ±0.5 | 52000 | 3.3×10⁻⁴ | 75 | 800 | |||
惯性力矩和重量按最大孔径计算。
可选加工参数

产品简介
产品问答
关于此产品的常见问题
1、如何降低中间环磨损?
1、若间隔环端面与本体端面配合间隙过大,则会导致卡爪有效工作面减少,从而形成挤压,加剧联轴器的磨损,故需要减小间隙量;
2、对于采用铝青铜材质间隔环的联轴器,可以在两者配合间隙内增加润滑脂,按时润化,降低磨损。
2、十字环联轴器的使用温度范围?
POM材质间隔环使用温度-20℃~+80℃;铝青铜材质间隔环使用温度-40~+150°C
3、十字环联轴器特性?
该产品具有很高的扭矩,并且使用灵活、免维护和维修,后期使用和更换非常简单。
联轴器安装SOP
选型工具
1. 添加筛选条件,生成产品型号
客服
购物车
小程序
怡合达商城小程序
随身商城一手掌握
公众号
微信公众号
订单/资讯随手掌握
微信技术交流服务群
扫码添加进群
浏览记录
问题反馈
置顶
Copyright © 2010-2026 东莞怡合达自动化股份有限公司 版权所有 粤ICP备14032684号
营业执照: 91441900566614589Q