型号筛选
可选加工(可选)
未生成型号,还有 3 项未选择
重置
代码
无数据
产品选型
代码
无数据
外径D(mm)
无数据
轴孔径d(mm)
无数据
轴孔径e(mm)
无数据
价格生成中...
图片仅供参考,请以已选的规格为准
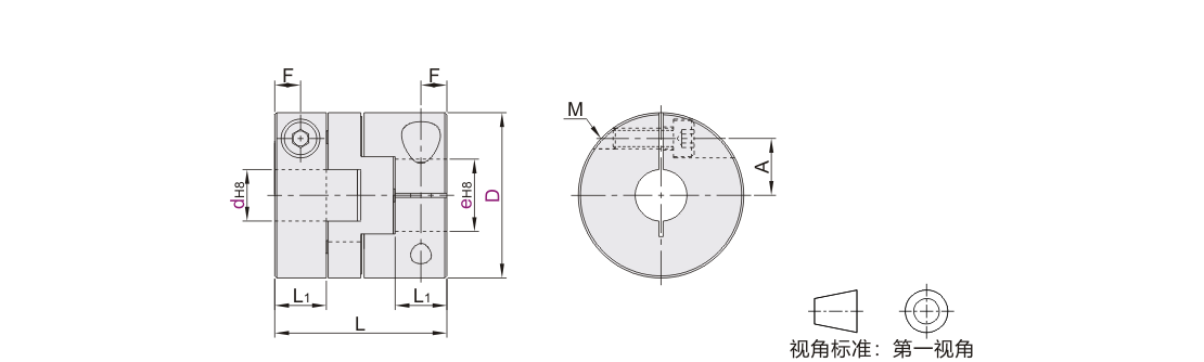
十字环联轴器 螺钉夹紧型 铝合金 PEEK十字环
条件筛选:
产品型号:
未税折扣单价: -- --
含税折扣单价: ----
含税总价 (税率13%): ¥--
预计发货天数:-- 天 (发货天数以下单次日起算,不含周日与法定假日)
购买数量(PCS):
起订量:1PCS
, 加量幅度:1PCS
登录后可查看价格、加入购物车、一键购买
立即登录
价格生成中...
登录后可查看价格、加入购物车、一键购买
立即登录
代码DBU06的技术资料信息曾有所变更,可前往 型号勘误表 查看变更记录
相似商品
同类人气商品
引导式选型
技术图档
全部型号
3D预览
技术图档
产品简介
产品问答
联轴器安装SOP
选型工具
材质图
参数图
| 代码 |
类型 |
材质 |
表面处理 | 附件 |
|
| 主体 | 间隔环 | 主体 | |||
| DBU06 | 螺钉夹紧型 | 铝合金 | PEEK(聚醚醚酮) | 阳极氧化 | 内六角圆柱头螺钉 |
特点
十字环式浇性联轴器;
两端本体与间隔环的滑动可以允许偏心、偏角。
用途:主要用于显示器生产设备、半导体生产设备。

选型表
| 型号 | d-e | |||||
| 代码 | 规格 | |||||
| DBU06 | 20 | d | 5 | 6 | 8 | |
| e | 5 6 8 | 6 8 | 8 | |||
| 25 | d | 8 | 10 | |||
| e | 8 10 | 10 | ||||
| 32 | d | 10 | 11 | 12 | 14 | |
| e | 10 11 12 14 | 11 12 14 | 12 14 | 14 | ||
尺寸性能表
| 型号 |
L |
L1 |
F |
M |
A |
锁紧扭矩 (N·m) |
额定扭矩 (N·m) |
最大扭矩 (N·m) |
最高转速*1 (r/min) |
惯性力矩 (kg·m²) |
静态扭转刚性 (N·m/rad) |
容许安装偏差 |
重量 (g) |
||
| 代码 | D | 径向(mm) | 角向(°) | ||||||||||||
| DBU06 | 20 | 22.1 | 7 | 3.5 | M2.5 | 6.5 | 1 | 0.7 | 1.4 | 31000 | 7.4×10-7 | 93 | 1.3 | 2 | 13 |
| 25 | 27.2 | 8 | 4 | M3 | 9 | 1.5 | 1.2 | 2.4 | 25000 | 2.2×10-6 | 140 | 1.5 | 24 | ||
| 32 | 33.3 | 10 | 5 | M4 | 11 | 2.5 | 2.8 | 5.6 | 19000 | 7.3×10-6 | 350 | 2 | 48 | ||
*1根据孔径尺寸不同,轴的可传递摩擦力矩有时会比联轴器的额定扭矩小。
惯性力矩和重量按最大孔径计算。
产品简介
产品问答
关于此产品的常见问题
1、如何降低中间环磨损?
1、若间隔环端面与本体端面配合间隙过大,则会导致卡爪有效工作面减少,从而形成挤压,加剧联轴器的磨损,故需要减小间隙量;
2、对于采用铝青铜材质间隔环的联轴器,可以在两者配合间隙内增加润滑脂,按时润化,降低磨损。
2、十字环联轴器的使用温度范围?
POM材质间隔环使用温度-20℃~+80℃;铝青铜材质间隔环使用温度-40~+150°C
3、十字环联轴器特性?
该产品具有很高的扭矩,并且使用灵活、免维护和维修,后期使用和更换非常简单。
联轴器安装SOP
选型工具
1. 添加筛选条件,生成产品型号
客服
购物车
小程序
怡合达商城小程序
随身商城一手掌握
公众号
微信公众号
订单/资讯随手掌握
微信技术交流服务群
扫码添加进群
浏览记录
问题反馈
置顶
Copyright © 2010-2026 东莞怡合达自动化股份有限公司 版权所有 粤ICP备14032684号
营业执照: 91441900566614589Q