型号筛选
可选加工(可选)
未生成型号,还有 6 项未选择
重置
代码
无数据
参数选型
主体材质
无数据
表面处理
无数据
产品选型
代码
无数据
外径D(mm)
无数据
轴孔径d(mm)
无数据
轴孔径e(mm)
无数据
价格生成中...
图片仅供参考,请以已选的规格为准
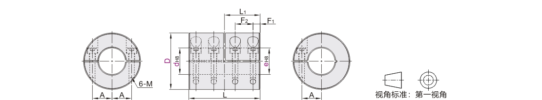
刚性联轴器 螺钉夹紧型 铝合金/不锈钢 半分离式
条件筛选:
产品型号:
未税折扣单价: -- --
含税折扣单价: ----
含税总价 (税率13%): ¥--
预计发货天数:-- 天 (发货天数以下单次日起算,不含周日与法定假日)
购买数量():
起订量:0
, 加量幅度:0
登录后可查看价格、加入购物车、一键购买
立即登录
价格生成中...
登录后可查看价格、加入购物车、一键购买
立即登录
代码的技术资料信息曾有所变更,可前往 型号勘误表 查看变更记录
相似商品
同类人气商品
引导式选型
技术图档
全部型号
3D预览
技术图档
产品简介
产品问答
联轴器安装SOP
选型工具
材质图
参数图
| 代码 | 类型 | 主体材质 | 表面处理 | 附件 |
| DCS06 | 半分离型 | 铝合金 | 阳极氧化 | 内六角圆柱头螺钉 |
| DCS07 | 不锈钢 |
特点
无吸收偏差的能力,安装时务必对两轴进行对中;
夹紧固定侧连接1个轴的情况下,可以在半分离侧安装、拆卸另1个轴,提高了组装的方便性。

选型表
| 型号 | d-e | |||||
| 代码 | D | |||||
| DCS06 DCS07 |
16 | d | 5 | 6 | ||
| e | 5 6 | 6 | ||||
| 20 | d | 6 | 8 | |||
| e | 6 8 | 8 | ||||
| 25 | d | 8 | 10 | 12 | ||
| e | 8 10 12 | 10 12 | 12 | |||
| 32 | d | 10 | 12 | 14 | 15 | |
| e | 10 12 14 15 | 12 14 15 | 14 15 | 15 | ||
| 型号 | D | L | L1 | F1 | A | M | 锁紧扭矩 (N·m) |
额定扭矩 (N·m) |
最高转速 (r/min) |
惯性力矩(kg·m²) |
重量(g) |
||
| 代码 | DCS06 | DCS07 | DCS06 | DCS07 | |||||||||
| DCS06 DCS07 |
16 | 22 | 11 | 2.5 | 5 | M2 | 0.5 | 0.3 | 39000 | 3.5×10⁻⁷ | 9.1×10⁻⁷ | 10 | 25 |
| 20 | 24 | 12 | 7 | 0.5 | 31000 | 9.5×10⁻⁷ | 2.6×10⁻⁶ | 18 | 45 | ||||
| 25 | 36 | 18 | 4.5 | 9 | M2.5 | 1 | 1 | 25000 | 3.4×10⁻⁶ | 9.3×10⁻⁶ | 38 | 100 | |
| 32 | 40 | 20 | 4 | 11 | M3 | 1.5 | 2 | 19000 | 1.0×10⁻⁵ | 2.8×10⁻⁵ | 70 | 180 | |
惯性力矩和重量按最大孔径计算。
产品简介
产品问答
关于此产品的常见问题
1、刚型联轴器的使用注意事项?
刚性联轴器对于轴的对中偏差有严格的要求,可连接完全对中的轴,或连接电机和减速箱。
2、刚性联轴器能否支持定制?
可以支持定制,根据客户来图要求生产,尺寸相对其它类型联轴器更好定制。
联轴器安装SOP
选型工具
1. 添加筛选条件,生成产品型号
客服
购物车
小程序
怡合达商城小程序
随身商城一手掌握
公众号
微信公众号
订单/资讯随手掌握
微信技术交流服务群
扫码添加进群
浏览记录
问题反馈
置顶
Copyright © 2010-2026 东莞怡合达自动化股份有限公司 版权所有 粤ICP备14032684号
营业执照: 91441900566614589Q