型号筛选
可选加工(可选)
未生成型号,还有 6 项未选择
重置
代码
无数据
参数选型
主体材质
无数据
表面处理
无数据
产品选型
代码
无数据
外径Dmm
无数据
轴孔径dmm
无数据
轴孔径emm
无数据
价格生成中...
图片仅供参考,请以已选的规格为准
刚性联轴器 螺钉夹紧型 铝合金/不锈钢
品牌名称:
怡合达
条件筛选:
产品型号:
未税折扣单价: -- --
含税折扣单价: ----
含税总价 (税率13%): ¥--
预计发货天数:-- 天 (发货天数以下单次日起算,不含周日与法定假日)
购买数量():
起订量:0
, 加量幅度:0
登录后可查看价格、加入购物车、一键购买
立即登录
价格生成中...
登录后可查看价格、加入购物车、一键购买
立即登录
代码的技术资料信息曾有所变更,可前往 型号勘误表 查看变更记录
相似商品
同类人气商品
引导式选型
技术图档
全部型号
3D预览
技术图档(二)
产品简介
产品问答
材质图
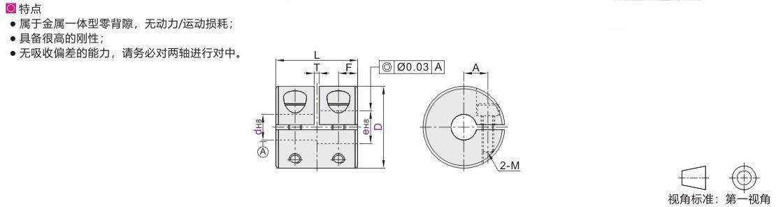
参数图
材质图
参数图
| 代码 | 类型 | 主体材质 | 表面处理 | 附件 |
| DCQ02 | 螺钉夹紧型 |
不锈钢 | 一 | 内六角圆柱头螺钉 |
| DCQ03 | 铝合金 | 本色阳极氧化 |

选型表
| 型号 |
d-e |
L |
A | T |
F | M |
额定扭矩 (N ·m) |
最高转速 (r/min) |
惯性力矩(kg·m²) |
锁紧扭矩 (N ·m) |
重量(g) |
||||||||||||
| 代码 | D | DCQ02 | DCQ03 | DCQ02 | DCQ03 | ||||||||||||||||||
| DCQ02 DCQ03 |
16 |
|
16 | 5 | 1 | 3.75 | M2.5 | 0.3 | 39000 | 8.0×10-7 | 3.0×10-7 | 1 | 22 | 9 | |||||||||
| 20 |
|
20 | 6.5 | 4.75 | 0.5 | 31000 | 2.4×10-6 | 8.7×10-7 | 41 | 15 | |||||||||||||
| 25 |
|
25 | 9 | M3 | 1 | 25000 | 7.3×10-6 | 2.7×10-6 | 1.5 | 80 | 29 | ||||||||||||
| 32 |
|
32 | 11 | 7.75 | M4 | 2 | 19000 | 2.5×10-5 | 7.1×10-6 | 2.5 | 160 | 61 | |||||||||||
| 40 |
|
44 | 13 | 1.5 | 10.5 | M5 | 4 | 15000 | 一 | 1.5×10-5 | 7 | 一 | 120 | ||||||||||
| 50 |
|
55 | 16 | 2 | 13 | M6 | 6 | 4000 | 一 | 7.0×10-5 | 12 | 一 | 240 | ||||||||||
带()D规格不适用DCQ02。
惯性力矩和重量按最大孔径计算。
产品简介
产品问答
关于此产品的常见问题
1、刚型联轴器的使用注意事项?
刚性联轴器对于轴的对中偏差有严格的要求,可连接完全对中的轴,或连接电机和减速箱。
2、刚性联轴器能否支持定制?
可以支持定制,根据客户来图要求生产,尺寸相对其它类型联轴器更好定制。
1. 添加筛选条件,生成产品型号
客服
购物车
公众号
微信公众号
订单/资讯随手掌握
微信技术交流服务群
扫码添加进群
浏览记录
问题反馈
置顶
Copyright © 2010-2025 东莞怡合达自动化股份有限公司 版权所有 粤ICP备14032684号
营业执照: 91441900566614589Q