型号筛选
未生成型号,还有 7 项未选择
代码
参数选型
主体材质
表面处理
轴锁紧方式
产品选型
外径D(mm)
轴孔径d(mm)
轴孔径e(mm)
图片仅供参考,请以已选的规格为准
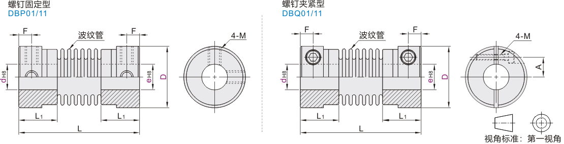
波纹管式联轴器 螺钉夹紧型/螺钉固定型 胶接式 不锈钢/铝合金
条件筛选:
产品型号:
登录后可查看价格、加入购物车、一键购买
立即登录
引导式选型
规格参数
全部型号
3D预览
可选加工参数
产品简介
产品问答
联轴器安装SOP
选型工具
材质图
参数图
| 代码 |
类型 |
材质 |
表面处理 | 附件 |
|
| 主体 | 波纹管 | 主体 | |||
| DBP01 | 螺钉固定型 | 铝合金 | 不锈钢 | 阳极氧化 | 内六角 紧定螺钉 |
| DBP11 | 不锈钢 | 一 | |||
| DBQ01 | 螺钉夹紧型 | 铝合金 | 阳极氧化 | 内六角 圆柱头螺钉 |
|
| DBQ11 | 不锈钢 | 一 | |||
特点
● 因偏心、偏角、轴向的位移均为单独的允许值,所以当多种偏差同时出现时,该允许值将缩小。
● 即使有误差也能等速旋转。
当主体材质是铝合金时,部分产品表面处理为镀珍珠镍,具体请咨询我司工作人员。

DBP01~11
| 型号 | d-e | |||||||
| 代码 | D | |||||||
| DBP01 DBP11 |
12 | d | 4 | 5 | ||||
| e | 4 5 | 5 | ||||||
| 16 | d | 4 | 5 | 6 | 6.35 | 8 | ||
| e | 4 5 6 6.35 8 | 5 6 6.35 8 | 6 6.35 8 | 6.35 8 | 8 | |||
| 20 | d | 5 | 6 | 6.35 | 8 | 9.525 | ||
| e | 5 6 6.35 8 9.525 | 6 6.35 8 9.525 | 6.35 8 9.525 | 8 9.525 | 9.525 | |||
| 25 | d | 6 | 6.35 | 8 | 9.525 | 10 | 12 | |
| e | 6 6.35 8 9.525 10 12 | 6.35 8 9.525 10 12 | 8 9.525 10 12 | 9.525 10 12 | 10 12 | 12 | ||
| 32 | d | 8 | 9.525 | 10 | 12 | 14 | ||
| e | 8 9.525 10 12 14 | 9.525 10 12 14 | 10 12 14 | 12 14 | 14 | |||
DBQ01~11
| 型号 | d-e | |||||||
| 代码 | D | |||||||
| DBQ01 DBQ11 |
12 | d | 4 | 5 | ||||
| e | 4 5 | 5 | ||||||
| 16 | d | 4 | 5 | 6 | 6.35 | 8 | ||
| e | 4 5 6 6.35 8 | 5 6 6.35 8 | 6 6.35 8 | 6.35 8 | 8 | |||
| 20 | d | 5 | 6 | 6.35 | 8 | 9.525 | ||
| e | 5 6 6.35 8 9.525 | 6 6.35 8 9.525 | 6.35 8 9.525 | 8 9.525 | 9.525 | |||
| 25 | d | 6 | 6.35 | 8 | 9.525 | 10 | 12 | |
| e | 6 6.35 8 9.525 10 12 | 6.35 8 9.525 10 12 | 8 9.525 10 12 | 9.525 10 12 | 10 12 | 12 | ||
| 32 | d | 8 | 9.525 | 10 | 12 | 14 | ||
| e | 8 9.525 10 12 14 | 9.525 10 12 14 | 10 12 14 | 12 14 | 14 | |||
DBP01~11尺寸性能表
| 型号 |
L |
L1 |
F |
M |
锁紧扭矩 (N·m) |
额定扭矩 (N·m) |
容许安装偏差 |
静态扭转刚性 (N·m/rad) |
最高转速 (r/min) |
惯性力矩 (kg·m²) |
重量 (g) |
|||
| 代码 | D | 角向(°) | 径向(mm) | 轴向(mm) | ||||||||||
| DBP01 | 12 | 23.5 | 7.5 | 2.3 | M2 | 0.5 | 0.3 | 1.5 | 0.10 | +0.4 -1.2 |
82 | 52000 | 9.0×10⁻⁸ | 4 |
| 16 | 26.5 | 9 | 3 | M2.5 | 1 | 0.5 | 110 | 39000 | 3.5×10⁻⁷ | 9 | ||||
| 20 | 32 | 10 | 3.5 | 0.8 | 2 | 0.15 | +0.6 -1.8 |
180 | 31000 | 9.9×10⁻⁷ | 16 | |||
| 25 | 36.5 | 12 | 4.5 | M3 | 1.5 | 1.3 | 240 | 25000 | 3.1×10⁻⁶ | 32 | ||||
| 32 | 42 | 13.5 | 5 | M4 | 2.5 | 2 | 0.20 | +0.8 -2.5 |
330 | 19000 | 9.2×10⁻⁶ | 57 | ||
| DBP11 | 12 | 23.5 | 7.5 | 2.3 | M2 | 0.5 | 0.5 | 1.5 | 0.10 | +0.4 -1.2 |
82 | 52000 | 2.1×10⁻⁷ | 9 |
| 16 | 26.5 | 9 | 3 | M2.5 | 1 | 1 | 110 | 39000 | 8.0×10⁻⁷ | 20 | ||||
| 20 | 32 | 10 | 3.5 | 1.5 | 2 | 0.15 | +0.6 -1.8 |
180 | 31000 | 2.3×10⁻⁶ | 37 | |||
| 25 | 36.5 | 12 | 4.5 | M3 | 1.5 | 2 | 240 | 25000 | 7.0×10⁻⁶ | 73 | ||||
| 32 | 42 | 13.5 | 5 | M4 | 2.5 | 3 | 0.20 | +0.8 -2.5 |
330 | 19000 | 2.1×10⁻⁶ | 130 | ||
DBQ01~11尺寸性能表
| 型号 | L | L1 | F | A | M | 锁紧扭矩 (N·m) |
额定扭矩 (N·m) |
容许安装偏差 | 静态扭转刚性 (N·m/rad) |
最高转速 (r/min) |
惯性力矩(kg·m²) | 重量 (g) |
|||
| 代码 | D | 角向(°) | 径向(mm) | 轴向(mm) | |||||||||||
| DBQ01 | 12 | 23 | 7.5 | 2.3 | 4 | M2 | 0.5 | 0.3 | 1.5 | 0.10 | +0.4 -1.2 |
82 | 13000 | 9.7×10⁻⁸ | 4 |
| 16 | 30 | 10.5 | 3 | 5.8 | 1 | 0.5 | 110 | 9500 | 3.7×10⁻⁷ | 10 | |||||
| 20 | 33 | 12.5 | 3 | 6.8 | M2.5 | 0.8 | 2 | 0.15 | +0.6 -1.8 |
180 | 7700 | 1.0×10⁻⁶ | 16 | ||
| 25 | 38 | 13.5 | 3.8 | 9 | M3 | 1.5 | 1.3 | 240 | 6100 | 3.1×10⁻⁶ | 32 | ||||
| 32 | 43 | 14 | 4 | 11 | M4 | 2.5 | 2 | 0.20 | +0.8 -2.5 |
330 | 4800 | 9.6×10⁻⁶ | 58 | ||
| DBQ11 | 12 | 23 | 7.5 | 2.3 | 4 | M2 | 0.5 | 0.5 | 1.5 | 0.10 | +0.4 -1.2 |
82 | 13000 | 2.1×10⁻⁷ | 9 |
| 16 | 30 | 10.5 | 3 | 5 | 1 | 1 | 110 | 9500 | 8.1×10⁻⁷ | 22 | |||||
| 20 | 33 | 12.5 | 3 | 6.5 | M2.5 | 1.5 | 2 | 0.15 | +0.6 -1.8 |
180 | 7700 | 2.3×10⁻⁶ | 38 | ||
| 25 | 38 | 13.5 | 3.8 | 9 | M3 | 1.5 | 2 | 240 | 6100 | 6.9×10⁻⁶ | 74 | ||||
| 32 | 43 | 14 | 4 | 11 | M4 | 2.5 | 3 | 0.20 | +0.8 -2.5 |
330 | 4800 | 2.1×10⁻⁵ | 130 | ||
惯性力矩和重量按最大孔径计算。