型号筛选
可选加工(可选)
未生成型号,还有 5 项未选择
重置
代码
无数据
参数选型
类型
无数据
产品选型
代码
无数据
外径D(mm)
无数据
轴孔径d(mm)
无数据
轴孔径e(mm)
无数据
价格生成中...
图片仅供参考,请以已选的规格为准
减振式联轴器 螺钉夹紧分离型 铝合金 HNBR弹性体
条件筛选:
产品型号:
未税折扣单价: -- --
含税折扣单价: ----
含税总价 (税率13%): ¥--
预计发货天数:-- 天 (发货天数以下单次日起算,不含周日与法定假日)
购买数量():
起订量:0
, 加量幅度:0
登录后可查看价格、加入购物车、一键购买
立即登录
价格生成中...
登录后可查看价格、加入购物车、一键购买
立即登录
代码的技术资料信息曾有所变更,可前往 型号勘误表 查看变更记录
相似商品
同类人气商品
引导式选型
技术图档
全部型号
3D预览
技术图档
产品简介
产品问答
联轴器安装SOP
选型工具
材质图
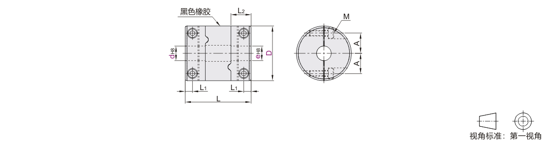
参数图
| 代码 | 类型 | 材质 | 附件 | ||
| 主体 | 间隔环 | ||||
| DBN64 | 螺钉夹紧分离型 | 标准型 | 铝合金 | HNBR | 内六角圆柱头螺钉 |
| DBN65 | 加长型 | ||||

标准型
| 型号 |
d-e |
||||||||||
| 代码 | D | ||||||||||
| DBN64 | 15 | d | 3 | 4 | 4.5 | 5 | 6 | ||||
| e | 5 6 | 4 5 6 | 5 | 5 6 | 6 | ||||||
| 19 | d | 4 | 5 | 6 | 6.35 | 8 | |||||
| e | 5 8 | 5 6 7 8 | 6 6.35 8 | 8 | 8 | ||||||
| 25 | d | 5 | 6 | 6.35 | 8 | 10 | 12 | ||||
| e | 6 8 | 6 8 10 11 12 | 8 10 | 8 10 11 12 | 10 12 | 12 | |||||
| 30 | d | 8 | 10 | 11 | 12 | 14 | 15 | ||||
| e | 8 10 11 12 14 15 | 10 11 12 14 15 | 12 | 12 14 15 | 14 15 | 15 | |||||
| 34 | d | 8 | 10 | 11 | 12 | 14 | 15 | 16 | |||
| e | 8 10 11 12 14 15 | 10 11 12 14 15 | 11 12 | 12 14 15 | 14 15 | 15 | 16 | ||||
| 39 | d | 10 | 12 | 14 | 15 | 16 | 17 | 20 | |||
| e | 10 11 12 14 15 16 | 12 14 15 16 19 20 | 14 15 16 | 15 16 19 | 16 | 17 | 20 | ||||
| 44 | d | 12 | 14 | 15 | 16 | 17 | 19 | 20 | |||
| e | 12 14 16 19 | 14 15 16 19 | 15 16 19 20 | 16 19 | 19 | 20 | 20 | ||||
| 56 | d | 15 | 19 | 20 | 24 | 25 | |||||
| e | 15 19 20 25 | 20 24 | 20 25 | 25 | 25 | ||||||
加长型
| 型号 |
d-e |
||||||||||
| 代码 | D | ||||||||||
| DBN65 | 15 | d | 3 | 5 | |||||||
| e | 5 | 5 6 | |||||||||
| 19 | d | 4 | 5 | 6 | 6.35 | 8 | |||||
| e | 5 | 5 6 7 8 | 6 6.35 8 | 8 | 8 | ||||||
| 25 | d | 5 | 6 | 6.35 | 8 | 10 | |||||
| e | 8 | 8 10 | 8 | 8 10 11 12 | 10 12 | ||||||
| 30 | d | 8 | 10 | 11 | 12 | ||||||
| e | 8 10 11 12 14 15 | 10 11 12 14 15 | 12 | 14 | |||||||
| 34 | d | 8 | 10 | 11 | 12 | 14 | |||||
| e | 8 10 11 12 14 | 11 14 | 12 | 14 | 15 | ||||||
| 39 | d | 10 | 12 | 14 | 15 | ||||||
| e | 10 12 14 | 14 | 15 | 19 | |||||||
尺寸性能表
| 型号 | L | L1 | L2 | A | M | 锁紧扭矩 (N·m) |
额定扭矩 (N·m) |
最大扭矩 (N·m) |
最高转速 (r/min) |
惯性力矩 (kg·m²) |
静态扭转刚性 (N·m/rad) |
容许安装偏差 | 重量 (g) |
|||
| 代码 | D | 径向 (mm) |
角向 (°) |
轴向 (mm) |
||||||||||||
| 标准型 DBN64 |
15 | 23 | 2.15 | 6.5 | 5 | M1.6 | 0.25 | 1.1 | 2.2 | 42000 | 2.7×10⁻⁷ | 43 | 0.15 | 1.5 | ±0.2 | 8 |
| 19 | 26 | 2.65 | 7.7 | 6.5 | M2 | 0.5 | 2.1 | 4.2 | 33000 | 8.4×10⁻⁷ | 88 | 14 | ||||
| 25 | 32 | 3.25 | 9.5 | 9 | M2.5 | 1 | 4 | 8 | 25000 | 3.0×10⁻⁶ | 170 | 28 | ||||
| 30 | 36 | 4 | 11 | 11 | M3 | 1.5 | 6.3 | 12.6 | 21000 | 6.9×10⁻⁶ | 220 | 0.2 | ±0.3 | 45 | ||
| 34 | 38 | 12 | 12.25 | 8 | 16 | 18000 | 1.3×10⁻⁵ | 390 | 65 | |||||||
| 39 | 48 | 4.5 | 15.5 | 14.5 | M4 | 2.5 | 13.5 | 27 | 16000 | 2.7×10⁻⁵ | 520 | 98 | ||||
| 44 | 48 | 4.75 | 15 | 16 | 18 | 36 | 14000 | 4.2×10⁻⁵ | 640 | 136 | ||||||
| 56 | 60 | 5.5 | 19.5 | 20 | M5 | 7 | 35 | 70 | 11000 | 1.4×10⁻⁴ | 1500 | 276 | ||||
| 加长型 DBN65 |
15 | 30 | 2.15 | 6.5 | 5 | M1.6 | 0.25 | 1.1 | 2.2 | 42000 | 3.3×10⁻⁷ | 32 | 0.15 | 1.5 | ±0.2 | 11 |
| 19 | 34 | 2.65 | 7.7 | 6.5 | M2 | 0.5 | 2.1 | 4.2 | 33000 | 9.7×10⁻⁷ | 77 | 19 | ||||
| 25 | 42 | 3.25 | 9.5 | 9 | M2.5 | 1 | 4 | 8 | 25000 | 3.5×10⁻⁶ | 130 | 38 | ||||
| 30 | 42 | 4 | 11 | 11 | M3 | 1.5 | 6.3 | 12.6 | 21000 | 7.3×10⁻⁶ | 200 | 0.2 | ±0.3 | 53 | ||
| 34 | 44 | 12 | 12.25 | 8 | 16 | 18000 | 1.3×10⁻⁵ | 280 | 73 | |||||||
| 39 | 55 | 4.5 | 15.5 | 14.5 | M4 | 2.5 | 13.5 | 27 | 16000 | 2.8×10⁻⁵ | 450 | 117 | ||||
惯性力矩和重量按最大孔计算!
产品简介
产品问答
关于此产品的常见问题
1、减振式联轴器的特点?
使用以往的金属联轴器,会发生共振的情况。使用刚性高、减震能力强的高减振能力橡胶型联轴器,可以实现高增益,提高生产效率。
联轴器安装SOP
选型工具
1. 添加筛选条件,生成产品型号
客服
购物车
小程序
怡合达商城小程序
随身商城一手掌握
公众号
微信公众号
订单/资讯随手掌握
微信技术交流服务群
扫码添加进群
浏览记录
问题反馈
置顶
Copyright © 2010-2026 东莞怡合达自动化股份有限公司 版权所有 粤ICP备14032684号
营业执照: 91441900566614589Q