型号筛选
可选加工(可选)
未生成型号,还有 3 项未选择
重置
代码
无数据
产品选型
代码
无数据
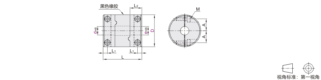
外径D(mm)
无数据
轴孔径d(mm)
无数据
轴孔径e(mm)
无数据
价格生成中...
图片仅供参考,请以已选的规格为准
减振式联轴器 单侧螺钉夹紧型 铝合金 HNBR弹性体
条件筛选:
产品型号:
未税折扣单价: -- --
含税折扣单价: ----
含税总价 (税率13%): ¥--
预计发货天数:-- 天 (发货天数以下单次日起算,不含周日与法定假日)
购买数量(PCS):
起订量:1PCS
, 加量幅度:1PCS
登录后可查看价格、加入购物车、一键购买
立即登录
价格生成中...
登录后可查看价格、加入购物车、一键购买
立即登录
代码DBN66的技术资料信息曾有所变更,可前往 型号勘误表 查看变更记录
相似商品
同类人气商品
引导式选型
技术图档
全部型号
3D预览
技术图档
产品简介
产品问答
联轴器安装SOP
选型工具
材质图
参数图
| 代码 | 类型 | 材质 | 附件 | ||
| 主体 | 间隔环 | ||||
| DBN66 | 单侧螺钉夹紧型 | 短型 | 铝合金 | HNBR | 内六角圆柱头螺钉 |

选型表
| 型号 |
d-e |
||||||||||
| 代码 | D | ||||||||||
| DBN66 | 15 | d | 3 | 4 | 4.5 | 5 | 6 | ||||
| e | 5 6 | 4 5 6 | 5 | 5 6 | 6 | ||||||
| 19 | d | 4 | 5 | 6 | 6.35 | 8 | |||||
| e | 5 | 5 6 7 8 | 6 6.35 7 8 | 8 | 8 | ||||||
| 25 | d | 5 | 6 | 6.35 | 8 | 10 | 12 | ||||
| e | 6 8 | 6 8 10 11 12 | 8 10 | 8 10 11 12 | 10 12 | 12 | |||||
| 27 |
d | 5 | 6 | 8 | 10 | 12 | 14 | ||||
| e | 6 8 14 | 6 8 10 11 12 14 | 8 10 11 12 14 | 10 12 14 | 12 14 | 14 | |||||
| 30 | d | 8 | 10 | 11 | 12 | 14 | 15 | ||||
| e | 8 10 11 12 14 15 | 10 11 12 14 15 | 12 | 12 14 15 | 14 15 | 15 | |||||
| 34 | d | 8 | 10 | 11 | 12 | 14 | 15 | ||||
| e | 8 10 11 12 14 15 | 10 11 12 14 15 | 11 12 | 12 14 15 | 14 15 | 15 | |||||
| 39 | d | 10 | 12 | 14 | 15 | 16 | 17 | 20 | |||
| e | 10 12 14 15 16 | 12 14 15 16 19 20 | 14 15 16 | 15 16 19 | 16 | 17 | 20 | ||||
尺寸性能表
| 型号 | L | L1 | L2 | A | M | 锁紧扭矩 (N·m) |
额定扭矩 (N·m) |
最大扭矩 (N·m) |
最高转速 (r/min) |
惯性力矩 (kg·m²) |
静态扭转刚性 (N·m/rad) |
容许安装偏差 | 重量 (g) |
|||
| 代码 | D | 径向(mm) | 角向(°) | 轴向(mm) | ||||||||||||
| DBN66 | 15 | 18 | 2.15 | 6.5 | 5 | M1.6 | 0.25 | 0.5 | 1 | 42000 | 2.0×10⁻⁷ | 25 | 25 | 1.5 | ±0.2 | 7 |
| 19 | 20 | 2.65 | 7.7 | 6.5 | M2 | 0.5 | 0.8 | 1.6 | 33000 | 5.7×10⁻⁷ | 63 | 63 | 11 | |||
| 25 | 27 | 3.25 | 9.5 | 9 | M2.5 | 1 | 2.3 | 4.6 | 25000 | 2.2×10⁻⁶ | 100 | 100 | 24 | |||
| 27 | 27 | 10 | 23000 | 3.0×10⁻⁶ | 120 | 120 | 27 | |||||||||
| 30 | 30 | 4 | 11 | 11 | M3 | 1.5 | 3.3 | 6.6 | 21000 | 5.3×10⁻⁶ | 160 | 160 | ±0.3 | 38 | ||
| 34 | 35 | 12 | 12.25 | 5.5 | 11 | 18000 | 9.9×10⁻⁵ | 350 | 350 | 58 | ||||||
| 39 | 40 | 4.5 | 15.5 | 14.5 | M4 | 2.5 | 7 | 14 | 16000 | 2.0×10⁻⁵ | 440 | 440 | 86 | |||
惯性力矩和重量按最大孔计算!
产品简介
产品问答
关于此产品的常见问题
1、减振式联轴器的特点?
使用以往的金属联轴器,会发生共振的情况。使用刚性高、减震能力强的高减振能力橡胶型联轴器,可以实现高增益,提高生产效率。
联轴器安装SOP
选型工具
1. 添加筛选条件,生成产品型号
客服
购物车
小程序
怡合达商城小程序
随身商城一手掌握
公众号
微信公众号
订单/资讯随手掌握
微信技术交流服务群
扫码添加进群
浏览记录
问题反馈
置顶
Copyright © 2010-2026 东莞怡合达自动化股份有限公司 版权所有 粤ICP备14032684号
营业执照: 91441900566614589Q