型号筛选
可选加工(可选)
未生成型号,还有 9 项未选择
重置
代码
无数据
参数选型
产品类型
无数据
支架
无数据
滚轮(球)材质
无数据
滚轮(球)表面处理
无数据
滚轮宽度
无数据
衬层(壳体)材质
无数据
产品选型
代码
无数据
轮数量
无数据
P
无数据
价格生成中...
图片仅供参考,请以已选的规格为准
包胶滚轮条 U型螺帽 防静电型 耐溶剂型 耐热型 滚轮宽度9/15/25/50mm 钢/不锈钢/聚氨酯/橡胶
条件筛选:
产品型号:
未税折扣单价: -- --
含税折扣单价: ----
含税总价 (税率13%): ¥--
预计发货天数:-- 天 (发货天数以下单次日起算,不含周日与法定假日)
购买数量():
起订量:0
, 加量幅度:0
登录后可查看价格、加入购物车、一键购买
立即登录
价格生成中...
登录后可查看价格、加入购物车、一键购买
立即登录
代码的技术资料信息曾有所变更,可前往 型号勘误表 查看变更记录
技术图档
全部型号
3D预览
技术图档
可选加工参数
材质图
参数图
| 代码 |
滚轮 宽度 |
支架 |
材质 |
表面 处理 |
硬度 | ||||||
| 标准型 | 防静电型 | 耐溶剂型 | 耐热型 | 滚轮/螺钉·螺帽 | 衬层 | 框架 | 支架 | 衬层 | |||
| QJN01 | QJN51 | QJP01 | QJP51 | 9 | 有 | 钢 | 聚氨酯 | 不锈钢 | 钢 | 镀锌 | 肖氏A90 |
| QJN02 | QJN52 | QJP02 | QJP52 | 不锈钢 | — | ||||||
| QJN03 | QJN53 | QJP03 | QJP53 | 无 | 钢 | — | 镀锌 | ||||
| QJN04 | QJN54 | QJP04 | QJP54 | 不锈钢 | — | ||||||
| QJN11 | QJN61 | QJP11 | QJP61 | 15 | 有 | 钢 | 钢 | 镀锌 | |||
| QJN13 | QJN63 | QJP13 | QJP63 | 无 | — | ||||||
| QJB82 | — | — | — | 橡胶 | |||||||
| QJN21 | QJN71 | QJP21 | QJP71 | 25 | 有 | 钢 | 聚氨酯 | 钢 | 镀锌 | ||
| QJN22 | QJN72 | QJP22 | QJP72 | 不锈钢 | — | ||||||
| QJN23 | QJN73 | QJP23 | QJP73 | 无 | 钢 | — | 镀锌 | ||||
| QJN24 | QJN74 | QJP24 | QJP74 | 不锈钢 | — | ||||||
| QJN31 | QJN81 | QJP31 | QJP81 | 50 | 有 | 钢 | 钢 | 镀锌 | |||
| QJN33 | QJN83 | QJP33 | QJP83 | 无 | — | ||||||

衬层材质:聚氨酯
| 型号 |
P 轮距 |
L |
耐负载 (单个滚轮) |
||
| 代码 |
轮数量 | P=30 | P=35 | ||
| (滚轮宽度9) 标准型 防静电型 耐溶剂型 耐热型 QJN01 QJN51 QJP01 QJP51 QJN02 QJN52 QJP02 QJP52 QJN03 QJN53 QJP03 QJP53 QJN04 QJN54 QJP04 QJP54 (滚轮宽度15) 标准型 防静电型 耐溶剂型 耐热型 QJN11 QJN61 QJP11 QJP61 QJN13 QJN63 QJP13 QJP63 (滚轮宽度25) 标准型 防静电型 耐溶剂型 耐热型 QJN21 QJN71 QJP21 QJP71 QJN22 QJN72 QJP22 QJP72 QJN23 QJN73 QJP23 QJP73 QJN24 QJN74 QJP24 QJP74 (滚轮宽度50) 标准型 防静电型 耐溶剂型 耐热型 QJN31 QJN81 QJP31 QJP81 QJN33 QJN83 QJP33 QJP83 |
2 | 30 35 |
58 | 68 | (滚轮宽度9) 30kgf(294N) (滚轮宽度15) 30kgf(294N) (滚轮宽度25) 40kgf(392N) (滚轮宽度50) 50kgf(480N) |
| 3 | 88 | 103 | |||
| 4 | 118 | 138 | |||
| 5 | 148 | 173 | |||
| 6 | 178 | 208 | |||
| 7 | 208 | 243 | |||
| 8 | 238 | 278 | |||
| 9 | 268 | 313 | |||
| 10 | 298 | 348 | |||
| 11 | 328 | 383 | |||
| 12 | 358 | 418 | |||
| 13 | 388 | 453 | |||
| 14 | 418 | 488 | |||
| 15 | 448 | 523 | |||
| 16 | 478 | 558 | |||
| 17 | 508 | 593 | |||
| 18 | 538 | 628 | |||
| 19 | 568 | 663 | |||
| 20 | 598 | 698 | |||
| 21 | 628 | 733 | |||
| 22 | 658 | 768 | |||
| 23 | 688 | 803 | |||
| 24 | 718 | 838 | |||
| 25 | 748 | 873 | |||
| 26 | 778 | 908 | |||
| 27 | 808 | 943 | |||
| 28 | 838 | 978 | |||
| 29 | 868 | 1013 | |||
| 30 | 898 | 1048 | |||
| 31 | 928 | 1083 | |||
| 32 | 958 | 1118 | |||
| 33 | 988 | 1153 | |||
滚轮宽度9的产品 ,仅可选择P=35的轮距。
衬层材质 :橡胶
| 型号 |
P 轮距 |
L |
耐负载 (单个滚轮) |
|
| 代码 | 轮数量 | |||
| (滚轮宽度15) QJB82 |
2 | 35 | 68 | 30kgf (294N) |
| 3 | 103 | |||
| 4 | 138 | |||
| 5 | 173 | |||
| 6 | 208 | |||
| 7 | 243 | |||
| 8 | 278 | |||
| 9 | 313 | |||
| 10 | 348 | |||
| 11 | 383 | |||
| 12 | 418 | |||
| 13 | 453 | |||
| 14 | 488 | |||
| 15 | 523 | |||
| 16 | 558 | |||
| 17 | 593 | |||
| 18 | 628 | |||
| 19 | 663 | |||
| 20 | 698 | |||
| 21 | 733 | |||
| 22 | 768 | |||
| 23 | 803 | |||
| 24 | 838 | |||
| 25 | 873 | |||
| 26 | 908 | |||
| 27 | 943 | |||
| 28 | 978 | |||
| 29 | 1013 | |||
| 30 | 1048 | |||
| 31 | 1083 | |||
| 32 | 1118 | |||
| 33 | 1153 | |||
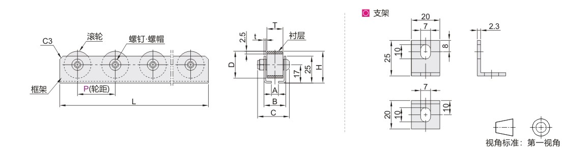
尺寸表
| 滚轮宽度 T |
轮径 D |
A |
B |
C |
H |
t |
|
| 其他 | QJB82 | ||||||
| 9 | 30 | 5.2 | 19 | 29 | — | 32 | 1.5 |
| 15 | 25 | 6.2 | 20 | 29 | 29.3 | 29.5 | |
| 25 | 16.2 | 30 | 39 | — | |||
| 50 | 41.2 | 55.2 | 69 | ||||
可选加工

1. 添加筛选条件,生成产品型号
客服
购物车
小程序
怡合达商城小程序
随身商城一手掌握
公众号
微信公众号
订单/资讯随手掌握
微信技术交流服务群
扫码添加进群
浏览记录
问题反馈
置顶
Copyright © 2010-2026 东莞怡合达自动化股份有限公司 版权所有 粤ICP备14032684号
营业执照: 91441900566614589Q