图片仅供参考,请以已选的规格为准
链轮/链条 06B系列 钢
条件筛选:
产品型号:
未税折扣单价: -- --
含税折扣单价: ----
含税总价 (税率13%): ¥--
预计发货天数:-- 天 (发货天数以下单次日起算,不含周日与法定假日)
购买数量():
起订量:0
, 加量幅度:0
登录后可查看价格、加入购物车、一键购买
立即登录
价格生成中...
登录后可查看价格、加入购物车、一键购买
立即登录
代码的技术资料信息曾有所变更,可前往 型号勘误表 查看变更记录
相似商品
同类人气商品
计算选型
型号筛选
可选加工(可选)
未生成型号,还有 7 项未选择
重置
代码
无数据
参数选型
主体材质
无数据
种类筛选
产品选型
代码
无数据
齿数
无数据
系列
无数据
孔径D(mm)
无数据
节数
价格生成中...
技术图档
全部型号
3D预览
技术图档
产品简介
产品问答
材质图
参数图
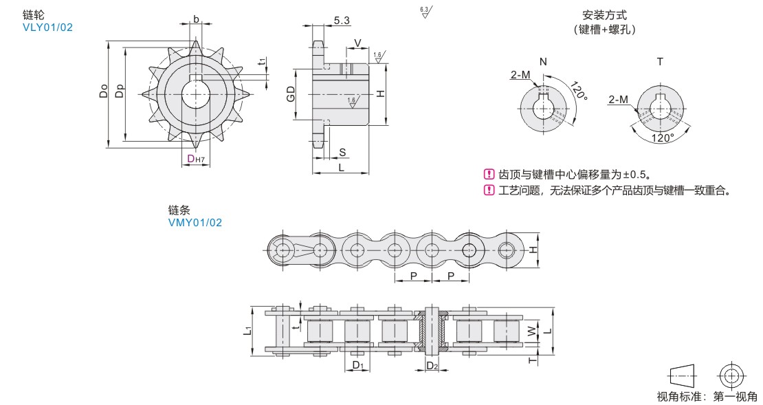
链轮
| 代码 | 类型 | 材质 | 热处理 | 表面处理 | |
| 国标 | 相当 | ||||
| VLY01 | 06B系列 | 45 | S45C | 齿顶高频 | 发黑 |
| VLY02 | 0Cr18Ni9 | SUS304 | — | — | |
链条
| 代码 | 类型 | ISO链号 | 节距(P) | 材质 | |
| VMY01 | 06B系列 | 标准型 | 06B | 9.525 | 钢 |
| VMY02 | 不锈钢 | ||||
06B系列链轮链条请勿与35系列(06C)链轮链条配合!
H值中带*号数据的链轮轮毂上有槽
| 齿数 | S | GD | |||||||
| 9 | 4.4 | 16 | |||||||
| 10 | 20 | ||||||||
| 11 | 22 | ||||||||
| 12 | 24 | ||||||||
| 13 | 29 | ||||||||

键槽/螺孔尺寸
| D | 键槽 b×t1 |
M | |||||||
| 10 | 3×1.4 | 4 | |||||||
| 12 | 4×1.8 | 5 | |||||||
| 14~17 | 5×2.3 | 6 | |||||||
| 18~22 | 6×2.8 | ||||||||
| 24~30 | 8×3.3 | 8 | |||||||
06B系列为直板链。
链轮
| 型号 |
轴孔径DH7 |
外径 Do |
分度圆直径 Dp |
轮毂 |
V |
|||
| 代码 | 齿数 | VLY01-06B | VLY02-06B | H | L | |||
|
(S45C)
|
9 | 10 | 10 | 31 | 27.85 | 21* | 20 | 6 |
| 10 | 10 12 | 10 12 | 34 | 30.82 | 24* | |||
| 11 | 10 12 (14) | 10 12 (14) | 37 | 33.81 | 27* | |||
| 12 | 10 12 14 15 16 17 | 10 12 14 15 | 40 | 36.8 | 30* | |||
| 13 | 10 12 14 15 16 17 (18) | 10 12 14 15 (18) | 43 | 39.8 | 32* | |||
| 14 | 10 12 14 15 16 17 (18) (20) | 10 12 14 15 (18) (20) | 46.3 | 42.81 | 32 | |||
| 15 | 10 12 14 15 16 17 18 19 20 | 10 12 14 15 18 20 | 49.3 | 45.81 | 35 | |||
| 16 | 10 12 14 15 16 17 18 19 20 22 (25) | 10 12 14 15 18 20 (25) | 52.3 | 48.82 | 37 | |||
| 17 | 12 14 15 16 17 18 20 22 25 | 12 14 15 18 20 25 | 55.3 | 51.84 | 41 | |||
| 18 | 12 14 15 18 20 22 25 | 12 14 15 18 20 25 | 58.3 | 54.85 | 44 | |||
| 19 | 12 14 15 18 20 22 25 | 12 14 15 18 20 25 | 61.3 | 57.87 | 47 | |||
| 20 | 12 14 15 18 20 22 25 | 12 14 15 18 20 25 | 64.3 | 60.89 | 50 | |||
| 21 | 14 15 18 20 22 25 | 15 18 20 25 | 68 | 63.91 | 53 | |||
| 22 | 14 15 18 20 22 25 | 15 18 20 25 | 71 | 66.93 | 56 | |||
| 24 | 14 15 18 20 22 25 | 15 18 20 25 | 77 | 72.92 | 53 | 22 | 8 | |
| 25 | 15 18 20 22 25 | 15 18 20 25 | 80 | 76 | ||||
带( )D尺寸对应规格的安装方式为T,其余为N。
链条
| 型号 | 节数 | 接头形式 | 节距(P) | 内节宽度 | 滚子外径 | 销轴外径 | 销轴长度 | 链板高度 | 链板厚度 | 平均拉伸强度 KN |
|||
| 代码 | 系列 | W | D1 | D2 | L | L1 | H | T | t | ||||
| VMY01 | 06B | 4~ 最小单位1 |
卡扣式 | 9.525 | 5.72 | 6.35 | 3.28 | 13.5 | 14.1 | 8.2 | 1.4 | 1.1 | 10.78 |
| VMY02 | 7.44 | ||||||||||||
产品简介
产品问答
关于此产品的常见问题
1、链轮齿数和链条节数的关系是怎么样?
链条的节数通常选为偶数,而链轮齿数则应为与链节数互质的奇数,以保持磨损均匀
2、不同中心距下链条节距的选择是怎么样的?
过小的中心距会增加每个轮齿的载荷,导致磨损增大和跳齿现象;过大的中心距则可能引起上下颤动。中心距一般初定为(30~ 50)p,最大可取为amax=80
3、高速和冲击下链轮链条如何选型?
除了需要注意链条强度要满足负载的使用情况外,在高速和冲击较大的环境中,链轮齿数应至少为25,以保证传动的平稳性。
4、链条的A B系列代表什么意思?二者可以互配吗?
标准滚子链条有两种标准目前市场上销售的标准链条有A系列和B系列,A系列为美国、日本标准,B系列为欧洲标准,需要注意的是二者不能互配。
5、链传动需要涂润滑油吗?
链传动的润滑十分重要,对高速、重载的链传动更为重要。良好的润滑可缓和冲击,减轻磨损,延长链条寿命。
6、当我需要多个链轮同轴使用,我需要多个链轮同步传动,我应该怎么选型?
由于工艺和不同生产批次备库的原因,无法保证所有链轮键槽位置一致,因此当需要多个链轮同步使用的时候,您需要再下单时再型号后面备注工况,举例:VLD02-35-16-D14(键槽两两配对,链轮同步使用)
1. 添加筛选条件,生成产品型号
客服
购物车
小程序
怡合达商城小程序
随身商城一手掌握
公众号
微信公众号
订单/资讯随手掌握
微信技术交流服务群
扫码添加进群
浏览记录
问题反馈
置顶
Copyright © 2010-2026 东莞怡合达自动化股份有限公司 版权所有 粤ICP备14032684号
营业执照: 91441900566614589Q