型号筛选
可选加工(可选)
未生成型号,还有 9 项未选择
重置
代码
无数据
参数选型
主体材质
无数据
系列
无数据
节距
无数据
表面处理
无数据
产品选型
代码
无数据
系列
无数据
排数
无数据
齿数
无数据
孔径D(mm)
无数据
价格生成中...
图片仅供参考,请以已选的规格为准
双排链轮 25/35/40系列 S45C 发黑
品牌名称:
怡合达
条件筛选:
产品型号:
未税折扣单价: -- --
含税折扣单价: ----
含税总价 (税率13%): ¥--
预计发货天数:-- 天 (发货天数以下单次日起算,不含周日与法定假日)
购买数量():
起订量:0
, 加量幅度:0
登录后可查看价格、加入购物车、一键购买
立即登录
价格生成中...
登录后可查看价格、加入购物车、一键购买
立即登录
代码的技术资料信息曾有所变更,可前往 型号勘误表 查看变更记录
相似商品
同类人气商品
计算选型
技术图档
全部型号
3D预览
技术图档
材质图
参数图
| 代码 |
类型 |
系列 |
ISO链号 |
材质 |
热处理 |
表面处理 |
|
| 国标 | 相当 | ||||||
| VLC31 | 标准型 | 25系列 | 04C-2 | 45 | S45C | 齿顶高频 | 发黑 |
| VLC32 | 0Cr18Ni9 | SUS304 | — | — | |||
| VLD31 | 35系列 | 06C-2 | 45 | S45C | 齿顶高频 | 发黑 | |
| VLD32 | 0Cr18Ni9 | SUS304 | — | — | |||
| VLF31 | 40系列 | 08A-2 | 45 | S45C | 齿顶高频 | 发黑 | |
| VLF32 | 0Cr18Ni9 | SUS304 | — | — | |||
25系列(04C-2)链轮链条请勿与04B-2系列链轮链条配合!
35系列(06C-2)链轮链条请勿与06B-2系列链轮链条配合!
40系列(08A-2)链轮链条请勿与08B-2系列链轮链条配合!
未注尺寸公差标准按照:GB/T 1243-2024
齿顶与键槽中心偏移量为±0.5。
工艺问题,无法保证多个产品齿顶与键槽一致重合。
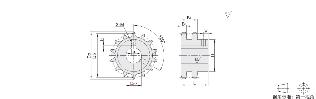
键槽/螺孔尺寸
| D | 键槽b×t1 | M |
| 10 | 3×1.4 | 4 |
| 12 | 4×1.8 | 5 |
| 15~ 16 | 5×2.3 | 6 |
| 18 ~22 | 6 ×2.8 | |
| 25 ~30 | 8 ×3.3 | 8 |
| 32 ~35 | 10 ×3.3 |

25系列
| 型号 |
轴孔径 |
外径 | 分度圆直径 | 轮毂 |
V |
B1 |
B2 |
||||
| 代码 | 系列 | 排数 | 齿数 | DH7 | Do | Dp | H | L | |||
| VLC31 VLC32 |
25 | 2 | 20 | 10 12 | 44 | 40.59 | 28 | 22 | 6 | 2.7 | 9.1 |
| 22 | 12 15 | 48 | 44.62 | 30 | |||||||
| 25 | 12 15 16 | 54 | 50.66 | 35 | |||||||
| 28 | 60 | 56.71 | |||||||||
| 30 | 64 | 60.75 | |||||||||
| 32 | 15 16 18 20 | 68 | 64.78 | 40 | 25 | 8 | |||||
35系列
| 型号 |
轴孔径 | 外径 | 分度圆直径 | 轮毂 |
V |
B1 |
B2 |
||||
| 代码 | 系列 | 排数 | 齿数 | DH7 | Do | Dp | H | L | |||
| VLD31 VLD32 |
35 | 2 | 15 | 12 15 18 | 51 | 45.81 | 35 | 30 | 7 | 4.1 | 14.2 |
| 16 | 54 | 48.82 | 37 | ||||||||
| 17 | 12 15 18 20 | 57 | 51.84 | 41 | |||||||
| 18 | 60 | 54.85 | 44 | ||||||||
| 19 | 12 15 18 20 22 | 63 | 57.87 | 47 | |||||||
| 20 | 12 15 18 20 22 25 | 66 | 60.89 | 50 | 35 | 10 | |||||
| 21 | 15 18 20 22 25 30 | 69 | 63.91 | 53 | |||||||
| 22 | 72 | 66.93 | 56 | ||||||||
| 24 | 78 | 72.97 | 60 | ||||||||
| 25 | 15 18 20 22 25 30 32 | 81 | 76 | 63 | |||||||
40系列
| 型号 |
轴孔径 | 外径 | 分度圆直径 | 轮毂 |
V |
B1 |
B2 |
||||
| 代码 | 系列 | 排数 | 齿数 | DH7 | Do | Dp | H | L | |||
| VLF31 VLF32 |
40 | 2 | 10 | 12 15 | 47 | 41.1 | 28 | 35 | 6 | 7 | 21.4 |
| 11 | 15 16 | 51 | 45.08 | 30 | |||||||
| 12 | 15 16 18 | 55 | 49.07 | 35 | |||||||
| 13 | 15 16 18 20 | 59 | 53.07 | 39 | |||||||
| 14 | 15 16 18 20 | 63 | 57.07 | 43 | |||||||
| 15 | 15 16 18 20 25 | 67 | 61.08 | 47 | |||||||
| 16 | 15 16 18 20 25 30 | 71 | 65.1 | 50 | |||||||
| 17 | 15 16 18 20 25 30 | 76 | 69.12 | 54 | |||||||
| 18 | 80 | 73.14 | 59 | ||||||||
| 19 | 84 | 77.16 | 63 | ||||||||
| 20 | 88 | 81.18 | 67 | 40 | 8 | ||||||
| 21 | 18 20 25 30 | 92 | 85.21 | 68 | |||||||
| 22 | 96 | 89.24 | 72 | ||||||||
| 24 | 104 | 97.3 | 80 | ||||||||
| 25 | 18 20 25 30 35 | 108 | 101.33 | 84 | |||||||
1. 添加筛选条件,生成产品型号
客服
购物车
小程序
怡合达商城小程序
随身商城一手掌握
公众号
微信公众号
订单/资讯随手掌握
微信技术交流服务群
扫码添加进群
浏览记录
问题反馈
置顶
Copyright © 2010-2026 东莞怡合达自动化股份有限公司 版权所有 粤ICP备14032684号
营业执照: 91441900566614589Q