型号筛选
可选加工(可选)
未生成型号,还有 9 项未选择
重置
代码
无数据
参数选型
主体材质
无数据
系列
无数据
节距
无数据
表面处理
无数据
产品选型
代码
无数据
系列
无数据
排数
无数据
齿数
无数据
孔径D(mm)
无数据
价格生成中...
图片仅供参考,请以已选的规格为准
双排链轮 80/100系列 S45C 发黑
品牌名称:
怡合达
条件筛选:
产品型号:
未税折扣单价: -- --
含税折扣单价: ----
含税总价 (税率13%): ¥--
预计发货天数:-- 天 (发货天数以下单次日起算,不含周日与法定假日)
购买数量():
起订量:0
, 加量幅度:0
登录后可查看价格、加入购物车、一键购买
立即登录
价格生成中...
登录后可查看价格、加入购物车、一键购买
立即登录
代码的技术资料信息曾有所变更,可前往 型号勘误表 查看变更记录
相似商品
同类人气商品
计算选型
技术图档
全部型号
3D预览
技术图档
材质图
参数图
| 代码 |
类型 |
系列 |
ISO链号 |
材质 |
热处理 |
表面处理 |
|
| 国标 | 相当 | ||||||
| VLL31 | 标准型 | 80系列 | 16A-2 | 45 | S45C | 齿顶高频 | 发黑 |
| VLL32 | 0Cr18Ni9 | SUS304 | — | — | |||
| VLN31 | 100系列 | 20A-2 | 45 | S45C | 齿顶高频 | 发黑 | |
| VLN32 | 0Cr18Ni9 | SUS304 | — | — | |||
80系列(16A-2)链轮链条请勿与16B-2系列链轮链条配合!
100系列(20A-2)链轮链条请勿与20B-2系列链轮链条配合!
未注尺寸公差标准按照:GB/T 1243-2024
齿顶与键槽中心偏移量为±0.5。
工艺问题,无法保证多个产品齿顶与键槽一致重合。
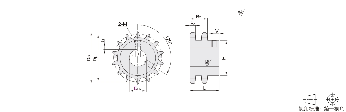
键槽/螺孔尺寸
| D | 键槽b×t1 | M | ||||
| 25~30 | 8×3.3 | 8 | ||||
| 35 | 10×3.3 | |||||
| 40 | 12×3.3 | |||||
| 45~50 | 14×3.8 | 10 | ||||
| 55 | 16×4.3 | 12 | ||||
| 60 | 18×4.4 | |||||

80系列
| 型号 |
轴孔径 | 外径 | 分度圆直径 | 轮毂 |
V |
B1 |
B2 |
||||
| 代码 | 系列 | 排数 | 齿数 | DH7 | Do | Dp | H | L | |||
| VLL31 VLL32 |
80 | 2 | 10 | 25 30 | 93 | 82.19 | 58 | 63 | 8 | 14.1 | 43.4 |
| 11 | 25 30 35 | 102 | 90.16 | 60 | |||||||
| 12 | 25 30 35 40 | 110 | 98.14 | 69 | |||||||
| 13 | 25 30 35 40 45 | 118 | 106.14 | 80 | |||||||
| 14 | 25 30 35 40 45 50 | 127 | 114.15 | 88 | |||||||
| 15 | 135 | 122.17 | 95 | ||||||||
| 16 | 25 30 35 40 45 50 55 | 143 | 130.2 | 100 | 71 | 12 | |||||
| 17 | 151 | 138.23 | |||||||||
| 18 | 30 35 40 45 50 55 60 | 159 | 146.27 | 120 | |||||||
| 19 | 167 | 154.32 | |||||||||
| 20 | 176 | 162.37 | 130 | ||||||||
| 21 | 184 | 170.42 | |||||||||
100系列
| 型号 |
轴孔径 | 外径 | 分度圆直径 | 轮毂 |
V |
B1 |
B2 |
||||
| 代码 | 系列 | 排数 | 齿数 | DH7 | Do | Dp | H | L | |||
| VLN31 VLN32 |
100 | 2 | 10 | 25 30 35 40 | 117 | 102.74 | 70 | 80 | 13 | 17 | 52.8 |
| 11 | 30 35 40 | 127 | 112.70 | 80 | |||||||
| 12 | 30 35 40 45 | 138 | 122.67 | 90 | |||||||
| 13 | 30 35 40 45 50 | 148 | 132.67 | 100 | |||||||
| 14 | 158 | 142.68 | 110 | ||||||||
| 15 | 35 40 45 50 55 | 168 | 152.71 | 120 | |||||||
| 16 | 40 45 50 55 | 179 | 162.74 | 130 | |||||||
| 17 | 40 45 50 55 60 | 189 | 172.79 | ||||||||
1. 添加筛选条件,生成产品型号
客服
购物车
公众号
微信公众号
订单/资讯随手掌握
微信技术交流服务群
扫码添加进群
浏览记录
问题反馈
置顶
Copyright © 2010-2026 东莞怡合达自动化股份有限公司 版权所有 粤ICP备14032684号
营业执照: 91441900566614589Q