型号筛选
可选加工(可选)
未生成型号,还有 9 项未选择
重置
代码
无数据
参数选型
主体材质
无数据
系列
无数据
节距
无数据
表面处理
无数据
产品选型
代码
无数据
系列
无数据
排数
无数据
齿数
无数据
孔径D(mm)
无数据
价格生成中...
图片仅供参考,请以已选的规格为准
双排链轮 06B/08B系列 S45C 发黑
品牌名称:
怡合达
条件筛选:
产品型号:
未税折扣单价: -- --
含税折扣单价: ----
含税总价 (税率13%): ¥--
预计发货天数:-- 天 (发货天数以下单次日起算,不含周日与法定假日)
购买数量():
起订量:0
, 加量幅度:0
登录后可查看价格、加入购物车、一键购买
立即登录
价格生成中...
登录后可查看价格、加入购物车、一键购买
立即登录
代码的技术资料信息曾有所变更,可前往 型号勘误表 查看变更记录
相似商品
同类人气商品
计算选型
技术图档
全部型号
3D预览
技术图档
材质图
参数图
| 代码 |
类型 |
系列 |
ISO链号 |
材质 |
热处理 |
表面处理 |
|
| 国标 | 相当 | ||||||
| VLY51 | 标准型 | 06B系列 | 06B-2 | 45 | S45C | 齿顶高频 | 发黑 |
| VLY52 | 0Cr18Ni9 | SUS304 | — | — | |||
| VLY61 | 08B系列 | 08B-2 | 45 | S45C | 齿顶高频 | 发黑 | |
| VLY62 | 0Cr18Ni9 | SUS304 | — | — | |||
06B-2系列链轮链条请勿与35系列(06C-2)链轮链条配合!
08B-2系列链轮链条请勿与40系列(08A-2)链轮链条配合!
未注尺寸公差标准按照:GB/T 1243-2024
齿顶与键槽中心偏移量为±0.5。
工艺问题,无法保证多个产品齿顶与键槽一致重合。
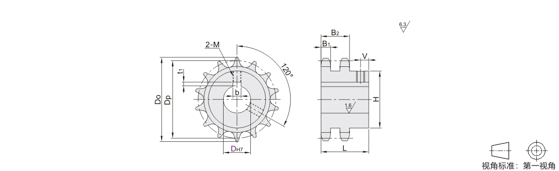
键槽/螺孔尺寸
| D | 键槽b×t1 | M | ||||
| 12 | 4×1.8 | 5 | ||||
| 14~17 | 5×2.3 | 6 | ||||
| 18~22 | 6×2.8 | |||||
| 24~30 | 8×3.3 | 8 | ||||

06B系列
| 型号 |
轴孔径 | 外径 | 分度圆直径 | 轮毂 |
V |
B1 |
B2 |
||||
| 代码 | 系列 | 排数 | 齿数 | DH7 | Do | Dp | H | L | |||
| VLY51 VLY52 |
06B | 2 | 14 | 12 15 | 46.3 | 42.81 | 31 | 30 | 7 | 5.2 | 15.4 |
| 15 | 12 15 16 | 49.3 | 45.81 | 34 | |||||||
| 16 | 15 16 18 | 52.3 | 48.82 | 37 | |||||||
| 17 | 15 16 18 20 | 55.3 | 51.84 | 40 | |||||||
| 18 | 15 16 18 20 22 | 58.3 | 54.85 | 43 | |||||||
| 19 | 61.3 | 57.87 | 46 | ||||||||
| 20 | 15 16 18 20 22 25 | 64.3 | 60.89 | 49 | |||||||
| 21 | 68 | 63.91 | 52 | ||||||||
| 22 | 71 | 66.93 | 55 | ||||||||
| 24 | 77 | 72.97 | 61 | ||||||||
| 25 | 15 16 18 20 22 25 30 | 80 | 76 | 64 | |||||||
08B系列
| 型号 |
轴孔径 | 外径 | 分度圆直径 | 轮毂 |
V |
B1 |
B2 |
||||
| 代码 | 系列 | 排数 | 齿数 | DH7 | Do | Dp | H | L | |||
| VLY61 VLY62 |
08B | 2 | 11 | 12 15 | 48.7 | 45.08 | 30 | 35 | 7 | 7 | 20.9 |
| 12 | 15 16 18 20 | 53 | 49.07 | 35 | |||||||
| 13 | 57.4 | 53.07 | 39 | ||||||||
| 14 | 15 16 18 20 24 | 61.8 | 57.07 | 43 | |||||||
| 15 | 15 16 18 20 24 25 | 65.5 | 61.08 | 47 | |||||||
| 16 | 15 16 18 20 24 25 28 | 69.5 | 65.1 | 50 | |||||||
| 17 | 15 16 18 20 24 25 28 30 | 73.6 | 69.12 | 54 | |||||||
| 18 | 77.8 | 73.14 | 59 | ||||||||
| 19 | 16 18 20 24 25 28 30 | 81.7 | 77.16 | 63 | |||||||
| 20 | 85.8 | 81.18 | 67 | 40 | 9 | ||||||
| 21 | 18 20 24 25 28 30 | 89.7 | 85.21 | 68 | |||||||
| 22 | 20 24 25 28 30 | 93.8 | 89.24 | 72 | |||||||
| 24 | 101.8 | 97.3 | 80 | ||||||||
| 25 | 105.8 | 101.33 | 84 | ||||||||
1. 添加筛选条件,生成产品型号
客服
购物车
公众号
微信公众号
订单/资讯随手掌握
微信技术交流服务群
扫码添加进群
浏览记录
问题反馈
置顶
Copyright © 2010-2026 东莞怡合达自动化股份有限公司 版权所有 粤ICP备14032684号
营业执照: 91441900566614589Q