型号筛选
可选加工(可选)
未生成型号,还有 9 项未选择
重置
代码
无数据
参数选型
主体材质
无数据
系列
无数据
节距
无数据
表面处理
无数据
产品选型
代码
无数据
系列
无数据
排数
无数据
齿数
无数据
孔径D(mm)
无数据
价格生成中...
图片仅供参考,请以已选的规格为准
双排链轮 10B/12B/16B系列 S45C 发黑
品牌名称:
怡合达
条件筛选:
产品型号:
未税折扣单价: -- --
含税折扣单价: ----
含税总价 (税率13%): ¥--
预计发货天数:-- 天 (发货天数以下单次日起算,不含周日与法定假日)
购买数量():
起订量:0
, 加量幅度:0
登录后可查看价格、加入购物车、一键购买
立即登录
价格生成中...
登录后可查看价格、加入购物车、一键购买
立即登录
代码的技术资料信息曾有所变更,可前往 型号勘误表 查看变更记录
相似商品
同类人气商品
计算选型
技术图档
全部型号
3D预览
技术图档
材质图
参数图
| 代码 |
类型 |
系列 |
ISO链号 |
材质 |
热处理 |
表面处理 |
|
| 国标 | 相当 | ||||||
| VLY71 | 标准型 | 10B系列 | 10B-2 | 45 | S45C | 齿顶高频 | 发黑 |
| VLY72 | 0Cr18Ni9 | SUS304 | — | — | |||
| VLY81 | 12B系列 | 12B-2 | 45 | S45C | 齿顶高频 | 发黑 | |
| VLY82 | 0Cr18Ni9 | SUS304 | — | — | |||
| VLY91 | 16B系列 | 16B-2 | 45 | S45C | 齿顶高频 | 发黑 | |
| VLY92 | 0Cr18Ni9 | SUS304 | — | — | |||
10B-2系列链轮链条请勿与50系列(10A-2)链轮链条配合!
12B-2系列链轮链条请勿与60系列(12A-2)链轮链条配合!
16B-2系列链轮链条请勿与80系列(16A-2)链轮链条配合!
未注尺寸公差标准按照:GB/T 1243-2024
齿顶与键槽中心偏移量为±0.5。
工艺问题,无法保证多个产品齿顶与键槽一致重合。
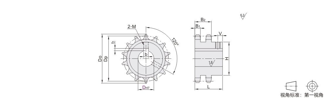
键槽/螺孔尺寸
| D | 键槽b×t1 | M | ||||
| 15 | 5×2.3 | 6 | ||||
| 18~22 | 6×2.8 | |||||
| 25~30 | 8×3.3 | 8 | ||||
| 35~38 | 10×3.3 | |||||
| 40 | 12×3.3 | |||||
| 45~50 | 14×3.8 | 10 | ||||
| 55 | 16×4.3 | 12 | ||||
| 60 | 18×4.4 | |||||

10B系列
| 型号 |
轴孔径 | 外径 | 分度圆直径 | 轮毂 |
V |
B1 |
B2 |
||||
| 代码 | 系列 | 排数 | 齿数 | DH7 | Do | Dp | H | L | |||
| VLY71 VLY72 |
10B | 2 | 11 | 15 18 20 | 63 | 56.35 | 39 | 40 | 7 | 9 | 25.6 |
| 12 | 15 18 20 22 | 68 | 61.34 | 44 | |||||||
| 13 | 15 18 20 22 25 | 73 | 66.32 | 49 | |||||||
| 14 | 15 18 20 22 25 28 | 78 | 71.34 | 54 | |||||||
| 15 | 18 20 22 25 28 30 | 83 | 76.35 | 59 | |||||||
| 16 | 20 22 25 28 30 | 88 | 81.37 | 64 | 45 | 9 | |||||
| 17 | 93 | 86.39 | 69 | ||||||||
| 18 | 98.3 | 91.42 | 74 | ||||||||
| 20 | 20 22 25 28 30 35 | 108.4 | 101.48 | 84 | |||||||
| 21 | 25 28 30 35 38 | 113.4 | 106.51 | 85 | |||||||
| 24 | 128.3 | 121.62 | 100 | ||||||||
| 25 | 134 | 126.66 | 105 | ||||||||
12B系列
| 型号 |
轴孔径 | 外径 | 分度圆直径 | 轮毂 |
V |
B1 |
B2 |
||||
| 代码 | 系列 | 排数 | 齿数 | DH7 | Do | Dp | H | L | |||
| VLY81 VLY82 |
12B | 2 | 11 | 20 25 | 75 | 67.62 | 47 | 50 | 8 | 10.8 | 30.3 |
| 12 | 20 25 28 30 | 81.5 | 73.6 | 53 | |||||||
| 13 | 87.5 | 79.6 | 59 | ||||||||
| 14 | 20 25 28 30 35 | 93.6 | 85.61 | 65 | |||||||
| 15 | 20 25 28 30 35 40 | 99.8 | 91.62 | 71 | 55 | 12 | |||||
| 16 | 25 28 30 35 40 45 | 105.5 | 97.65 | 77 | |||||||
| 17 | 111.5 | 103.67 | 83 | ||||||||
| 18 | 118 | 109.71 | 89 | ||||||||
| 19 | 25 28 30 35 40 45 50 | 124.2 | 115.74 | 95 | |||||||
| 20 | 25 28 30 35 40 45 50 55 | 129.7 | 121.78 | 100 | |||||||
| 22 | 141 | 133.86 | 105 | ||||||||
| 24 | 153.9 | 145.95 | 110 | ||||||||
| 25 | 160 | 151.99 | 120 | ||||||||
16B系列
| 型号 |
轴孔径 | 外径 | 分度圆直径 | 轮毂 |
V |
B1 |
B2 |
||||
| 代码 | 系列 | 排数 | 齿数 | DH7 | Do | Dp | H | L | |||
| VLY91 VLY92 |
16B | 2 | 10 | 25 | 93 | 82.19 | 52 | 70 | 11 | 15.8 | 47.7 |
| 11 | 25 30 | 101.5 | 90.16 | 60 | |||||||
| 12 | 25 30 35 | 109 | 98.14 | 68 | |||||||
| 13 | 25 30 35 40 | 117 | 106.14 | 76 | |||||||
| 14 | 25 30 35 40 45 | 125 | 114.15 | 84 | |||||||
| 15 | 25 30 35 40 45 50 | 133 | 122.17 | 92 | |||||||
| 16 | 30 35 40 45 50 55 | 141 | 130.2 | 100 | |||||||
| 17 | 149 | 138.23 | |||||||||
| 18 | 30 35 40 45 50 55 60 | 157 | 146.27 | 110 | |||||||
| 19 | 165.2 | 154.32 | |||||||||
| 20 | 173.2 | 162.37 | 130 | ||||||||
| 21 | 181.2 | 170.42 | |||||||||
1. 添加筛选条件,生成产品型号
客服
购物车
公众号
微信公众号
订单/资讯随手掌握
微信技术交流服务群
扫码添加进群
浏览记录
问题反馈
置顶
Copyright © 2010-2026 东莞怡合达自动化股份有限公司 版权所有 粤ICP备14032684号
营业执照: 91441900566614589Q