型号筛选
可选加工(可选)
未生成型号,还有 6 项未选择
重置
代码
无数据
参数选型
主体材质
无数据
表面处理
无数据
产品选型
代码
无数据
皮带中心所在分度圆直径A(mm)
无数据
适用皮带半径R(mm)
无数据
内径d(mm)
无数据
价格生成中...
图片仅供参考,请以已选的规格为准
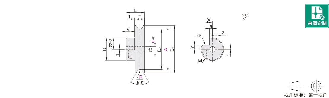
圆皮带用滑轮 U形槽 开口式夹紧固定型
条件筛选:
产品型号:
未税折扣单价: -- --
含税折扣单价: ----
含税总价 (税率13%): ¥--
预计发货天数:-- 天 (发货天数以下单次日起算,不含周日与法定假日)
购买数量():
起订量:0
, 加量幅度:0
登录后可查看价格、加入购物车、一键购买
立即登录
价格生成中...
登录后可查看价格、加入购物车、一键购买
立即登录
代码的技术资料信息曾有所变更,可前往 型号勘误表 查看变更记录
相似商品
同类人气商品
引导式选型
技术图档
全部型号
3D预览
技术图档
产品简介
产品问答
材质图
参数图
| 代码 | 类型 |
材质 | 表面处理 | ||
| 国标 | 相当 | ||||
| ENS81 | 开口式夹紧固定 | U形槽 | 45 | S45C | 发黑 |
| ENS82 | 铝合金 | 喷细砂本色阳极氧化 | |||
3D模型仅供参考,具体尺寸请以参数表为准,注意选型。
M=M3时,d1=∅3.3
M=M4时,d1=∅4.3

选型表
产品简介
产品问答
关于此产品的常见问题
1、圆皮带滑轮梯形槽与U形槽有什么区别吗?
U形槽型与滑轮的接触面仅有1处,而梯形槽与滑轮的接触面有3处,可有效防止圆皮带打滑。
1. 添加筛选条件,生成产品型号
客服
购物车
小程序
怡合达商城小程序
随身商城一手掌握
公众号
微信公众号
订单/资讯随手掌握
微信技术交流服务群
扫码添加进群
浏览记录
问题反馈
置顶
Copyright © 2010-2026 东莞怡合达自动化股份有限公司 版权所有 粤ICP备14032684号
营业执照: 91441900566614589Q