型号筛选
可选加工(可选)
未生成型号,还有 7 项未选择
重置
代码
无数据
参数选型
橡胶主体材质
无数据
橡胶硬度
无数据
类型
无数据
金属材质
无数据
产品选型
代码
无数据
规格
无数据
M
无数据
价格生成中...
图片仅供参考,请以已选的规格为准
经济型橡胶减震座 外螺纹固定板 腰型 耐臭氧/导电型 镀锌
条件筛选:
产品型号:
未税折扣单价: -- --
含税折扣单价: ----
含税总价 (税率13%): ¥--
预计发货天数:-- 天 (发货天数以下单次日起算,不含周日与法定假日)
购买数量():
起订量:0
, 加量幅度:0
登录后可查看价格、加入购物车、一键购买
立即登录
价格生成中...
登录后可查看价格、加入购物车、一键购买
立即登录
代码的技术资料信息曾有所变更,可前往 型号勘误表 查看变更记录
相似商品
同类人气商品
技术图档
全部型号
3D预览
技术图档
材质图
参数图
| 代码 |
类型 |
材质 |
橡胶硬度 |
表面处理 |
|||
| 橡胶主体 | 金属零件 | ||||||
| NHF11 | 外螺纹固定板 | 经济型 |
腰型 | 天然橡胶 |
S45C |
肖氏A60 | 镀锌 |
| NHF15 | 肖氏A45 | ||||||
| NHF31 | 耐臭氧型 | 氯丁橡胶 | S45C | 肖氏A60 | |||
| NHF35 | SUS304 |
— | |||||
| NHE43 | 导电型 | 导电性丁晴橡胶 | |||||
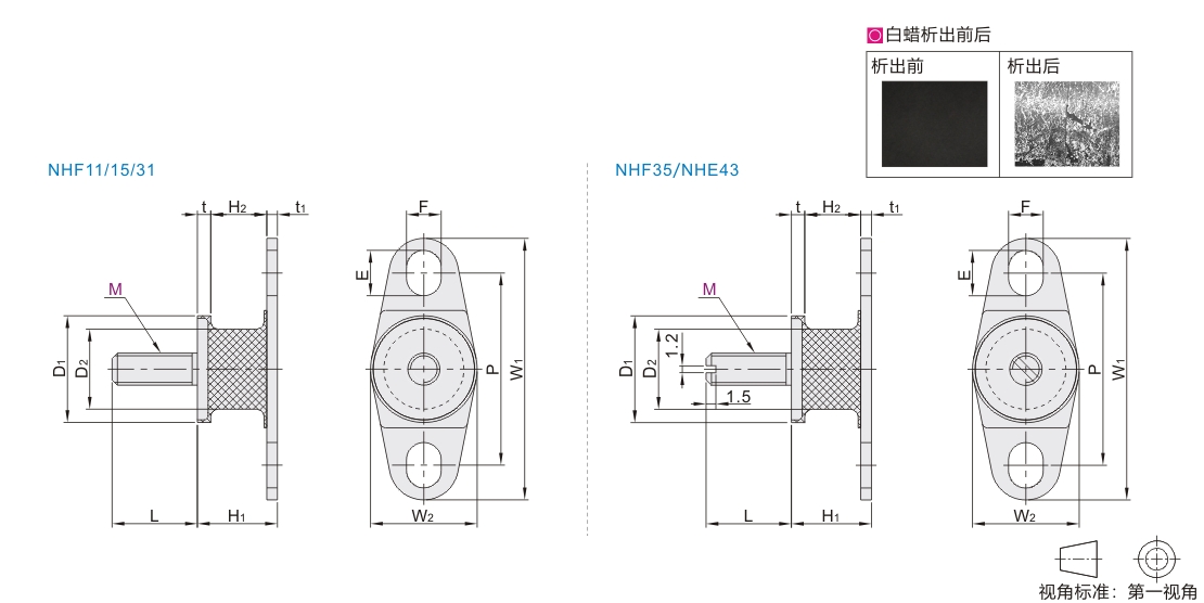
由于生产工艺原因,可能导致少量橡胶/粘接剂残留,不影响产品性能。
由于产品含有防老化添加剂,产品表面会持续缓慢析出白色蜡质,属于正常现象,不影响产品性能。
仅金属零件材质为SUS304时,螺纹顶端有扳手位开槽。

选型表
| 型号 |
M |
D1 |
D2 |
H1 |
H2 |
t |
t1 |
L |
W1 |
W2 |
E |
F |
P |
Z方向 |
X方向 | 刚性比 kx/kz |
|||
| 代码 | 规格 | 容许负载N {kgf} |
标准负载 N{kgf} |
弹簧常数N/mm {kgf/cm} |
容许负载 N{kgf} |
||||||||||||||
| 经济型 NHF11 耐臭氧型 NHF31 |
2015 | 6 | 20 | 15 | 15 | 10.5 | 2.5 | 2.0 | 16 | 49 | 20 | 8.5 | 6.5 | 36 | 280{29} | 98~160{10~16} | 130{130} | 69{7} | 0.15 |
| 2020 | 20 | 15.5 | 180{18} | 59~98{6~10} | 78{80} | 49{5} | 0.19 | ||||||||||||
| 2518 | 25 | 20 | 18 | 12 | 3.5 | 2.5 | 18 | 56 | 25 | 42 | 490{50} | 128~250{13~25} | 200{200} | 98{10} | 0.16 | ||||
| 2527 | 27 | 21 | 3.2 | 310{32} | 88~160{9~16} | 93{95} | 59{6} | 0.20 | |||||||||||
| 3018 | 8 | 30 | 25 | 18 | 12 | 3.5 | 23 | 62 | 30 | 48 | 890{91} | 226~450{23~46} | 310{320} | 170{17} | 0.16 | ||||
| 3026 | 26 | 20 | 610{62} | 147~300{15~31} | 140{145} | 120{12} | 0.19 | ||||||||||||
| 3526 | 35 | 30 | 69 | 35 | 53 | 980{100} | 245~490{25~50} | 240{240} | 250{25} | 0.17 | |||||||||
| 4025 | 40 | 34 | 25 | 19 | 28 | 76 | 40 | 11 | 9 | 60 | 1810{185} | 363~930{37~95} | 340{350} | 360{37} | 0.17 | ||||
| 型号 |
M |
D1 |
D2 |
H1 |
H2 |
t |
t1 |
L |
W1 |
W2 |
E |
F |
P |
Z方向 |
X方向 | 刚性比 kx/kz |
|||
| 代码 | 规格 | 容许负载N {kgf} |
标准负载 N{kgf} |
弹簧常数N/mm {kgf/cm} |
容许负载 N{kgf} |
||||||||||||||
| 经济型 NHF15 |
2015 | 6 | 20 | 15 | 15 | 10.5 | 2.5 | 2.0 | 16 | 49 | 20 | 8.5 | 6.5 | 36 | 170{17} | 59~96{6~10} | 78{78} | 41{4.2} | 0.15 |
| 2020 | 20 | 15.5 | 110{11} | 35~59{3.5~6} | 47{48} | 29{3} | 0.19 | ||||||||||||
| 2518 | 25 | 20 | 18 | 12 | 3.5 | 2.5 | 18 | 56 | 25 | 42 | 290{30} | 76~150{7.7~15} | 120{120} | 59{6} | 0.16 | ||||
| 2527 | 27 | 21 | 3.2 | 190{19} | 53~96{5.4~10} | 56{57} | 35{3.6} | 0.20 | |||||||||||
| 3018 | 8 | 30 | 25 | 18 | 12 | 3.5 | 23 | 62 | 30 | 48 | 530{55} | 138~270{14~28} | 190{192} | 100{10} | 0.16 | ||||
| 3026 | 26 | 20 | 370{37} | 93~180{9.5~19} | 84{87} | 72{7.2} | 0.19 | ||||||||||||
| 3526 | 35 | 30 | 69 | 35 | 53 | 590{60} | 147~290{15~30} | 140{144} | 150{15} | 0.17 | |||||||||
| 4025 | 40 | 34 | 25 | 19 | 28 | 76 | 40 | 11 | 9 | 60 | 1090{111} | 218~560{22~57} | 200{210} | 220{22} | 0.17 | ||||
| 型号 |
M |
D1 |
D2 |
H1 |
H2 |
t |
t1 |
L |
W1 |
W2 |
E |
F |
P |
最大负载 N{kgf} |
建议使用负载 N{kgf} |
弹簧常数N/mm {kgf/mm} |
X方向 | 刚性比 kx/kz |
|
| 代码 | 规格 | 最大负载 N{kgf} |
|||||||||||||||||
| 耐臭氧型 NHF35 导电型 NHE43 |
2015 | 6 | 20 | 15 | 15 | 10.5 | 2.5 | 2.0 | 16 | 49 | 20 | 8.5 | 6.5 | 36 | 280{29} | 98~191{10~19} | 130{130} | 69{7} | 0.15 |
| 2020 | 20 | 15.5 | 2.5 | 180{18} | 59~98{6~10} | 78{80} | 49{5} | 0.19 | |||||||||||
| 2518 | 25 | 20 | 18 | 12.0 | 3.5 | 2.5 | 20 | 56 | 25 | 42 | 490{50} | 112~250{11~25} | 200{200} | 98{10} | 0.16 | ||||
| 3018 | 8 | 30 | 25 | 3.5 | 23 | 62 | 30 | 48 | 890{91} | 226~450{23~46} | 310{310} | 170{17} | 0.16 | ||||||
| 3026* | 26 | 20.0 | 3.5 | 610{62} | 147~300{15~31} | 140{145} | 120{12} | 0.19 | |||||||||||
| 4025 | 40 | 34 | 25 | 19.0 | 3.5 | 33 | 76 | 40 | 11 | 9 | 60 | 1810{185} | 196~930{20~95} | 340{340} | 360{37} | 0.17 | |||
带*规格只适用NHE43。
1. 添加筛选条件,生成产品型号
客服
购物车
公众号
微信公众号
订单/资讯随手掌握
微信技术交流服务群
扫码添加进群
浏览记录
问题反馈
置顶
Copyright © 2010-2026 东莞怡合达自动化股份有限公司 版权所有 粤ICP备14032684号
营业执照: 91441900566614589Q