图片仅供参考,请以已选的规格为准
聚氨酯轴环热粘接型 圆柱型 沉孔型
条件筛选:
产品型号:
未税折扣单价: -- --
含税折扣单价: ----
含税总价 (税率13%): ¥--
预计发货天数:-- 天 (发货天数以下单次日起算,不含周日与法定假日)
购买数量():
起订量:0
, 加量幅度:0
登录后可查看价格、加入购物车、一键购买
立即登录
价格生成中...
登录后可查看价格、加入购物车、一键购买
立即登录
代码的技术资料信息曾有所变更,可前往 型号勘误表 查看变更记录
相似商品
同类人气商品
型号筛选
可选加工(可选)
未生成型号,还有 10 项未选择
重置
代码
无数据
参数选型
主体材质
无数据
尺寸选择方式
无数据
硬度
无数据
轴环材质
无数据
轴环表面处理
无数据
颜色
无数据
产品选型
代码
无数据
外径D(mm)
无数据
长度L(mm)
无数据
适用螺钉M
无数据
价格生成中...
技术图档
全部型号
3D预览
技术图档
材质图
参数图
| 代码 |
类型 |
主体 | 轴环 | 硬度 |
颜色 |
||
| 长度选择型 | 长度指定型 | 材质 | 材质 | 表面处理 | |||
| NBF76 | NBF88 | 轴环热粘接型 | 乙醚类聚氨酯 | SUS304 | — | 肖氏A95 | 自然色 |
| NBF71 | NBF89 | 肖氏A90 | |||||
| NBF72 | NBF90 | 碳钢 |
无电解镀镍 | 肖氏A95 | |||
| NBF73 | NBF91 | 肖氏A90 | |||||
| NBF74 | NBF92 | 发黑 | 肖氏A95 | ||||
| NBF75 | NBF93 | 肖氏A90 | |||||
| NBF86 | NBF94 | 酯类聚氨酯 | SUS304 | — | 肖氏A70 | ||
| NBF81 | NBF95 | 肖氏A50 | |||||
| NBF77 | NBF96 | 碳钢 | 无电解镀镍 | 肖氏A70 | |||
| NBF78 | NBF97 | 肖氏A50 | |||||
| NBF79 | NBF98 | 发黑 | 肖氏A70 | ||||
| NBF80 | NBF99 | 肖氏A50 | |||||
| NBF82 | — | 耐热聚氨酯 | 肖氏A90 | ||||
| NBF83 | 耐磨聚氨酯 | 肖氏A90 | 深棕色 | ||||
| NBF84 | 肖氏A70 | ||||||
聚氨酯经时间的增长可能会产生变色,但对其特性等并无影响。

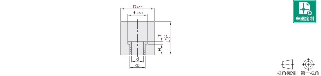
长度选择型
| 型号 |
L |
M 适用螺钉 |
d |
d2 |
d1 |
T |
H |
|
| 代码 | D | |||||||
| NBF71 NBF72 NBF73 NBF74 NBF75 NBF76 NBF77 NBF78 NBF79 NBF80 NBF81 NBF82 NBF83 NBF84 NBF86 |
15 | 12 15 | M3 | 3.5 | 5.5 | 7.5 | 2 | 5 |
| 1520 | M4 | 4.5 | 6.5 | 8.5 | ||||
| 20 | 20 25 | M5 | 5.5 | 8 | 10 | 7 | ||
| 25 | M6 | 6.6 | 9 | 12 | 8 | |||
| M8 | 9 | 11.5 | 14.5 | |||||
| 30 | 20 25 30 | M6 | 6.6 | 9 | 12 | |||
| 25 30 40 | M8 | 9 | 11.5 | 14.5 | ||||
| 40 | 30 40 | M10 | 11 | 14 | 17 | 3 | 10 | |
| 30 40 50 | M12 | 14 | 17 | 20 | ||||
| 50 | 30 40 | M10 | 11 | 14 | 17 | |||
| 40 50 | M12 | 14 | 17 | 20 | ||||
| 60 | 30 40 | M10 | 11 | 14 | 17 | |||
| 40 50 | M12 | 14 | 17 | 20 | ||||
长度指定型
| 型号 |
L 最小单位1 |
M 适用螺钉 |
d |
d2 |
d1 |
T |
H |
|
| 代码 | D | |||||||
| NBF88 NBF89 NBF90 NBF91 NBF92 NBF93 NBF94 NBF95 NBF96 NBF97 NBF98 NBF99 |
15 | 25~80 | M3 | 3.5 | 5.5 | 7.5 | 2 | 5 |
| M4 | 4.5 | 6.5 | 8.5 | |||||
| 20 | M4 | 4.5 | 6.5 | 8.5 | ||||
| M5 | 5.5 | 8 | 10 | 7 | ||||
| 25 | M6 | 6.6 | 9 | 12 | 8 | |||
| M8 | 9 | 11.5 | 14.5 | |||||
| 30 | M6 | 6.6 | 9 | 12 | ||||
| M8 | 9 | 11.5 | 14.5 | |||||
| 40 | M10 | 11 | 14 | 17 | 3 | 10 | ||
| M12 | 14 | 17 | 20 | |||||
| 50 | M10 | 11 | 14 | 17 | ||||
| M12 | 14 | 17 | 20 | |||||
| 60 | M10 | 11 | 14 | 17 | ||||
| M12 | 14 | 17 | 20 | |||||
| 80 | M12 | 14 | 17 | 20 | ||||
| M16 | 18 | 22 | 26 | 4 | 15 | |||
1. 添加筛选条件,生成产品型号
客服
购物车
小程序
怡合达商城小程序
随身商城一手掌握
公众号
微信公众号
订单/资讯随手掌握
微信技术交流服务群
扫码添加进群
浏览记录
问题反馈
置顶
Copyright © 2010-2026 东莞怡合达自动化股份有限公司 版权所有 粤ICP备14032684号
营业执照: 91441900566614589Q