型号筛选
可选加工(可选)
未生成型号,还有 1 项未选择
重置
代码
无数据
参数选型
安装孔型
无数据
表面处理
无数据
产品选型
代码
无数据
规格
无数据
价格生成中...
图片仅供参考,请以已选的规格为准
不锈钢蝶形铰链 平型 左右偏置型 SUS304
条件筛选:
产品型号:
未税折扣单价: -- --
含税折扣单价: ----
含税总价 (税率13%): ¥--
预计发货天数:-- 天 (发货天数以下单次日起算,不含周日与法定假日)
购买数量(PCS):
起订量:1PCS
, 加量幅度:1PCS
登录后可查看价格、加入购物车、一键购买
立即登录
价格生成中...
登录后可查看价格、加入购物车、一键购买
立即登录
代码HFG07的技术资料信息曾有所变更,可前往 型号勘误表 查看变更记录
相似商品
同类人气商品
计算选型
技术图档
全部型号
3D预览
技术图档
产品简介
材质图
参数图
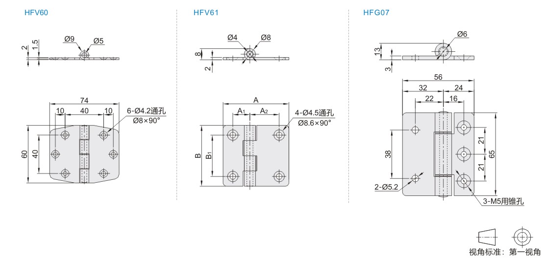
| 代码 | 类型 |
材质 | 表面处理/颜色 | |
| HFV60 | 左右偏置型 | 锥孔型 |
SUS314 |
拉丝 |
| HFV61 | 滚磨抛光 | |||
| HFG07 | 圆孔+锥孔型 | — | ||

仅HFV61符合RoHS标准
推荐:与HFG07相同尺寸,不同材质型号请阅HFG06(详情请在怡合达网站搜索查看)。
选型表
| 型号 | 负载 (Kg) |
参考重量 (Kg/pcs) |
||||||||||
| 代码 | 规格 | |||||||||||
| HFV60 | 60 | 12 | 0.08 | |||||||||
容许负载为使用2个时的数值。
| 型号 | A | B | B1 | A1 | A2 | 负载 (Kg) |
参考重量 (kg/pcs) |
||||||||||||||||
| 代码 | 规格 | ||||||||||||||||||||||
| HFV61 | 50 | 54 | 50 | 34 | 14 | 24 | 10 | 0.05 | |||||||||||||||
容许负载为使用2个时的数值。
| 型号 | 负载 (Kg) |
参考重量 (Kg/pcs) |
|||||||||||
| 代码 | 规格 | ||||||||||||
| HFG07 | 65 | 25 | 0.12 | ||||||||||
容许负载为使用2个时的数值。
产品简介
1. 添加筛选条件,生成产品型号
客服
购物车
公众号
微信公众号
订单/资讯随手掌握
微信技术交流服务群
扫码添加进群
浏览记录
问题反馈
置顶
Copyright © 2010-2026 东莞怡合达自动化股份有限公司 版权所有 粤ICP备14032684号
营业执照: 91441900566614589Q