型号筛选
可选加工(可选)
未生成型号,还有 10 项未选择
重置
代码
无数据
参数选型
主体表面处理
无数据
安装方式
无数据
安装部材质
无数据
安装部表面处理
无数据
形状
无数据
产品选型
代码
无数据
M
无数据
L
无数据
主体颜色
无数据
握柄颜色
无数据
价格生成中...
图片仅供参考,请以已选的规格为准
圆形直杆形手柄 紧定可调位型 ZDC
条件筛选:
产品型号:
未税折扣单价: -- --
含税折扣单价: ----
含税总价 (税率13%): ¥--
预计发货天数:-- 天 (发货天数以下单次日起算,不含周日与法定假日)
购买数量():
起订量:0
, 加量幅度:0
登录后可查看价格、加入购物车、一键购买
立即登录
价格生成中...
登录后可查看价格、加入购物车、一键购买
立即登录
代码的技术资料信息曾有所变更,可前往 型号勘误表 查看变更记录
相似商品
同类人气商品
技术图档
全部型号
3D预览
技术图档
材质图
参数图
| 代码 |
类型 |
主体 |
螺杆 |
适用 半导体行业 |
|||
| 材质 | 表面处理 | 材质 | 表面处理 | ||||
| HAF73 | 经济型圆形直杆型 | B型 | ZDC | 喷塑 | Q235 | 发黑 | — |
| HAF71 | 圆形直杆型 | A型 | 烤漆 | S45C | |||
| HAF74 | B型 | 喷塑 | Q235 | ||||
| HAF75 | SUS304 | — | 是 | ||||
| J-HAF64 | 进口圆形直杆短型 | B型 | 喷塑 | Q235 | 发黑 | — | |
| J-HAF65 | SUS303 | — | |||||
| J-HAF74 | 进口圆形直杆长型 | Q235 | 发黑 | ||||
特点(HAF75):
● 握柄采用圆弧结构,易于受力,握感舒适;
● 样色多样化。
用途(HAF75):
● 操作机械,机床设备,医疗康复机械,
半导体设备,制药设备。

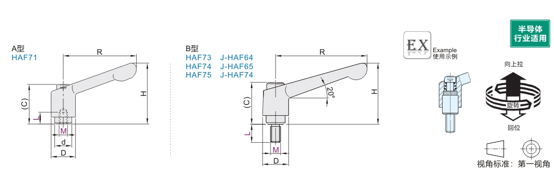
圆形直杆型·A型
| 型号 |
L |
主体颜色 |
R |
D |
d |
H |
(C) |
参考重量 (kg/pcs) |
|
| 代码 | M | ||||||||
| HAF71 | 4 | 8 |
E(黑色) J(橘色) Y(银色) |
45 | 13 | 10 | 35 | 25 | 0.03 |
| 5 | 0.04 | ||||||||
| 6 | 0.05 | ||||||||
| 10 | 0.07 | ||||||||
| 8 | 63 | 18 | 13.5 | 45 | 31 | 0.08 | |||
| 14 | 0.09 | ||||||||
| 10 | 78 | 21 | 16 | 55 | 36 | 0.11 | |||
| 17 | 92 | 24 | 19 | 65 | 43 | 0.12 | |||
| 12 | 0.13 | ||||||||
| 22 | 0.14 | ||||||||
经济型圆形直杆型/圆形直杆型-B型
| 型号 |
L |
主体 颜色 |
R |
D |
H |
(C) |
重量(kg/pcs) |
|||
| 代码 | M | HAF73 | HAF74 | HAF75 | ||||||
| HAF73 HAF75 |
4 | 10 | E(黑色) J(橘色) |
45 | 13 | 35 | 24.5 | 0.03 | — | 0.03 |
| 15 | ||||||||||
| 20 | ||||||||||
| 25 | 0.04 | 0.04 | ||||||||
| 5 | 10 | 0.03 | 0.03 | |||||||
| 15 | 0.04 | |||||||||
| 20 | 0.04 | |||||||||
| 25 | ||||||||||
| 30 | ||||||||||
| 6 | 10 | 0.03 | 0.03 | |||||||
| 20 | 0.04 | 0.04 | ||||||||
| 30 | ||||||||||
| 40 | ||||||||||
| 50 | ||||||||||
| 8 | 10 | 63 | 17.5 | 45 | 32 | 0.08 | 0.08 | |||
| 20 | ||||||||||
| 30 | 0.09 | |||||||||
| 40 | 0.09 | |||||||||
| 50 | ||||||||||
| 10 | 10 | 80 | 21 | 55 | 38 | 0.08 | 0.08 | |||
| 20 | 0.09 | |||||||||
| 30 | 0.09 | |||||||||
| 40 | ||||||||||
| 50 | 0.1 | 0.11 | ||||||||
| HAF74 | 5 | 12 | E(黑色) F(红色) G(灰色) J(橘色) |
45 | 13 | 35 | 25.5 | — | 0.04 | — |
| 16 | ||||||||||
| 20 | ||||||||||
| 25 | ||||||||||
| 32 | ||||||||||
| 6 | 12 | |||||||||
| 16 | ||||||||||
| 20 | ||||||||||
| 25 | ||||||||||
| 32 | ||||||||||
| 40 | ||||||||||
| 8 | 16 | 65 | 17.5 | 45 | 32 | 0.08 | ||||
| 20 | ||||||||||
| 25 | ||||||||||
| 32 | ||||||||||
| 40 | 0.09 | |||||||||
| 50 | ||||||||||
| 10 | 20 | 80 | 21 | 55 | 38 | 0.13 | ||||
| 25 | ||||||||||
| 30 | ||||||||||
| 35 | 0.14 | |||||||||
| 40 | ||||||||||
| 45 | ||||||||||
| 50 | ||||||||||
进口圆形直杆短型·B型
| 型号 |
L |
握柄颜色 |
R |
D |
H |
(C) |
参考重量 (kg/pcs) |
||
| 代码 | M | J-HAF64 | J-HAF65 | ||||||
| J-HAF64 J-HAF65 |
3 | 6 | E(亚光黑) Y(亚光银) J(亚光橙) F(亚光红) |
30 | 45 | 13 | 31 | 24.5 | 0.026~0.027 |
| 8 | |||||||||
| 10 | |||||||||
| 12 | |||||||||
| 16 | |||||||||
| 4 | 10 | 0.027~0.028 | |||||||
| 12 | |||||||||
| 16 | |||||||||
| 20 | |||||||||
| 25 | |||||||||
| 32 | |||||||||
| 5 | 12 | 0.028~0.032 | |||||||
| 16 | |||||||||
| 20 | |||||||||
| 25 | |||||||||
| 32 | |||||||||
| 40 | |||||||||
| 50 | |||||||||
| 6 | 12 | 0.028~0.034 | |||||||
| 16 | |||||||||
| 20 | |||||||||
| 25 | |||||||||
| 32 | |||||||||
| 40 | |||||||||
| 50 | |||||||||
进口圆形直杆长型·B型
| 型号 |
L |
握柄颜色 |
R |
D |
H |
(C) |
参考重量 (Kg/pcs) |
|
| 代码 | M | |||||||
| J-HAF74 | 3 | 6 | E(亚光黑) Y(亚光银) J(亚光橙) F(亚光红) |
45 | 13 | 34 | 25 | 0.034~0.035 |
| 6 | 12 | 0.036~0.042 | ||||||
| 12 | 25 |
78 | 21 | 54 | 36 | 0.145~0.183 | ||
| 16 | 92 | 24 | 64 | 43 | 0.244~0.329 | |||
1. 添加筛选条件,生成产品型号
客服
购物车
公众号
微信公众号
订单/资讯随手掌握
微信技术交流服务群
扫码添加进群
浏览记录
问题反馈
置顶
Copyright © 2010-2026 东莞怡合达自动化股份有限公司 版权所有 粤ICP备14032684号
营业执照: 91441900566614589Q