型号筛选
可选加工(可选)
未生成型号,还有 5 项未选择
重置
代码
无数据
参数选型
主体材质
无数据
安装方式
无数据
产品选型
代码
无数据
D
无数据
d
无数据
价格生成中...
图片仅供参考,请以已选的规格为准
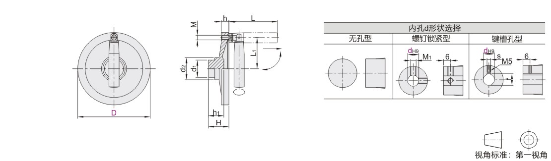
实心手轮 手柄可折型 无孔型
条件筛选:
产品型号:
未税折扣单价: -- --
含税折扣单价: ----
含税总价 (税率13%): ¥--
预计发货天数:-- 天 (发货天数以下单次日起算,不含周日与法定假日)
购买数量():
起订量:0
, 加量幅度:0
登录后可查看价格、加入购物车、一键购买
立即登录
价格生成中...
登录后可查看价格、加入购物车、一键购买
立即登录
代码的技术资料信息曾有所变更,可前往 型号勘误表 查看变更记录
技术图档
全部型号
3D预览
技术图档
材质图
参数图
| 代码 | 类型 |
安装方式 |
联轴部分 |
手轮主体 |
握柄安装部 | 握柄 | 握柄螺纹部 |
|||
| 材质 | 表面处理 | 材质 | 表面处理 | 材质 | 材质 | 材质 | 表面处理 | |||
| HBD01 | 手柄可折型 | 无孔型 | HT200 | 发黑 | PF | — | 黄铜 | PF | S35C | 镀铬 |
| HBD02 | A5056 | 抛光 | A5056 | 抛光 | A5056 | |||||
| HBD06 | 螺钉锁紧型 | HT200 | 发黑 | PF | — | 黄铜 | ||||
| HBD07 | A5056 | 抛光 | A5056 | 抛光 | A5056 | |||||
| HBD11 | 键槽孔型 | HT200 | 发黑 | PF | — | 黄铜 | ||||
| HBD12 | A5056 | 抛光 | A5056 | 抛光 | A5056 | |||||

HBD02/07/12铝合金手轮,无D175、D200的规格。
HBD01~02
| 型号 |
L |
L1 | H | h | h1 | d1 | d2 | M | 参考重量 (kg/pcs) |
|||||||
| 代码 | D | |||||||||||||||
| HBD01 HBD02 |
80 | 55 | 34 | 35 | 13 | 30 | 28 | 36 | 8 | 0.20 | ||||||
| 100 | 41 | 40 | 15 | 36 | 32 | 39 | 0.30 | |||||||||
| 125 | 81.5 | 52 | 44 | 38 | 39 | 46 | 0.43 | |||||||||
| 150 | 104 | 64 | 48 | 18 | 48 | 10 | 0.62 | |||||||||
| 175 | 74 | 53 | 19 | 43 | 48 | 56 | 0.91 | |||||||||
| 200 | 86 | 57 | 21 | 61 | 1.06 | |||||||||||
HBD06~12
| 型号 | d |
M1 | L | L1 | H | h | h1 | d1 | d2 | M | 参考重量 (kg/pcs) |
|||||||||||
| 代码 | D | 适用HBD06/07 | 适用HBD11/12 | |||||||||||||||||||
| HBD06 HBD07 HBD11 HBD12 |
80 | 10 | 10 | 5 | 55 | 34 | 35 | 13 | 30 | 28 | 36 | 8 | 0.20 | |||||||||
| 100 | 12 | 12 | 41 | 40 | 15 | 36 | 32 | 39 | 0.30 | |||||||||||||
| 125 | 12 16 | 12 | 81.5 | 52 | 44 | 38 | 39 | 46 | 0.43 | |||||||||||||
| 150 | 15 20 | 15 | 6 | 104 | 64 | 48 | 18 | 48 | 10 | 0.62 | ||||||||||||
| 175 | 16 20 | 16 | 74 | 53 | 19 | 43 | 48 | 56 | 0.91 | |||||||||||||
| 200 | 16 20 | 16 | 86 | 57 | 21 | 61 | 1.06 | |||||||||||||||
键槽尺寸表
| d | d公差 | f | s | ||
| 10 | +0.036 0 |
11.4 | 3 | ||
| 12 | +0.043 0 |
13.8 | 4 | ||
| 15 | 17.3 | 5 | |||
| 16 | 18.3 | ||||
1. 添加筛选条件,生成产品型号
客服
购物车
公众号
微信公众号
订单/资讯随手掌握
微信技术交流服务群
扫码添加进群
浏览记录
问题反馈
置顶
Copyright © 2010-2026 东莞怡合达自动化股份有限公司 版权所有 粤ICP备14032684号
营业执照: 91441900566614589Q