型号筛选
可选加工(可选)
未生成型号,还有 2 项未选择
重置
代码
无数据
产品选型
代码
无数据
规格
无数据
安装方向
无数据
价格生成中...
图片仅供参考,请以已选的规格为准
扭矩蝶形铰链 L型 圆孔型 任意角度定位型 阻尼型 SUS430 滚磨抛光
条件筛选:
产品型号:
未税折扣单价: -- --
含税折扣单价: ----
含税总价 (税率13%): ¥--
预计发货天数:-- 天 (发货天数以下单次日起算,不含周日与法定假日)
购买数量(PCS):
起订量:1PCS
, 加量幅度:1PCS
登录后可查看价格、加入购物车、一键购买
立即登录
价格生成中...
登录后可查看价格、加入购物车、一键购买
立即登录
代码HFK61的技术资料信息曾有所变更,可前往 型号勘误表 查看变更记录
相似商品
同类人气商品
计算选型
技术图档
全部型号
3D预览
技术图档
产品简介
材质图
参数图
| 代码 | 类型 | 调整角度 | 材质 | 表面处理 | |
| HFK61 | 阻尼型 | 圆孔型 | 任意角度定位型 | SUS430 | 滚磨抛光 |
用途
● 液晶显示器及监视用摄像机等。
注意
● 初始扭矩与额定扭矩的偏差为±20%。
● 请将扭矩值相同的两个铰链左右配套使用。
● 使用多个铰链值,安装时要确保各铰链的轴心之间无偏差。
● 连续使用可能会达不到规定的扭矩值。并非耐久性试验后的扭矩值。
● 请勿在室外或粉尘飞扬的场所使用,否则可能会明显降低性能。
● 非全不锈钢制,不可用于溅水环境。
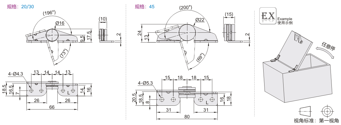
本图所示为左用型,右用为左右对称。
产品简介
1. 添加筛选条件,生成产品型号
客服
购物车
小程序
怡合达商城小程序
随身商城一手掌握
公众号
微信公众号
订单/资讯随手掌握
微信技术交流服务群
扫码添加进群
浏览记录
问题反馈
置顶
Copyright © 2010-2026 东莞怡合达自动化股份有限公司 版权所有 粤ICP备14032684号
营业执照: 91441900566614589Q