型号筛选
可选加工(可选)
未生成型号,还有 1 项未选择
重置
代码
无数据
产品选型
代码
无数据
规格
无数据
价格生成中...
图片仅供参考,请以已选的规格为准
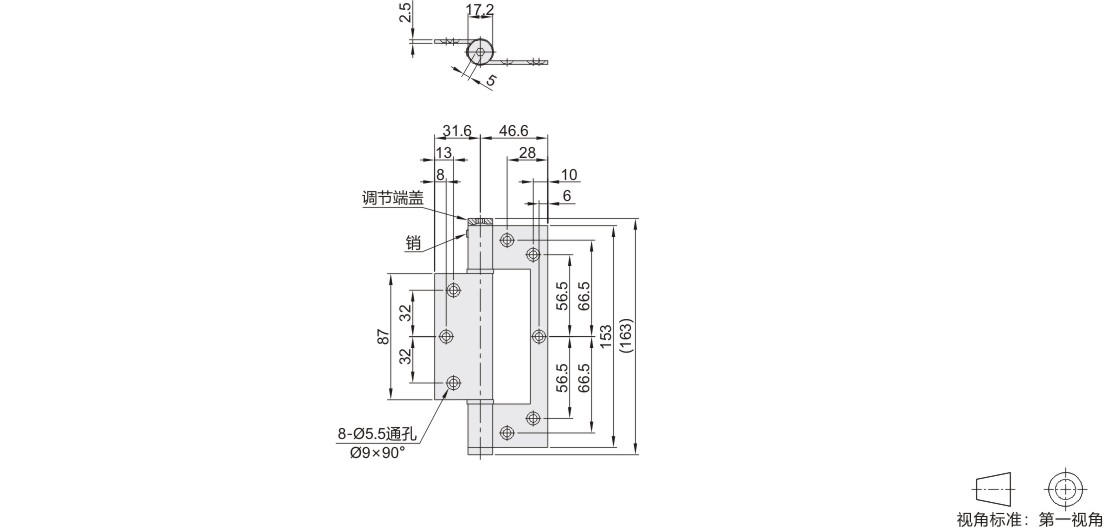
弹簧蝶形铰链 单折型
条件筛选:
产品型号:
未税折扣单价: -- --
含税折扣单价: ----
含税总价 (税率13%): ¥--
预计发货天数:-- 天 (发货天数以下单次日起算,不含周日与法定假日)
购买数量(PCS):
起订量:1PCS
, 加量幅度:1PCS
登录后可查看价格、加入购物车、一键购买
立即登录
价格生成中...
登录后可查看价格、加入购物车、一键购买
立即登录
代码HFE75的技术资料信息曾有所变更,可前往 型号勘误表 查看变更记录
相似商品
同类人气商品
计算选型
技术图档
全部型号
3D预览
技术图档(二)
材质图
参数图
材质图
参数图
| 代码 | 类型 |
材质 | 表面处理 | |
| HFE75 | 单折型 | 锥孔型 | SUS304 | 一 |
特点:
● 通过弹簧力可自动关门;
● 调节端盖可通过内六角扳手,按3级调节关门力;
● 调节时,转动调节端盖,将销插入,注意端盖受力扭矩角度不宜过大。

| 型号 |
负载 (kg) |
参考重量 (kg/pcs) |
|
| 代码 | 规格 | ||
| HFE75 | 153 | 40 | 0.336 |
容许负载为使用2个时的数值。
1. 添加筛选条件,生成产品型号
客服
购物车
公众号
微信公众号
订单/资讯随手掌握
微信技术交流服务群
扫码添加进群
浏览记录
问题反馈
置顶
Copyright © 2010-2025 东莞怡合达自动化股份有限公司 版权所有 粤ICP备14032684号
营业执照: 91441900566614589Q