图片仅供参考,请以已选的规格为准
自动锁定型伸缩撑杆 普通门用 拉伸解锁 SUS304 滚筒抛光 腰孔型/圆孔型
条件筛选:
参数筛选:
固定方式
无数据
产品代码:
有 2 个备选型号
无数据
产品型号:
未税折扣单价: -- --
含税折扣单价: ----
含税总价 (税率13%): ¥--
预计发货天数:-- 天 (发货天数以下单次日起算,不含周日与法定假日)
购买数量():
起订量:0
, 加量幅度:0
登录后可查看价格、加入购物车、一键购买
立即登录
价格生成中...
登录后可查看价格、加入购物车、一键购买
立即登录
代码的技术资料信息曾有所变更,可前往 型号勘误表 查看变更记录
相似商品
同类人气商品
技术图档
全部型号
3D预览
技术图档
材质图
参数图
| 代码 |
类型 |
材质 | 表面处理 |
|
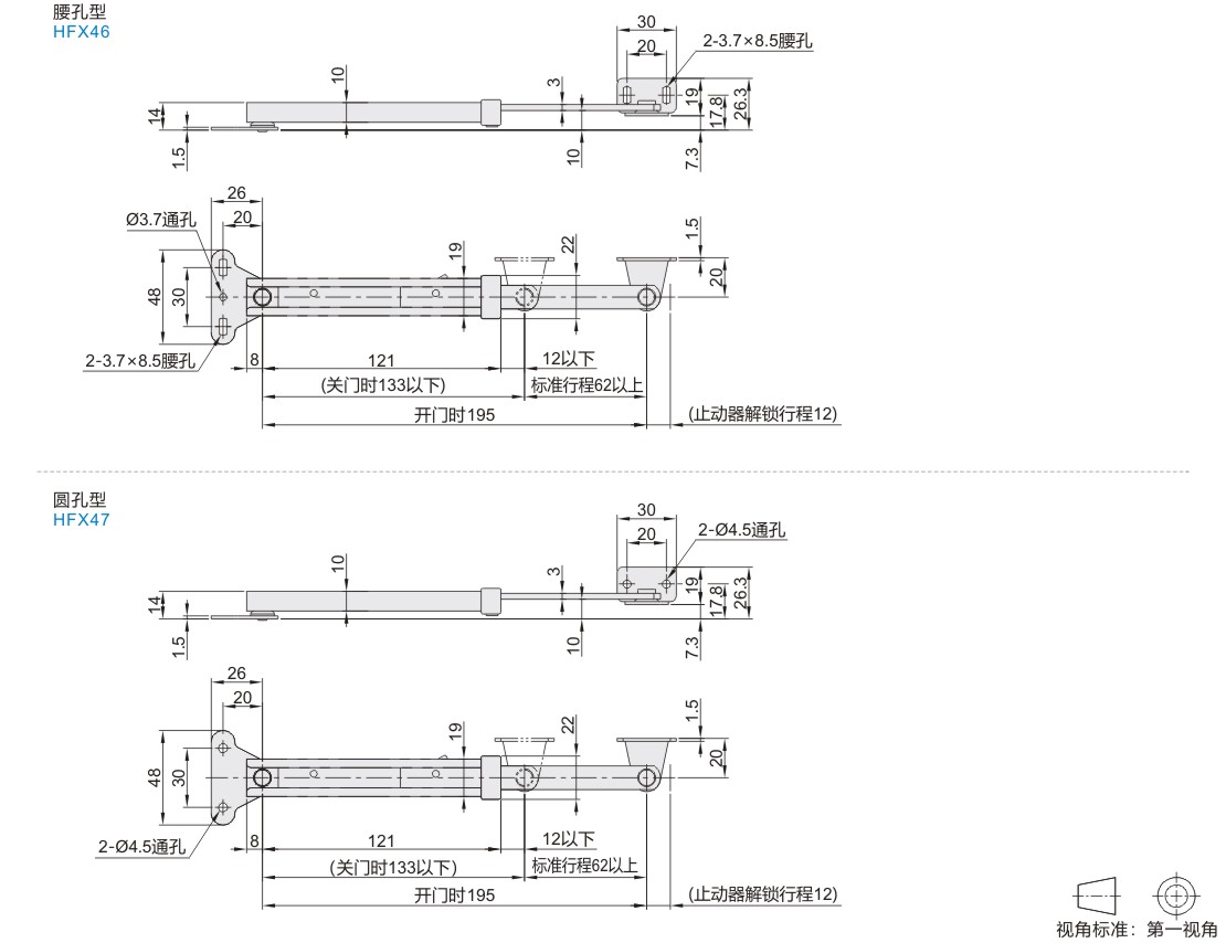
| HFX46 | 腰孔型 | 拉伸解锁 |
SUS304 |
滚筒抛光 |
| HFX47 | 圆孔型 | |||

选型表
| 型号 | 拉伸承重 (N/根) |
参考重量 (kg/pcs) |
|||||||||
| 代码 | |||||||||||
| HFX46 | 147 | 0.1 | |||||||||
| HFX47 |

1. 添加筛选条件,生成产品型号
客服
购物车
公众号
微信公众号
订单/资讯随手掌握
微信技术交流服务群
扫码添加进群
浏览记录
问题反馈
置顶
Copyright © 2010-2026 东莞怡合达自动化股份有限公司 版权所有 粤ICP备14032684号
营业执照: 91441900566614589Q